| Autor |
|
"Zentral"-Aus zeitverzögert konventionell gelöst |
Problem gelöst
|
|
|
|
BID = 365313
jayjay86 Neu hier
 Beiträge: 33
|
|
Hallo!
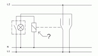
Die Schaltung um die es geht ist aus dem Schaltplan ersichtlich.
Kurz erklärt: Tastet man den Taster (ja, hier ist es ein Schalter...) soll das Relais/Schütz (1x Ö / 1x S) anziehen, und somit L2 freigeben (für schaltbare Steckdosen eines Wohnzimmers (Standby-Geräte!)) L1 entspricht also der ständig anliegenden Spannung, L2 der schaltbaren. Wird der Taster ein zweites Mal betätigt soll im Tastmoment garnichts passieren, sondern erst 3-5 Sekunden später (der Taster muss diesen definierten Zeitraum gedrückt bleiben) L2 freigeschaltet werden. Ist L2 spannungslos, soll die Lampe im Taster aufleuchten, liegt Spannung an, soll sie aus sein.
Gibt's es da ein fertiges Bauelement oder lässt sich da eine Schaltung mit 2-3 Hutschienengeräten lösen?
Vielen Dank + Gruß Julian
[ Diese Nachricht wurde geändert von: jayjay86 am 1 Sep 2006 7:46 ] |
|
BID = 365972
jayjay86 Neu hier
 Beiträge: 33
|
|
*hochhol...*
Irgendein Element für diese Anwendung müsste es doch geben, oder sehe ich das falsch? |
|
BID = 365973
Oertgen Schreibmaschine
    
Avatar auf fremdem Server ! Hochladen oder per Mail an Admin
Beiträge: 1111 Wohnort: Duisburg
|
Hallo!
Warum so kompliziert ? Es würde doch ein einfacher Ausschalter mit Kontrolleuchte ausreichen (mögl. mit 16A Belastbarkeit)
|
BID = 366002
jayjay86 Neu hier
 Beiträge: 33
|
Warum das Ausschalten verzögert passieren soll? Nun: Kommt man aus Versehen an den Taster, geht der Kreis aus. Dann stellt man fest, das man das nicht wollte und tastet sofort wieder ein. Kommt nicht so gut für die Geräte, denke ich. Von daher sollte die Verzögerung um nur bei einem gewollten (längeren) Impuls auszuwertet werden.
Daher wäre ein einfacher Schalter (auch mit 10A Belastbarkeit bei einem dann entsprechend abgesicherten Kreis) nicht die Lösung.
[ Diese Nachricht wurde geändert von: jayjay86 am 3 Sep 2006 10:46 ]
|
BID = 366006
ego Inventar
     
Beiträge: 3091 Wohnort: Köln
|
Toll, wenn man dann an den falschen Schalter geraet und nichts passiert weiss merkt man auch nicht das man besser wieder einschalten sollte!
Wieso nicht einfach einen Rahmen mit Klappdeckel ueber den Zentralausschalter und fertig?
|
BID = 366023
Gonzo2k1 Aus Forum ausgetreten
|
dein gedanke das es nicht gut für die garäte ist kann ich verstehen aber warum so einen aufwand wenn es einfacher geht... siehe lösung von ego
|
BID = 366043
Tobi P. Schreibmaschine
    
Beiträge: 2163 Wohnort: 41464 Neuss
|
Klar gibts da ein Bauteil für. Ich realisiere unkonventionelle Lösungen gern über eine kleine SPS, mein Favorit ist dabei die Easy von Moeller.
Da kannst du dir deine gewünschte Funktion ganz einfach programmieren und hast nur minimalen Verdrahtungsaufwand.
Gruß Tobi
|
BID = 366051
Primus von Quack Unser Primus :) nehmt ihn nicht so ernst
  
Beiträge: 7474
|
Zitat :
Tobi P. hat am 3 Sep 2006 13:00 geschrieben :
|
Klar gibts da ein Bauteil für. Ich realisiere unkonventionelle Lösungen gern über eine kleine SPS, mein Favorit ist dabei die Easy von Moeller.
Da kannst du dir deine gewünschte Funktion ganz einfach programmieren und hast nur minimalen Verdrahtungsaufwand.
Gruß Tobi
|
...gehört dir die Firma oder bist du Multimillionär
...für so eine Funktion eine "Easy" ,"LOGO!" o.ä. zu verwenden ist wohl ein kleiner Scherz was
...da reicht ein einfaches Multifunktionsrelais
_________________
...geguckt wird mit den Augen, nicht mit den Fingern!
|
BID = 366062
jayjay86 Neu hier
 Beiträge: 33
|
"Multifunktionsrelais" in Google geschmissen und siehe da:
Stichwort "Abfallverzögert". Dann werde ich mich mal auf die Suche nach "Abfallverzögerten Relais" machen. Danke!
Rahmen mit Deckel wäre auch ausgefallen, weil der Taster zusammen mit Schaltern und einer Steckdose in einen Mehrfach-Rahmen kommt und nicht einzeln montiert wird.
SPS / Logo! wäre sicherlich denkbar gewesen, aber für die Lösung overdressed. Da, wie sich rausstellte, das mit einer Fertiglösung geht.
[ Diese Nachricht wurde geändert von: jayjay86 am 3 Sep 2006 13:48 ]
|