Spannungsbegrenzung ca. 1 -1,1Volt Im Unterforum Alle anderen elektronischen Probleme - Beschreibung: Was sonst nirgendwo hinpasst
| Autor |
|
Spannungsbegrenzung ca. 1 -1,1Volt |
Problem gelöst
|
|
|
|
BID = 363870
rhophi Stammposter
   
Beiträge: 288 Wohnort: Wetzlar
|
|
Hallo,
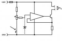
ich stehe vor folgendem Problem: ein Eingang eines Operationsverstärkers, der als einstellbare Stromquelle funktioniert, soll auf maximal 1 bis 1,1 Volt begrenzt werden. (Der normale Regelbereich bewegt sich zwischen 0 und 0,95Volt.) Der maximal abzuleitende Strom beträgt ca. 1,4mA. Das Problem ist, daß es mir nicht gelungen ist Z-Dioden mit derartig kleiner Spannung zu erhalten. Außerdem wurde in einem Versuchsaufbau der Regelbereich auf bis zu 3Volt erhöht, wenn ich dann aber eine Z-Diode von 3,3 oder 3,6Volt gegen Masse anschließe, so hat diese schon einen zu hohen Leckstrom und die Regelung funktioniert nicht mehr einwandfrei und höhere Werte machen keinen Sinn mehr. Auch Versuche mit LED´s oder normalen Dioden in Durchlassrichrung zeigten, daß bei kleinen Strömen niedrigere Durchbruchspannungen zu messen waren als bei höheren Strömen und genau das umgekehrte wäre erforderlich.
Die "Z-Diode" müsste also sehr steilflankig sein.
Der Sinn des ganzen ist, zu verhindern, daß wenn die Leitung an der mit dem Pfeil gekennzeichneten Stelle (wie schon vorgekommen) durchtrennt wird und damit der Strom an RLast bis zum Auslösen der Sicherung hochläuft (ich habe nur einen Ausschnitt der Schaltung gezeichnet, aber alles andere hat mit der Problemstellung nichts zu tun.
Kann mir jemand mit einer kleinen Schaltung (viel Platz ist - natürlich - auch nicht vorhanden) weiter helfen. Als Betriebsspannung stehen bis zu 24VDC zu Verfügung, das Netzteil (sehr klein) hat noch eine Reserve von ca. 15mA.
Schon jetzt vielen Dank an jeden Helfer! |
|
BID = 363883
nabruxas Monitorspezialist
    
Beiträge: 9533 Wohnort: Alpenrepublik
|
|
Meines Wissens ist die kleinste Z-Spannung 2,4V. (Zumindest habe ich diese im Lager liegen)
Auch ist diese nicht Steilflankig weil ja der Zener- Effekt noch nicht eintritt, sondern der Lawineneffekt.
Vielleicht kannst Du eine Programmierbare Z-Diode einsetzen, z.B. einen LM 385.
Habe gerade im Datenblatt nachgesehen, der LM385 geht nur bis 1,25V herunter. Du müsstest also noch eine negative Versorgung zur Verfügung haben um noch weiter herunter zu kommen.
Allerdings bin ich bei der Entwicklung nicht so der Freak. Bestimmt wissen andere mehr.
_________________
0815 - Mit der Lizenz zum Löten!
[ Diese Nachricht wurde geändert von: nabruxas am 27 Aug 2006 21:35 ] |
|
BID = 363889
Benedikt Inventar
      Beiträge: 6241
|
Ich habe hier 0,8V Z-Dioden, aber die Kennlinie ähnelt mehr einem Widerstand als einer Diode...
Das einzige was mir einfallen würde ist ein weiterer Operationsverstärker, der als aktive Z-Diode arbeitet und als Referenz irgendeine höhere Refernzspannung mit Spannungsteiler verwendet.
|
BID = 363915
Onra Schreibmaschine
    
Beiträge: 2515
|
Hallo,
die einfachste Lösung ist eine Si-Diode zwischen die beiden Eingänge des OPV. Anode an den Potieingang und die Katode an den Emitterwiderstand des Transistors. Der sollte niederohmig genug sein, um den Strom abzuleiten. Wichtig ist hierbei, dass der Reihenwiderstand zwischen Poti und OP wesentlich größer ist als der Emitterwiderstand.
Man kann auch 2 antiparallele Dioden zwischen die Eingänge schalten oder z.B. NE5232 oder NE5234 nehmen, bei denen dieser Schutz schon eingebaut ist.
O.
|
BID = 363999
rhophi Stammposter
   
Beiträge: 288 Wohnort: Wetzlar
|
Hallo,
zunächst einmal vielen Dank für die schnellen Antworten.
@Onra: die Idee funktioniert leider nicht, da dann der nichtinvertierende Einagng immer noch um ca. 0,7V höher liegt als der invertierende und damit der Transistor immer weiter durchgesteuert wird.
@nabruxas: Vielen Dank für den Tip mit dem LM385 - damit funktioniert es, wenn ich die Dimensionierung des Spannungsteilers und des Emitterwiderstandes entsprechend ändere. Die Schaltung schiebe ich nach, sobald ich die neue Platine fertig habe und nicht mehr so im Zeitdruck bin.
|
BID = 364296
Onra Schreibmaschine
    
Beiträge: 2515
|
Hallo,
da ist was dran. Versuch mal eine IR-LED nach Masse, die haben Flussspannungen im Bereich 1,1V. Eventuell ist sogar der Einsatz eines Optokopplers sinnvoll, dann hast Du gleich einen Alarmausgang.
O.
|
BID = 364472
rhophi Stammposter
   
Beiträge: 288 Wohnort: Wetzlar
|
So, jetzt wie versprochen die augrund Eurer Mithilfe gefundene Lösung.
Ich will auch verraten wozu das Ganze dienen soll: als RLast wird einmal ein Cluster aus 4x5LED´s (je 180mCd) in Reihe mit je 47Ohm Vorwiderstand (je Gruppe) verwendet, dann hat der Emitterwiderstand 13 Ohm. Bei 51 Ohm kommt nur eine Reihenschaltung von 5 LED´s (11000mCd) mit 47Ohm Vorwiderstand zum Einsatz.
Die Schaltung liefert dann ca. 2-80mA bzw. 0,5-20mA.
Bevor jetz der Aufschrei der gesamten Elektronikgemeinde kommt: Das macht man aber nicht SO, sondern mit IMPULSBREITENSTEUERUNG - das weiß ich. In diesem speziellen Fall geht das aber nicht, da die LED´s zur Beleuchtung eines Kameraobjektives mit Bildspeicherung im PC dienen sollen, und da wäre das Flackern einer Impulsbreitensteuerung tödlich. Außerdem sollen die LED-Cluster untereinander tauschbar sein, so daß eine spannungsgesteuerte Ansteuerung wegen unterschiedlicher Durchbruchspannungen nicht sinnvoll ist.
Letztlich noch einmal vielen Dank für Eure Mithilfe!
|
|
Das Thema ist erledigt und geschlossen. Es kann nicht mehr geantwortet werden !
Zum Ersatzteileshop
Bezeichnungen von Produkten, Abbildungen und Logos , die in diesem Forum oder im Shop verwendet werden, sind Eigentum des entsprechenden Herstellers oder Besitzers. Diese dienen lediglich zur Identifikation!
Impressum
Datenschutz
Copyright © Baldur Brock Fernsehtechnik und Versand Ersatzteile in Heilbronn Deutschland
gerechnet auf die letzten 30 Tage haben wir 16 Beiträge im Durchschnitt pro Tag heute wurden bisher 15 Beiträge verfasst © x sparkkelsputz Besucher : 188016863 Heute : 5457 Gestern : 7121 Online : 224 31.12.2025 21:56 4 Besucher in den letzten 60 Sekunden alle 15.00 Sekunden ein neuer Besucher ---- logout ----viewtopic ---- logout ----
|
xcvb
ycvb
0.0487380027771
|