| Autor |
Mit negativen Signal ein Relais steuern Suche nach: relais (22597) |
|
|
|
|
BID = 346501
Ciclo Gerade angekommen
Beiträge: 2 Wohnort: Weiden
|
|
Servus,
ich bastle mir gerade eine Schaltung um in meine Auto die Spiegel automatisch beim verschliessen anklappen zu lassen.
Dazu hab ich von Conrad den Bausatz "MONOFLOP-SCHALTUNG" um mit den beiden Ausgangslais zeitabhängig ein Motorumpolrelais zu schalten. Funktioniert bis hier auch einwandfrei, der "Test"Spiegel klappt ein und aus. Vor die Monoflop Schaltung hab ich dann ein "RELAISKARTE - BAUSATZ" geschaltet (das verwendete Relais hab ich durche eins mit Wechlser ausgetauscht) Damit ich mit 12V und geringer Leistung die Schaltung betreiben kann. Das ganz funktionert einwandfrei, d.h. lege ich 12 V an den Signaleingang der Relaiskarte, schaltet der Schliesser des Relais den Kanal1 der Monoflop-Schaltung und das Motorumpolrelais zieht für 2 Sekunden an. Nehme ich die 12V von dem Signaleingang der Relaiskarte schaltet der Öffner des Relais den Kanal2 und das Motorumpolrelais zieht an und der Spiegel klappt wieder ein.
Die Schaltung funktioniert also, wenn auch mit vielen Komponenten
Mein Problem ist nun, ich habe in meinem Auto nur "negative" Signale, d.h. vom Türsteuegerät geht ein Draht zu einem Schliesser (nennt sich "Safe") und dann auf Masse. Somit habe ich ja kein 12V Signal um meine Schaltung zu aktivieren.
Wie bekomme ich nun aus dem "negativen" Signal eine positive? Wie funktioniert das mit dem negativen überhaupt? Wie kann ich meine Schaltung so modifizieren damit ich das negative Signal verarbeiten kann?
Im Anhang ist der Schaltplan von der Relaiskarte
Bin für jeden Tip dankbar
Alex aka Ciclo
|
|
BID = 346506
Otiffany Urgestein
     
Beiträge: 13782 Wohnort: 37081 Göttingen
|
|
Hi,
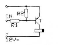
Du solltest deine Relaiskarte wiefolgt ändern.
Gruß
Peter
|
|
BID = 346634
Rambodischien Schreibmaschine
     Beiträge: 1341 Wohnort: Österreich
|
Habe eine frage zu der obigen Schaltung?
Wofür ist denn der Widerstand R1 da?
Mfg
Rambodischien
|
BID = 346836
Ciclo Gerade angekommen
Beiträge: 2 Wohnort: Weiden
|
Hallo,
danke für die Info´s.
Kann ich bei der Schaltung die gleichen Widerstände benutzten R1 (+12V auf Basis) mit 100K Ohm und Basis auf Massesignal 330 Ohm und als Transistor BD238 PNP (vorher BC237)?
Danke
Alex
|
BID = 347576
Otiffany Urgestein
     
Beiträge: 13782 Wohnort: 37081 Göttingen
|
Hi,
wenn Du deine vorhandenen Widerstände benutzen willst, dann versuche es mit R2=330 und R1=100k.
Übrigens, der Widerstand von der Basis an Plus soll zu einem definierten Zustand beitragen, damit der Transistor auch sicher sperrt, wenn kein negatives Signal ansteht.
Gruß
Peter
|
BID = 348541
Rambodischien Schreibmaschine
     Beiträge: 1341 Wohnort: Österreich
|
Danke
Mfg
Rambodischien
|