| Autor |
|
|
|
BID = 346443
KaMpfKeKs Gelegenheitsposter
 
Beiträge: 65
|
|
Hallo
Ich habe vor, für unsere Wasserzisterne vor der Garage (ca. 3m³) eine Füllstandsanzeige zu bauen.
Da wir gerade Abschluss-Prüfung haben und dort auch eine Füllstandsanzeige gebaut wird, kam ich auf die Idee.
Diese funktioniert nicht mit Schwimmern, sondern mit unterschiedlich langen Kupferstäben, die am unteren Ende abisoliert sind. Zusätlich ist ein Masse Stab mit drin.
Je nachdem welcher Fühler unter Wasser ist und Strom zum Ground fließen kann, hat dann den entsprechenden Füllstand.
Das ganze läuft mit einem analogen Multiplexer der von nem PIC abgefragt wird. Dazwischen sitzt ein TL072 OP der das Signal per Schmitt Trigger verstärkt. Der Pic steuert dann ein ULN an, der wiederum die LED auf masse steuert und die entsprechende Füllstands LED leuchtet.
Das ganze sollte an ein 12V Schaltnetzteil, evtl. mal irgendwann an eine Solar Zelle.
Das Problem ist das der TL072 eine negative Spannung von 12V benötigt. Ich weiß nicht wie ich bei dem Schaltnetzteil eine negative Spannung bekommen soll.
Gibts ne möglichkeit nen anderen OP zu nehmen oder brauchen die ale Negative Ub? Der op muss +5v Logic für nen PIC Eingang ausgeben. Ohne DC/DC Wandler wollte ich arbeiten...
Wäre super wenn mir da jemand helfen könnte...
Gruß
Basti
|
|
BID = 346447
DonComi Inventar
     
Beiträge: 8604 Wohnort: Amerika
|
|
Hallo,
Ich weiß nicht, aber evtl. reichen schon 2xCD40106 samt hochohmigen Pullup-Widerständen.
Man nehme einen 6.8MΩ - Widerstand und ziehe damit den Eingang des Schmitttriggers permanent auf logisch 1. (Ausgang wird dann 0).
An den Eingang geht auch jeweils eine Leitung aus der Zisterne. Ich glaube der Stromfluss über das Wasser müsste reichen, um einen Pegelwechsel beim Schmitttrigger zu erzeugen. (von 0 auf 1).
Diese kannst du dann bequem mit nem Multiplexer oder nem Schieberegister ein paar mal in der Sekunde (oder auch alle 10s) über deinen PIC abfragen.
_________________
|
|
BID = 346675
KaMpfKeKs Gelegenheitsposter
 
Beiträge: 65
|
Hmm
Also der 40106 is nen 6x Schmitt Trigger mit nur einem Eingang. Also nen Inverter wenn ich das richtig sehe...
Sowas in der Art haben wir schonmal versucht. Wir haben nen normalen 4014 oder was das war, also auch nen inverter mit schmitt trigger eingang verwendet, und an den Sensor angeschlossen, dazu nen Pullup auf +5V.
Leider hat das nicht so ganz funkioniert...Die LED hat geleuchtet, und ging dann nach 3 sek wieder aus...hat man den fühler bewegt ging sie wieder an...
Müsste doch irgendwie mit nem normalen OP Als Schmitt Trigger zu verwirklichen sein, der keine -12V benötigt...
Oder anders realisierbar?
Danke schonmal für die Hilfe, aber so klappte das leider nicht :/
Basti
|
BID = 346752
Dombrowski Stammposter
   
Beiträge: 450
|
Moin.
4014 ist ein Schieberegister. Bei TTL 74xx ist der 14er ein Schmitt-Trigger.
Wenn Bewegung des Sensors das Signal ändert, weißt du ja schon, an welcher Stelle es hapert. Mach dir doch erst mal ein Bild, mit welchen Spannungen bzw. mit welchen Innenwiderständen man bei dieser Art von Sensoren rechnen muss. Besonders, welche Veränderungen es während der Signalisierung gibt. Wenn man das weiß, kann man auch eine passende Schaltung zur Auswertung entwickeln.
Möglicherweise Elektrolyse am Kupfer? Versuche, das mit Wechselspannung als Prüfsignal zu vermeiden. Oder ein "edles Metall" als Oberfläche.
D.
|
BID = 346771
DonComi Inventar
     
Beiträge: 8604 Wohnort: Amerika
|
Der CD40106 hat eine Recht hohe Impedanz von einigen MΩ .
Das sollte funktionieren. Mit TTL-Bausteinen wird das aber definitiv nichts. Versuche es doch einmal, wenn du einen davon da hast. Ich könnte das morgen machen.
Mit welchen Entfernungen zwischen Masse und dem am weitesten davon entfernten "Sensor" muss ich denn rechnen?
_________________
|
BID = 349236
KaMpfKeKs Gelegenheitsposter
 
Beiträge: 65
|
Also ich würde das schon ganz gern mit dem Pic und allem drum und dran machen wie in dem Schaltplan den ich oben erstellt habe.
Die Sensoren sind ja einfache Kupfer 2.5mm² Leitungen unten etwas abisoliert. Das funktioniert auch wunderbar...Mit der Prüfungs Platine und dem 19" Einschub.
Das Problem liegt halt nur am Schmitt Trigger. Gibt es denn keine Schmitt Trigger die nur +12V oder 5V benötigen und genauso reagieren?
Die Abstände zwischen den einzelnen Sensoren und dem Masse Stab sind nur 5mm ca. Da ich den Massestab immer auf den Höhen der Sensoren abisoliert habe, und nicht nur am Ende...
Evtl möchte ich auch Solarzellen zus Spannungsversorgung benutzen...
Gruß
Basti
[ Diese Nachricht wurde geändert von: KaMpfKeKs am 11 Jul 2006 19:20 ]
|
BID = 349245
DonComi Inventar
     
Beiträge: 8604 Wohnort: Amerika
|
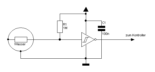
So, ich habe die Schaltung mal gesteckt und normales Leitungswasser damit detektieren können. Die Differenz zwischen Masseleitung und "Sensor"-Draht betrug ca. 7cm. Es ist durchaus mehr drin, aber Mutters Schüssel ist zu klein
Habe dir da mal einen Schaltplan aufgezeichnet.
Die Ausgänge des CD40106 lassen sich problemlos an jeden Mikrokontroller anschließen, sofern gleiche Logikpegel benutzt werden. Meine Apparatur eben lief mit 5V.
Das Wasser wird hier durch einen Widerstand dargestellt, gezeigt ist nur eine Sensorauswertung, die kannst du natürlich beliebig oft aufbauen, mit einem CD40106 bekommst du 6 solche Schaltungen hin.
Ich habe da leichte Bauchschmerzen wenn ich mir vorstelle, wie ein Blitz da einschlägt, aber das wird wohl nicht passieren. Wenn man es wirklich gut machen will, trennt man die Auswerteelektronik galvanisch, hier z.b. mit Optokopplern. (Was aber die extreme Überspannung eines Blitzes nicht veträgt...)
_________________
|
BID = 349265
KaMpfKeKs Gelegenheitsposter
 
Beiträge: 65
|
Hm wenn das klappt wäre es ja sehr einfach....
Hat bei mir aber nicht wirklich gut geklappt, als ich ein 7414 oder was das war genommen habe... hmmm...
Okay werd das mal testen...
Also das ganze dann 8 mal aufbauen und mit dem pic verarbeiten...
10MOhm hätte ich da...
Basti
|
BID = 350810
KaMpfKeKs Gelegenheitsposter
 
Beiträge: 65
|
Hi
Also ich bin gerade am zeichnen des Schaltplans. Da fällt mir ein das ich ja für das auslesen der Sensoren im Wasser ja 8 Eingänge am PIC benötige. Für das ansteuern der Lampen werden nochmal 8 ausgänge benötigt. Das ist doch mit einem 16F84A den ich bestellt hab nicht möglich... deswegen haben die in der Prüfungsschaltung wohl auchd en MUX/DEMUX Baustein mit drin.
Könnte ich das auch mit dem MUX machen, also die Sensoren auf den Mux geben, die eingänge mit dem pic durchschaltern und den ausgang des demux abfragen...?
Oder evtl nen größeren Pic nehmen, aber 16 Ein/Ausgänge? *überleg*
|
BID = 350817
DonComi Inventar
     
Beiträge: 8604 Wohnort: Amerika
|
Natürlich kannst du die Sensoren sequentiell abtasten. Dazu nimmst du ein Schiberegister mit 8 parallelen Eingängen und einem seriellen Ausgang.
Den Takteingang des Registers verbindest du mit einem PIN des Prozessors, den Dateneingang mit einem 2. Pin.
Zusätzlich solltest du noch den Resetpin des Schieberegisters mit einem 3. Pin des Prozessors verbinden.
Die Auslesung der Daten sieht so aus:
1. Den Schieberegisterbaustein mit RESET zurücksetzten
2. Jeweils ein Bit einlesen
3. Ein kurzen Impuls auf den Takteingang geben. Damit wird das nächste Bit am seriellen Ausgang ausgegeben
4. Schritt 2 und 3 8 mal wiederholen, um alle Sensoren auszulesen
5. Schritt 4 sekunden- oder minutenweise abfragen. Es muss ja nicht blitzschnell auf Pegeländerungen in der Zisterne reagiert werden.
_________________
|
BID = 350821
KaMpfKeKs Gelegenheitsposter
 
Beiträge: 65
|
Hmm Schieberegister war ein Thema was in der Schule nicht behandelt wurde, leider.
Wie sieht es denn hiermit aus? Weil die Bauteile hatte ich shcon alle bestellt..
Super großes Lob an dich...  Hast mir sehr geholfen bis jetzt!
[ Diese Nachricht wurde geändert von: KaMpfKeKs am 16 Jul 2006 21:31 ]
|
BID = 350834
DonComi Inventar
     
Beiträge: 8604 Wohnort: Amerika
|
Ja, das sollte so funktionieren  .
_________________
|
BID = 350838
KaMpfKeKs Gelegenheitsposter
 
Beiträge: 65
|
Klasse!
meld mich wenn ich es geätzt und bestückt sowie getestet habe..muss auch noch das programm schreiben
_________________
|