| Autor |
RS-232 ---> PIC Suche nach: pic (2060) |
|
|
|
|
BID = 344807
pg-zonk Gelegenheitsposter
 
Avatar auf fremdem Server ! Hochladen oder per Mail an Admin
Beiträge: 66 Wohnort: CH
|
|
Hallo zusammen
Weil ich anfange mit PICs zu experimentieren brauche ich eine Versuchsplatine. Weil ich ein wenig ein Perfektionist bin mache ich das auf einer geäzten Platine. Weil ich mit dem PIC16F876 experimentiere welcher auch eine Seriellen Ein- und Ausgang hat brauche ich eine dementsprechende Schnittstelle.
Nun meine Frage
Soweit ich weiss müssen die Signale invertiert werden um normgerechte RS-232 Signale zu bekommen. Was brauche ich da für einen Treiberbaustein? Würde da auch ein normale Inverter reichen oder gibt es da ein spezielles IC? Oder braucht es überhaupt einen?
Ich vertraue da mal auf euch weil ich in diesem Gebiet noch keine grosse Erfahrung habe...
_________________
Gruss
pg-zonk
PS: Seid lieb zueinander! |
|
BID = 344812
clembra Inventar
     
Beiträge: 5402 Wohnort: Weeze / Niederrhein
|
|
Wenn ein PIC ähnlich wie ein AVR TTL-Pegel ausgibt, muss das nicht nur invertiert werden, sondern die bei TTL 0V Pegel müssen kleiner 0 sein, also -3 bis -12 laut Definition (wenn ich nicht irre)
Dazu wird in der Regel ein MAX232 verwendet. 4-5 Kondensatoren dazu und du hast 2x beide Richtungen, also genug für Daten und je ein Steuerkanal.
Dieser Chip enthält einen Spannungsverdoppler und einen Inverter, erstell also +10V und -10V (ungefähr) selbst.
_________________
Reboot oder be root, das ist hier die Frage. |
|
BID = 344818
DonComi Inventar
     
Beiträge: 8604 Wohnort: Amerika
|
Exakt, nur dass hinter dem MAX232 eine logische 0 durch +8,5V (ungefähr) dargestellt wird. Logisch 1 ist ca. -8,5V.
Was wichtiger ist, handelt es sich dabei um eine Serielle Schnittstelle im Sinne von RS232 oder ist es einfach nur eine serielle Schnittstelle? Da gibt es nämlich hunderte verschiedene, synchrone und asynchrone...
_________________
|
BID = 344821
clembra Inventar
     
Beiträge: 5402 Wohnort: Weeze / Niederrhein
|
Laut Kristallkugel soll an dem einen Ende der PIC mit TTL-pegel serieller Schnittstelle und am anderen Ende ein PC zum Testen, also Standard RS-232
_________________
Reboot oder be root, das ist hier die Frage.
|
BID = 344826
DonComi Inventar
     
Beiträge: 8604 Wohnort: Amerika
|
Sehr gut
(Meine ist momentan schwarz... Muss am Wetter liegen)
_________________
|
BID = 344827
pg-zonk Gelegenheitsposter
 
Avatar auf fremdem Server ! Hochladen oder per Mail an Admin
Beiträge: 66 Wohnort: CH
|
Zitat :
| Laut Kristallkugel soll an dem einen Ende der PIC mit TTL-pegel serieller Schnittstelle und am anderen Ende ein PC zum Testen, also Standard RS-232
|
Genau so soll es sein. Mein Post vorher wo ich das erklährt hätte ist scheinbar nicht angekommen
_________________
Gruss
pg-zonk
PS: Seid lieb zueinander!
|
BID = 344830
DonComi Inventar
     
Beiträge: 8604 Wohnort: Amerika
|
OK, dann besorge dir einen MAX232, das ist ein Treiber und Empfänger für RS232, wie clembra auch oben erwähnte, und schließe ihn mit hilfe des Datenblattes korrekt an deinen µC an
_________________
|
BID = 344835
pg-zonk Gelegenheitsposter
 
Avatar auf fremdem Server ! Hochladen oder per Mail an Admin
Beiträge: 66 Wohnort: CH
|
Wow. Ging ja schnell. Vielen Dank an euch beide!
_________________
Gruss
pg-zonk
PS: Seid lieb zueinander!
|
BID = 345005
hajos118 Schreibmaschine
    
Beiträge: 2453 Wohnort: Untermaiselstein
|
Mit weniger externen Bauteilen: MAX 233
|
BID = 346568
cholertinu Inventar
     
Beiträge: 3754 Wohnort: CH
|
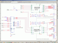
Zitat : pg-zonk hat am 27 Jun 2006 19:09 geschrieben :
|
Weil ich ein wenig ein Perfektionist bin mache ich das auf einer geäzten Platine.
|
Um deine perfektionistische Ader auszuleben könntest du auch noch die serielle Schnittstelle galvanisch trennen
Und die Handshake-Leitungen nicht vergessen!
Das ganze sieht dann etwa so aus (hier mit einem separaten 4x USART Baustein)
Viel Erfolg!
|
BID = 346618
pg-zonk Gelegenheitsposter
 
Avatar auf fremdem Server ! Hochladen oder per Mail an Admin
Beiträge: 66 Wohnort: CH
|
Danke für den Tipp.
Damit hast du vielleicht meinem Mainboard das Leben gerettet
_________________
Gruss
pg-zonk
PS: Seid lieb zueinander!
|
BID = 348957
QuirinO Schreibmaschine
    
Beiträge: 2205 Wohnort: Behringersdorf
|
Wenn du dir bei der e bucht nen billigen USB -> RS232 converter holst musst du dich weder um galvanische trennung noch um converter bausteine noch um die invertierung des signals kümmern... wenn du gern SMD lötest kannst du dir diese chips auch einzeln holen.. so habs ich gemacht , bin der meister der Faulheit
|
BID = 349076
cholertinu Inventar
     
Beiträge: 3754 Wohnort: CH
|
Die meisten billigen USB to RS232 Converter sind NICHT galvanisch getrennt.
|
BID = 349607
QuirinO Schreibmaschine
    
Beiträge: 2205 Wohnort: Behringersdorf
|
Tatsache... mein fehler
|
BID = 349612
Ltof Inventar
     
Beiträge: 9386 Wohnort: Hommingberg
|
Zitat : pg-zonk hat am 27 Jun 2006 19:09 geschrieben :
|
Weil ich ein wenig ein Perfektionist bin ...
|
Schade - meine PICs sprechen einfach mittels Optokoppler via RS232. Ohne MAX232 oder ähnliches. Die haben nicht mal einen USART an Bord.
Das ist aber eher was für Minimalisten. Für Perfektionisten ist das nix.
_________________
„Schreibe nichts der Böswilligkeit zu, was durch Dummheit hinreichend erklärbar ist.“
(Hanlon’s Razor)
|