Hallo Jornbyte Im Unterforum Microcontroller - Beschreibung: Hardware - Software - Ideen - Projekte
| Autor |
|
|
|
BID = 21765
Electronicfox Schreibmaschine
    
Beiträge: 1634 Wohnort: hamburg
|
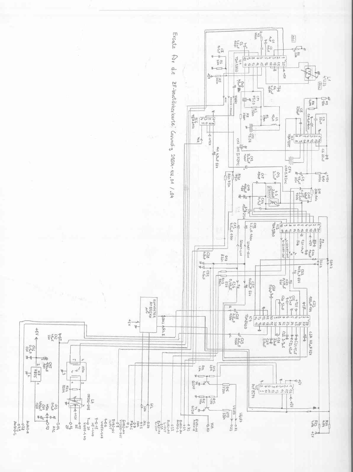
Die Schaltung könnte bei der Programmierung weiter helfen. So ungefähr stelle ich mir die Ersatzkarte vor.
Uploaded Image: Ersatzkarte.jpg
_________________
Es ist nicht mein Ziel mit dem Kopf durch die Wand zu gehen, sondern mit den Augen eine Tür zu finden. Also warum kompliziert, wenn’s einfach geht.
|
BID = 21979
Electronicfox Schreibmaschine
    
Beiträge: 1634 Wohnort: hamburg
|
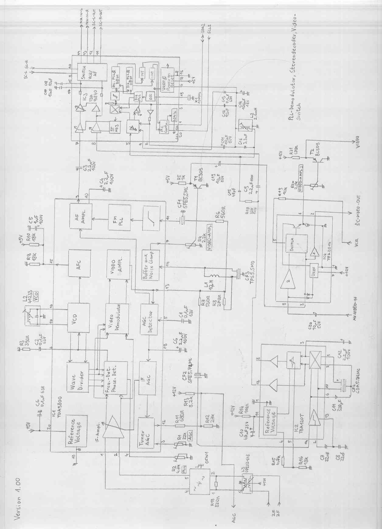
Hier ist der übersichtliche Schaltplan von der Karte.
Teil1: PLL-Demodulator, Stereodecoder, Videoswitch
Uploaded Image: Ersatzkarte_Teil1.jpg
_________________
Es ist nicht mein Ziel mit dem Kopf durch die Wand zu gehen, sondern mit den Augen eine Tür zu finden. Also warum kompliziert, wenn’s einfach geht.
|
BID = 21980
Electronicfox Schreibmaschine
    
Beiträge: 1634 Wohnort: hamburg
|
Hier Teil2:
Soundprozessor, Microcontroller, Anschlüsse
Uploaded Image: Ersatzkarte_Teil2.jpg
_________________
Es ist nicht mein Ziel mit dem Kopf durch die Wand zu gehen, sondern mit den Augen eine Tür zu finden. Also warum kompliziert, wenn’s einfach geht.
|
|
Zum Ersatzteileshop
Bezeichnungen von Produkten, Abbildungen und Logos , die in diesem Forum oder im Shop verwendet werden, sind Eigentum des entsprechenden Herstellers oder Besitzers. Diese dienen lediglich zur Identifikation!
Impressum
Datenschutz
Copyright © Baldur Brock Fernsehtechnik und Versand Ersatzteile in Heilbronn Deutschland
gerechnet auf die letzten 30 Tage haben wir 18 Beiträge im Durchschnitt pro Tag heute wurden bisher 2 Beiträge verfasst © x sparkkelsputz Besucher : 187923170 Heute : 249 Gestern : 17227 Online : 306 25.12.2025 0:56 6 Besucher in den letzten 60 Sekunden alle 10.00 Sekunden ein neuer Besucher ---- logout ----viewtopic ---- logout ----
|
xcvb
ycvb
0.0673718452454
|