| Autor |
|
|
|
BID = 261201
SebG Gerade angekommen
Beiträge: 6 Wohnort: Hildesheim
|
|
Hallo zusammen
In diesem Thread wurde mehrfach darauf hingewiesen, dass man nur mit dem 3021 dimmen kann und mit dem 3041 nicht: https://forum.electronicwerkstatt.de......html
und nun meine Frage: warum kann ich mit dem 3041 trotzdem dimmen bzw. warum sollte das eigentlich nicht gehen?
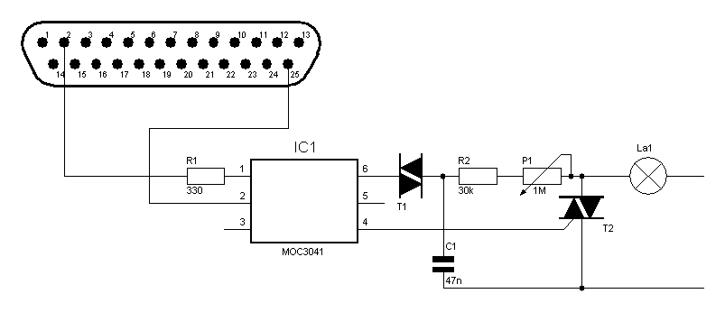
Hier der Schaltplan:
der Triac ist ein BT139 und der Kondensator ist für 630VDC ausgelegt.
|
|
BID = 261216
psiefke Schreibmaschine
     Beiträge: 2636
|
|
der moc 3041 hat einen nulldurchgangs detector
schaltet also immer nur im nulldurchgang der sinuskurve durch. deswegen kann man damit nicht dimmen (zumindest nicht phasenan-/abschnitt.)
_________________
phil
PS:
Ein Millimeter ist so klein, daß tausend übereinandergestapelt nur einen Meter hoch wären. |
|
BID = 261225
clembra Inventar
     
Beiträge: 5402 Wohnort: Weeze / Niederrhein
|
Gedimmt werden kann mit dem MOC3041 natürlich auch, z.B. per Schwingungspaketsteuerung. Nicht möglich ist es per Phasenanschnitt zu dimmen, was bei allen Dimmern im Lichtbereich der Fall ist. Dazu ist z.B. der im anderen Thread genannte MOC3021 erforderlich.
Bei Schwingungspaketsteuerung kann es auch Vorkommen, dass die Lampen flackern.
Phasenabschnitt kannst du mit einem Triac aber nie dimmen, weil diese, wenn sie einmal durchlässig sind, es auch bleiben, bis die Spannung unter eine Haltespannung abfällt. Dies passiert nur in den Nulldurchgängen.
Gruß clembra
_________________
Reboot oder be root, das ist hier die Frage.
|
BID = 261230
SebG Gerade angekommen
Beiträge: 6 Wohnort: Hildesheim
|
Danke schonmal für eure Antworten.
Also habe ich - ohne dass ich überhaupt wusste, was das ist - so eine Schwingungspaketsteuerung gebaut?
|
BID = 261263
clembra Inventar
     
Beiträge: 5402 Wohnort: Weeze / Niederrhein
|
Wenn du per Befehl im PC dimmst ist das wahrscheinlich der Fall. Dabei wird die Spannung immer für einige Halbwellen ein und für einige ausgeschaltet.
Wenn du über das 1M-Poti dimmst NEIN, weil dann erst auf der Lastseite des Optokopplers gedimmt wird. Dabei handelt es sich zwar auch um Phasenanschnitt, allerdings ist der Helligkeitsgrad nicht durch die Software beeinflussbar, sondern nur mit dem Poti. Praktisch ist es also kein Dimmer, sondern als "helligkeitsreduzierbarer Schalter"
Gruß clembra
_________________
Reboot oder be root, das ist hier die Frage.
|