| Autor |
|
Modellbahngeschwindigkeit regeln |
|
|
|
|
BID = 177674
stefanlu Gerade angekommen
Beiträge: 12
|
|
Hallo Experten,
ich möchte gerne anhand eines PWM Signals das am LPT Port ausgegeben wird bei einer Modellbahnanlage die Geschwindigkeit regeln.
Allerdings kann ich den LPT ja pro Pin nur mit max. 2mA belasten.
Wie kann ich die Belastung des Ports so erhöhen, dass ich die Modellbahnloks steuern kann?
Ich weiß dass ich einen Optokoppler als Galvanische Trennung hinter dem LPT brauche aber wie hoch kann ich den belasten?
Wie kann ich dort evtl die Belastung erhöhen?
Wäre schön wenn mir jemand helfen könnte.
Ps. Hab schon im Forum gesucht und auch schon kräftig gegoogelt aber nichts wirklich brauchbares gefunden. |
|
BID = 177680
perl Ehrenmitglied
       
Beiträge: 11110,1 Wohnort: Rheinbach
|
|
Zitat :
| | Allerdings kann ich den LPT ja pro Pin nur mit max. 2mA belasten. |
Die Treibertransistoren des LPT schaffen schon einiges mehr, aber auch das reicht bei weitem nicht.
Zitat :
| | Ich weiß dass ich einen Optokoppler als Galvanische Trennung hinter dem LPT brauche aber wie hoch kann ich den belasten? |
Noch weniger. Aber grundsätzlich ist eine galvanische Trennung mittels Optokoppler eine gute Idee.
Zitat :
| | Wie kann ich die Belastung des Ports so erhöhen, dass ich die Modellbahnloks steuern kann? |
Indem du erst einmal die vollständigen Spezifikationen auf den Tisch legst.
_________________
Haftungsausschluß:
Bei obigem Beitrag handelt es sich um meine private Meinung.
Rechtsansprüche dürfen aus deren Anwendung nicht abgeleitet werden.
Besonders VDE0100; VDE0550/0551; VDE0700; VDE0711; VDE0860 beachten ! |
|
BID = 177690
stefanlu Gerade angekommen
Beiträge: 12
|
Also zu den Spezifikationen:
Die Betriebsspannung wird im Bereich von ca. 14-16V betragen und die zu erwartende Stromstärk werden maximal 500 mA sein.
d.h. die Schaltung sollte ca. 500mA Ausgangsleistung abkönnen.
Ich hoffe das reicht an Daten, wenn nicht einfach sagen was noch benötigt wird.
|
BID = 177703
perl Ehrenmitglied
       
Beiträge: 11110,1 Wohnort: Rheinbach
|
Reicht bei weiten nicht.
Sei nicht so faul.
_________________
Haftungsausschluß:
Bei obigem Beitrag handelt es sich um meine private Meinung.
Rechtsansprüche dürfen aus deren Anwendung nicht abgeleitet werden.
Besonders VDE0100; VDE0550/0551; VDE0700; VDE0711; VDE0860 beachten !
|
BID = 177706
stefanlu Gerade angekommen
Beiträge: 12
|
Was wird denn noch gebraucht.
ich bin in dieser Richtung nicht so bewandert.
Was müsst ihr denn noch wissen? 
|
BID = 177707
cha0s Gelegenheitsposter
 
Avatar auf fremdem Server ! Hochladen oder per Mail an Admin
Beiträge: 69 Wohnort: bei köln
|
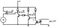
also ich würde das so machen
|
BID = 177712
stefanlu Gerade angekommen
Beiträge: 12
|
Ich kann auf deiner Zeichnung leider nicht wirklich viel erkennen sorry.
Aber evtl. wäre das was.
|
BID = 177725
cha0s Gelegenheitsposter
 
Avatar auf fremdem Server ! Hochladen oder per Mail an Admin
Beiträge: 69 Wohnort: bei köln
|
Zitat :
stefanlu hat am 23 Mär 2005 12:08 geschrieben :
|
Ich kann auf deiner Zeichnung leider nicht wirklich viel erkennen sorry.
Aber evtl. wäre das was.
|
draufgeklickt hast du?
|
BID = 177732
2SJ200 Schreibmaschine
     Beiträge: 1942 Wohnort: Österreich
|
ev sollte man auch sagen was man sich bei der tzeichnung mit der 1A platzeinteilung gedacht hat
ich denk mir: du sollst über den LPT ene PWM ausgeben, d du machst am LPT PIN ein rechtecksignal das in seinem puls/pausenverhältnis per software verstellbar ist - diese steuert über den optokoppler (da die LPT PINS einige x mA schaffen kiannst mittels vorwiderstand die kopplerled direkt treiben
die nachgeschaltete stufe besorgt dir den nötigen ausgangsstrom...
|
BID = 177740
cha0s Gelegenheitsposter
 
Avatar auf fremdem Server ! Hochladen oder per Mail an Admin
Beiträge: 69 Wohnort: bei köln
|
|
BID = 177802
LeoLöwe Schriftsteller
    
Beiträge: 915
|
Ist der LTP überhaupt so schnell? Bei mir "vergisst" der die Hälfte von den Signalen, wenn ich auf ein paar kHz hochdrehe... Und das gesumme ist auch nicht das wahre...
_________________
|
BID = 177807
2SJ200 Schreibmaschine
     Beiträge: 1942 Wohnort: Österreich
|
nujo, 25Mbit soll ein modernen centronics schaffen -> also >1MHz sollten möglich sein...
eine PWM würde ich trotzdem empfehlen da das gepfeife nicht so schlimm sein muss aber die verluste geringst sind...
wenn du nur einen motor stuern willst an einem LPT kannst du auch zB die 256 binärwerte die er ausgeben kann für eine 256stufige regelung heranziehen...
oder 2x4Bit -> 16 stufen sollten ja für eine modelbahn reichen
willst du auch eine richtungsumschaltung oder so, gib mal genauere angaben 
|
BID = 181329
stefanlu Gerade angekommen
Beiträge: 12
|
Sorry war bisher im Urlaub:
Zitat :
| | 16 stufen sollten ja für eine modelbahn reichen |
Das würde mir eigentlich schon reichen.
Zitat :
| | willst du auch eine richtungsumschaltung oder so, gib mal genauere angaben |
->Nein der Richtungswechsel erfolgt auf andere Art und Weise,
ich möchte nur die Geschwindigkeit regeln können mehr nicht.
Und dafür bräuchte ich eben eine Schaltung mit der ich die Last am LPT erhöhen kann.
Zitat :
| | eine PWM würde ich trotzdem empfehlen da das gepfeife nicht so schlimm sein muss aber die verluste geringst sind. |
Wie sieht denn die Steuerung dann aus. Mein Googlen und die Suche im Forum haben bisher nur eine PWM mit einem Poti ergeben. Wie kann ich aber die PWM dann über den LPT regeln? Wie sieht ein elektronischer Poti aus?
|
BID = 181374
2SJ200 Schreibmaschine
     Beiträge: 1942 Wohnort: Österreich
|
ich würde in dem fall ev zu einer "hardware PWM" greifen mit parallelem, binärem eingang (LPT kompatibel eben
man baut einen zähler auf der von 0 wegzählt und bei 255 überläuft und wieder bei 0 beginnt, 0 setzt nicht nur den Zähler zurück sondern setzt auch ein RS-FF das den ausgang der schaltung bildet...
ein Komparator bekommt als eingangsdaten den Wert vom LPT und den Wert des zählers, stimmen beide Werte überein so setzt er das RS-FF zurück und der ausgang wird abgeschaltet...
der regelbereich ergibt dann nahezu 0...100% wenn der setzimpuls deutlich kürzer als eine taktperiode des zählers ist...
|