Schaltzustand in Tastimpuls umwandeln

Im Unterforum Alle anderen elektronischen Probleme - Beschreibung: Was sonst nirgendwo hinpasst

Elektronik Forum Nicht eingeloggt       Einloggen       Registrieren




[Registrieren]      --     [FAQ]      --     [ Einen Link auf Ihrer Homepage zum Forum]      --     [ Themen kostenlos per RSS in ihre Homepage einbauen]      --     [Einloggen]

Suchen


Serverzeit: 25 10 2025  14:53:47      TV   VCR Aufnahme   TFT   CRT-Monitor   Netzteile   LED-FAQ   Oszilloskop-Schirmbilder            


Elektronik- und Elektroforum Forum Index   >>   Alle anderen elektronischen Probleme        Alle anderen elektronischen Probleme : Was sonst nirgendwo hinpasst


Autor
Schaltzustand in Tastimpuls umwandeln

    







BID = 175552

tlang

Gerade angekommen


Beiträge: 4
ICQ Status  
 

  


Hallo,
ich habe einen Empfänger der beim Funkbetätigen
ein Relais schaltet. Nun müsste ich diese Schaltfunktion in ein Tastfunktion umwandeln, weil mein Garagentorantrieb für den der Tastimpuls ist sonst blockiert ist.


Gruß
Thomas

BID = 175566

ronki1

Schriftsteller



Beiträge: 689
Wohnort: Halle / Saale

 

  

Hallo Thomas,

du könntest ein Wischrelais nachstalten und über dessen Arbeitskontakt den Torantrieb ansteuern.

MfG,
ronki1

BID = 175918

tlang

Gerade angekommen


Beiträge: 4
ICQ Status  

Hallo ronki1,
vielen Dank erstmal für den Tip mit dem Wischerrelais,
mit diesem Namen habe ich hier im Forum einen weiteren Artikel gefunden.
Hat sonst noch jemand eine Idee??

Gruß
Thomas

BID = 175936

sam2

Urgestein



Beiträge: 35321
Wohnort: Franken (bairisch besetzte Zone)

Die Schaltung des Empfängers ändern, so daß dieser nur einen Impuls ausgibt.

BID = 176016

Otiffany

Urgestein



Beiträge: 13779
Wohnort: 37081 Göttingen

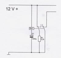
Hi,
so kann man aus einem normalen Relais ein Wischrelais machen.
Den Widerstand kannst Du auch direkt parallel zu dem Kondensator legen, wenn Du kein Relais mit zwei Umschaltkontakten hast; der Kondensator muß dann aber größer sein.
Gruß
Peter



BID = 176329

ronki1

Schriftsteller



Beiträge: 689
Wohnort: Halle / Saale



[ Diese Nachricht wurde geändert von: ronki1 am 20 Mär 2005  0:23 ]


Zurück zur Seite 1 im Unterforum          Vorheriges Thema Nächstes Thema 


Zum Ersatzteileshop


Bezeichnungen von Produkten, Abbildungen und Logos , die in diesem Forum oder im Shop verwendet werden, sind Eigentum des entsprechenden Herstellers oder Besitzers. Diese dienen lediglich zur Identifikation!
Impressum       Datenschutz       Copyright © Baldur Brock Fernsehtechnik und Versand Ersatzteile in Heilbronn Deutschland       

gerechnet auf die letzten 30 Tage haben wir 12 Beiträge im Durchschnitt pro Tag       heute wurden bisher 6 Beiträge verfasst
© x sparkkelsputz        Besucher : 186001502   Heute : 8738    Gestern : 12637    Online : 352        25.10.2025    14:53
4 Besucher in den letzten 60 Sekunden        alle 15.00 Sekunden ein neuer Besucher ---- logout ----viewtopic ---- logout ----
xcvb ycvb
0.0385220050812