| Autor |
Negative Spannung für IC Speisung erzeugen Suche nach: spannung (45779) |
|
|
|
|
BID = 164825
chrizz Neu hier

Beiträge: 23
|
|
Folgendes:
5V DC stehen zur Verfügung. Wie kann ich daraus + und -2.5V erzeugen? Gibt's da ein Trick wie man das simpel mit Dioden lösen könnte? |
|
BID = 164847
BlackLight Inventar
      Beiträge: 5452
|
|
Geht sogar mit zwei Widerständen.
Einfach zwei 0,1 Ohm Widerstände in Reihe und den Mittelabgriff zu 0V erklären.
Die Schaltung hat nur ein paar Nachteile.
Rück mal mehr Informationen raus.
Was liefert die 5V DC, wieviel Strom verbraucht "der" IC, wie stabil müssen die ±2,5V DC sein? ... |
|
BID = 164871
chrizz Neu hier

Beiträge: 23
|
BlackLight: Danke für den Tip! es geht darum einen CD4016 als Audio Umschalter zu benutzen (siehe auch Topic: MISCH/SCHALTPULT). Da das Signal um 0V herum schwirrt, muss der IC mit einer positiven und negativen (statt Masse) Spannung gespiesen werden, welche nicht mehr als ein halbes Volt unter (oder über) der Spannung des zu schaltenden Analogen Signals liegen darf. Das Audio Signal hat laut Datenblatt max. 1.35Vss, daher könnte ich eine vom Netzteil gegebene 5V Spannung zur speisung aufteilen in positiv und negativ. Der max. Strom des CD4016 beträgt +/-25mA.
Eine weitere Möglichkeit bestünde darin, das zu schaltende Audio Signal auf sagen wir 2.5V anzuheben und den IC norma mit 5V gegen Masse zu versorgen. Bin allerdings noch zu unerfahren und hab keinen Plan wie ich die Gleichspannung vom Signal wieder entferne (mit einem Kondensator?) deshalb würde ich die erstgenannte Methode vorziehen.
|
BID = 164875
Nadia gesperrt
|
@backlight:
Glückwunsch! Mit einem Spannungsteiler aus
Zitat :
| | ...zwei 0,1 Ohm Widerstände in Reihe |
hättest du einen Ruhestrom allein durch diese Hilfsmasse von 5V/0.2Ohm= 25A und eine Leistungsaufnahme von 125W - GENIAL!
Normalerweise benutzt man für sowas einen hochohmigen Spannungsteiler und einen als Spannungsfolger geschalteten Opamp.
@chrizz
Zitat :
| | Das Audio Signal hat laut Datenblatt max. 1.35Vss, daher könnte ich eine vom Netzteil gegebene 5V Spannung zur speisung aufteilen in positiv und negativ. |
Schön, nur benutzt der Digitalteil des 4016 den 4016-Pin GND als Referenzpunkt, der ja bei deiner Schaltungsvariante auf 2.5V relativ zum ECHTEN GND liegen würde. Das schreit nach Problemen bei der Signalumschaltung.
Was spricht dagegen, dem Audiosignal nach Auskopplung über einen Elko einen 2.5V Offset aufzuprägen un diesen nach dem Schalterarray mittels einem Kondensator wieder zu entfernen?
Außerdem kann man mit einem CMOS OSC und ein paar parallel geschalteten Invertern einen Hilfssspannungsgeneraror für -5V aus 5V zaubern - zumal diese negative Hilfsspannung kaum belastet würde. (Weiss jetzt nicht auf Anhieb wie der heisst, Villard glaub ich - aber wie der aus zwei Dioden und zwei Elkos verschaltet wird ist kein Thema).
[ Diese Nachricht wurde geändert von: Nadia am 19 Feb 2005 21:56 ]
|
BID = 164898
chrizz Neu hier

Beiträge: 23
|
nadia: evt. war damit 0.1kOhm gemeint
Zitat :
| | Was spricht dagegen, dem Audiosignal nach Auskopplung über einen Elko einen 2.5V Offset aufzuprägen un diesen nach dem Schalterarray mittels einem Kondensator wieder zu entfernen? |
Eigentlich nichts, aber wie geht das genau?
|
BID = 164909
perl Ehrenmitglied
       
Beiträge: 11110,1 Wohnort: Rheinbach
|
Zitat :
chrizz hat am 19 Feb 2005 21:31 geschrieben :
|
Da das Signal um 0V herum schwirrt, muss der IC mit einer positiven und negativen (statt Masse) Spannung gespiesen werden, welche nicht mehr als ein halbes Volt unter (oder über) der Spannung des zu schaltenden Analogen Signals liegen darf. Das Audio Signal hat laut Datenblatt max. 1.35Vss, daher könnte ich eine vom Netzteil gegebene 5V Spannung zur speisung aufteilen in positiv und negativ. Der max. Strom des CD4016 beträgt +/-25mA.
|
Du verwechselst da einiges.
Die Spitzen des analogen Signals dürfen die Versorgungsspannungen des ICs nicht mehr als ein paar zehntel Volt überschreiten.
Es ist aber völlig ok das IC z.B. mit +6V und -6V zu versorgen.
Es ist sogar empfehlenswert die Versorgungsspannung "querrüber" möglichst hoch zu wählen, weil dann die Schalter niederohmiger werden und weniger Verzerrungen produzieren.
Den Betriebsstrom des ICs kannst du vernachlässigen. Er beträgt nur ein paar µA, solange du dafür sorgst, daß das Steuersignal für die Schalter groß genug ist. Also den vollen Bereich Vss...Vdd durchfährt und insbesondere nicht in der Mitte stehenbleibt.
Mit 25mA ist der Strom gemeint, ab dem die Drähtchen im IC schmelzen.
Mit dem 4016 hast du dir den allerältesten Chip ausgesucht den es dafür gibt.
Du solltest besser den 4066 verwenden. Das ist der funktionell und pinmäßig identische Nachfolgetyp mit erheblich besseren Daten.
_________________
Haftungsausschluß:
Bei obigem Beitrag handelt es sich um meine private Meinung.
Rechtsansprüche dürfen aus deren Anwendung nicht abgeleitet werden.
Besonders VDE0100; VDE0550/0551; VDE0700; VDE0711; VDE0860 beachten !
|
BID = 164917
chrizz Neu hier

Beiträge: 23
|
Zitat :
| Du verwechselst da einiges.
Die Spitzen des analogen Signals dürfen die Versorgungsspannungen des ICs nicht mehr als ein paar zehntel Volt überschreiten. |
Aber wohl auch nicht unterschreiten, oder?
Ich dachte das problem sei, wenn das analoge Signal < 0V wird (wenn der IC mit 5V und Masse betrieben wird). Auf jeden Fall wird das Audiosignal immer leiser, bis ich wieder aus- und einschalte. Deshalb wollte ich den Versuch mit der negativen Spannung ja machen.
Zitat :
| Es ist aber völlig ok das IC z.B. mit +6V und -6V zu versorgen.
Es ist sogar empfehlenswert die Versorgungsspannung "querrüber" möglichst hoch zu wählen, weil dann die Schalter niederohmiger werden und weniger Verzerrungen produzieren. |
Klingt einleuchtend, könnte auch mit 12V etwas machen, aber wie?
Danke auf jeden Fall für die Tips... will erst mal dass das ganze mit nem 4016 sauber läuft bevor ich einen anderen IC probiere 
|
BID = 164923
perl Ehrenmitglied
       
Beiträge: 11110,1 Wohnort: Rheinbach
|
Zitat :
| | Aber wohl auch nicht unterschreiten, oder? |
Kurzum: Das Analogsignal (und auch die Steuereingäng) soll nicht positiver als die positive Versorgung und nicht negativer als die negative Versorgung sein.
Das klassische Verfahren um aus +5V -5V zu machen, benutzt den ICL7660. Der benötigt dazu nur noch zwei Kondensatoren. Zusammenlöten fertig.
Ich weiß aber nicht, ob du ein Steuersignal zu Verfügung hast, das den Bereich V- bis V+ durchläuft.
Wenn dein Steuersignal nur zwischen 0 und +5V schaltet, brauchst du entweder eine Pegelwandler, der daraus -5 und +5V macht, oder du siehst zu, ob du die 4051, 4052 oder 4053 verwenden kannst. Die sind anders organisiert als der 4066 haben aber solche Pegelwandler an Bord.
_________________
Haftungsausschluß:
Bei obigem Beitrag handelt es sich um meine private Meinung.
Rechtsansprüche dürfen aus deren Anwendung nicht abgeleitet werden.
Besonders VDE0100; VDE0550/0551; VDE0700; VDE0711; VDE0860 beachten !
|
BID = 164926
alpha-ranger Schreibmaschine
    
Beiträge: 1517 Wohnort: Harz / Heide
|
Hallo,
Einwand: haben solche Pegelwandler an Board.
Niemals. Ein 7660 ist immer erfoderlich.
Die genannten Schaltkreise haben Eingänge für negative Hilfsspannungen , aber niemals die Erzeugung dafür.
mfg.
_________________
Wie der alte Meister schon wußte: Der Fehler liegt meist zwischen Plus und Minus. :-)
Und wenn ich mir nicht mehr helfen kann, schließ ich Plus an Minus an.
|
BID = 164929
chrizz Neu hier

Beiträge: 23
|
perl: Jetzt sehe ich das Problem. Doch etwas komplizierter als ich zuerst dachte, aber wenigstens lernt man was dabei
Als Schaltspannung dachte ich zuerst eigentlich an +5V was in dem Fall nicht funktionieren würde. Zudem möchte ich das danze über einen Ein/Aus Schalter mit integrierter LED bedienen.
Der 4016 passt von der Organisation her Perfekt, deshalb würde ich nun lieber die analoge spannung auf einen positiven Wert anheben.. aber wie genau geht das nun?
|
BID = 164940
perl Ehrenmitglied
       
Beiträge: 11110,1 Wohnort: Rheinbach
|
Zitat :
alpha-ranger hat am 20 Feb 2005 00:18 geschrieben :
|
Hallo,
Einwand: haben solche Pegelwandler an Board.
Niemals. Ein 7660 ist immer erfoderlich.
|
Natürlich benötigt man den 7660 für die Versorgung.
Im Gegensatz zum 4016 kann man 4051..53 aber mit Logikpegeln von Low= Gnd und Hi= +5V ansteuern, obwohl man eine negative Versorgung verwendet.
Der 4066 müßte mit mit Lo=-5V und High=+5V gesteuert werden.
Diese Pegelwandler für die Logikpegel waren gemeint.
Zitat :
chrizz hat am 20 Feb 2005 00:27 geschrieben :
|
Der 4016 passt von der Organisation her Perfekt, deshalb würde ich nun lieber die analoge spannung auf einen positiven Wert anheben.. aber wie genau geht das nun?
|
Verrate uns mal wie die Logiksignale zur Steuerung der Schalter zustande kommen. Dann sehen wir weiter.
_________________
Haftungsausschluß:
Bei obigem Beitrag handelt es sich um meine private Meinung.
Rechtsansprüche dürfen aus deren Anwendung nicht abgeleitet werden.
Besonders VDE0100; VDE0550/0551; VDE0700; VDE0711; VDE0860 beachten !
[ Diese Nachricht wurde geändert von: perl am 20 Feb 2005 1:49 ]
|
BID = 164951
-Linus- Gerade angekommen
Beiträge: 3
|
@Chrizz
Wenn dich die Gleichspannung des Eingangssignales nicht interresiert ->
+5V -> R100K -> 4016 Eingang und R100K ->Masse
Eingangssignal über C0,01mF auf den Eingang koppeln
Ausgang wieder über C0,01mF auskoppeln.
(Dimensionierung ggf. an den Innenwiederstand der Signalquelle und untere Grenzfrequenz anpassen).
-Linus-
|
BID = 165001
chrizz Neu hier

Beiträge: 23
|
Linus: Also das Signal über einen Spannungsteiler auf halbe Betriebsspannung bringen? Habe ein kleines Schema dazu gezeichnet. Probier's gleich mal aus wenn ich die entsprechenden Bauteile finde
Zitat :
| | Verrate uns mal wie die Logiksignale zur Steuerung der Schalter zustande kommen. Dann sehen wir weiter. |
perl: Das Digitale Signal ist Betriebsspannung via mechanischen Schalter. Das Problem ist noch, dass ich dazu eigentlich einen Ein- / Ausschalter mit nur 2 Anschlüssen verwenden will, der auch eine LED zünden soll, der Zustand müsste aber Spannung oder GND sein  geht das irgendwie?
4051..53 sind das Multiplexer? Diese könnte ich ja ggf. über einen GAL anteuern.
|
BID = 165051
perl Ehrenmitglied
       
Beiträge: 11110,1 Wohnort: Rheinbach
|
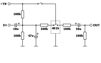
Die Schaltung ist noch nicht ganz korrekt, bzw. hat in dieser Ausführung Schwachstellen wodurch es beim Umschalten imn Lautsprecher krachen kann.
1) Benutze nur einen Spannungsteiler für alle Stufen gemeinsam. Den Mittelpunkt der beiden Widerstände legst du über 47..100µF an Masse.
2) Von der so gewonnen +2,5V Spannung legst du 100k..470k Widerstände an die analogen Ein- und Ausgänge aller Stufen.
3) Auf den dem IC abgewandten Seiten der Koppelkondensatoren, gehören ebenfalls 100k..470k Widerstände nach Masse.
4) Der Elko am Eingang ist falschrum eingezeichnet, und das obere Ende des Spannungsteilers gehört selbstverständlich an +5V und nicht an das Steuersignal !
Soll die LED brennen, wenn +5V am IC-Eingang liegen, oder wenn dort Masse ist ?
_________________
Haftungsausschluß:
Bei obigem Beitrag handelt es sich um meine private Meinung.
Rechtsansprüche dürfen aus deren Anwendung nicht abgeleitet werden.
Besonders VDE0100; VDE0550/0551; VDE0700; VDE0711; VDE0860 beachten !
[ Diese Nachricht wurde geändert von: perl am 20 Feb 2005 15:08 ]
|
BID = 165085
chrizz Neu hier

Beiträge: 23
|
Ok, die Schaltung sieht nun wie folgt aus...
perl: hab ich dich richtig verstanden?
Zitat :
| | 1) Benutze nur einen Spannungsteiler für alle Stufen gemeinsam. |
kappier ich nicht ganz.
Das Problem ist noch, wenn das ganze mit einem Ein- / Ausschalter gehen soll... der IC hat es nicht gerne wenn der Control Pin n/c ist  aber wie kann ich das machen, dass dort wenn keine +5V sind Masse ist (mit diesem Schalter). Schalter hab ich bestellt (war evt. zu voreilig?) hat 4 Anschlüsse wovon 2 für die LED bestimmt.
Besten Dank und Gruss
|