LED-Dimmung in Reihenschaltung

Im Unterforum LED Alles über Leuchtdioden - Beschreibung: Probleme mit Leuchtdioden, LED

Elektronik Forum Nicht eingeloggt       Einloggen       Registrieren




[Registrieren]      --     [FAQ]      --     [ Einen Link auf Ihrer Homepage zum Forum]      --     [ Themen kostenlos per RSS in ihre Homepage einbauen]      --     [Einloggen]

Suchen


Serverzeit: 25 12 2025  05:27:40      TV   VCR Aufnahme   TFT   CRT-Monitor   Netzteile   LED-FAQ   Oszilloskop-Schirmbilder            


Elektronik- und Elektroforum Forum Index   >>   LED Alles über Leuchtdioden        LED Alles über Leuchtdioden : Probleme mit Leuchtdioden, LED

Autor
LED-Dimmung in Reihenschaltung
Suche nach: led (32778)

    







BID = 163330

Icebear1975

Gerade angekommen


Beiträge: 1
Wohnort: Kempten
 

  


Hallo zusammen!
Bin noch Anfänger und habe zu einem Schaltplan zur LED-Dimmung noch ein paar Fragen.
Ich habe andere LEDs als die, für welche der Schaltplan entworfen wurde. Allerdings blicke ich nicht ganz durch was ich an diesem Schaltplan ändern muß um meine LEDs verwenden zu können.
Könntet mir bitte jemand dabei behilflich sein?
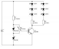
Hier mal der Schaltplan um den es geht:
Bild eingefügt

Dieser Plan ist aus dem Thread "Anfängerschaltung. Richtig so?" und wurde von Hannoban beigesteuert.
Ausgelegt wurde er für LEDs mit 3,6V und 30mA.

Ich denke jetzt mal der R2 gilt ja als Vorwiderstand für die LEDs, also müßte ich den Wert auf meine LEDs anpassen (normale Vorwiderstandsberechnung). Lieg ich soweit richtig?

Mein Problem ist, dass meine LEDs nicht 30mA, sondern 20mA haben. Was müßte ich an dieser Schaltung dann noch ändern um meine LEDs nicht zu verbraten wenn ich den Poti ganz hochdrehe (da hat diese Schaltung dann ja bis zu 27mA wenn ich es richtig verstanden habe)?

Dann hab ich aber noch die Problematik mehrere LED-Stränge parallel anschließen zu müssen (natürlich jeder Strang mit eigenem Vorwiderstand). Wenn ich jetzt von dem T1 weg in Richtung LEDs mehrere Stränge setze, dann wäre der R2 in jedem Strang auf der Seite der LEDs. Hab den Plan mal dahin abgeändert (Wert von R2 müsste ich dann halt noch berechnen). Bild siehe unten

Geht das so oder muß ich in jeden Strang einen T1 setzen der an den Poti angeschlossen wird?

Noch eine letzte Frage:
Wie hoch sollte der Vorwiderstand denn unbedingt sein? Hab darüber nichts rausgefunden. Ich hab gedacht, wenn ich 6 LEDs mit jeweils 2V an eine 12 Volt Stromquelle anschließe, dann könnt ich ja theoretisch nur nen 1 Ohm Widerstand verbauen, damit halt wenigstens einer drin ist. Ganz ohne Widerstand ist ja anscheinend nicht so gut wie ich hier schon ein paarmal gelesen habe.

Wäre echt super wenn mir da jemand helfen könnte.

Viele Dank schonmal für Eure Bemühungen.




Zurück zur Seite 1 im Unterforum          Vorheriges Thema Nächstes Thema 


Zum Ersatzteileshop


Bezeichnungen von Produkten, Abbildungen und Logos , die in diesem Forum oder im Shop verwendet werden, sind Eigentum des entsprechenden Herstellers oder Besitzers. Diese dienen lediglich zur Identifikation!
Impressum       Datenschutz       Copyright © Baldur Brock Fernsehtechnik und Versand Ersatzteile in Heilbronn Deutschland       

gerechnet auf die letzten 30 Tage haben wir 18 Beiträge im Durchschnitt pro Tag       heute wurden bisher 2 Beiträge verfasst
© x sparkkelsputz        Besucher : 187924931   Heute : 2014    Gestern : 17227    Online : 271        25.12.2025    5:27
22 Besucher in den letzten 60 Sekunden        alle 2.73 Sekunden ein neuer Besucher ---- logout ----viewtopic ---- logout ----
xcvb ycvb
0.0689051151276