| Autor |
|
Jalousiemotoren Paralellschaltung sehr merkwürdig |

|
|
|
|
BID = 144149
alpha-ranger Schreibmaschine
    
Beiträge: 1517 Wohnort: Harz / Heide
|
|
Hallo,
bei euren Schaltungen fehlen die Endschalter der jeweiligen Jalousien.
Erst wenn einer der Endschalter öffnet wird die Sache ernst.
Dann fließt ein Teil des Stromes von dem anderen Motor zurück.
mfG. |
|
BID = 144159
wolfran Gerade angekommen
Beiträge: 17
|
|
Liebe Helfer,
danke fuer die vielen Vielen und vor allem schnellen Infos und Antworten.
Ich hatte mir in der Tat die Schaltungen so aufgemalt wie Ihrs auch gemacht hattet, aber eins vergessen: Wie auch Ltof geschrieben hatte : "wenn man die Endschalter einzeichnet", denn dies hatte ich einfach übersehen. Klar dann bekommt der letzte Motor noch über die beiden Wicklungen des abgeschalteten Motors Strom auf die jeweils andere Richtung/Wicklung und er bleibt stehen. Wenn er läuft verhindert der Innnwiderstand des Stromnetzes, dass der Nebenstrom eine Rolle spielt.
Ihr werdet mich wahrscheinlich für bescheuert oder unfähig erklären,so eine Frage hier gestellt zu haben. Weil ich gebts ungern zu ich eigentlich Elektro-Ing. bin. Aber ich hatte wohl einfach ein Brett vorm Kopf. Ob man allerdings für das Verständnis eines Kondensators (und die damit verbundene Phasenverschiebung etc) 3 Jahre lernen muss halte ich zumindest für erklärungsbedürftig.
Aber nix für Ungut, jetzt kann ich endlich frohen Mutes an meine automatische Jalosuiensteuerung anfangen.
 |
|
BID = 144164
Ltof Inventar
     
Beiträge: 9386 Wohnort: Hommingberg
|
Zitat :
|
...Wie auch Ltof geschrieben hatte : "wenn man die Endschalter einzeichnet"...
|
Das war nicht von mir - ich will mich ja nicht mit fremden Federn schmücken (lassen).
Das Lob von Blademaker nehme ich allerdings gerne entgegen.
Wobei ich mich doch selbst gewundert hatte, wie schnell mir das gekommen ist. Normalerweise denke ich als alter Ing. zu kompliziert oder habe auch mal ein Brett vor dem Kopf.
Es muss wohl daran liegen, dass meine Freundin mir unbedingt beim Löten helfen und auch vieles erklärt haben wollte.
Jedenfalls freut es mich, dass die Sache aufgeklärt ist und wolfran jetzt weiter kommt.
Gruß,
Ltof
_________________
„Schreibe nichts der Böswilligkeit zu, was durch Dummheit hinreichend erklärbar ist.“
(Hanlon’s Razor)
|
BID = 144194
blademaker Schriftsteller
    
Avatar auf fremdem Server ! Hochladen oder per Mail an Admin
Beiträge: 587 Wohnort: Schwalmstadt
|
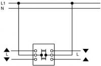
Gut da wir ja jetzt klar gestellt haben da wohl doch alle vom Fach sind  können wir die Sache doch auch ganz richtig stellen, oder?
Ich habe die "falsche" Zeichnung nochmal korrigiert und den Fehlerfall so eingezeichnet wie ich denke das er eintritt.
Da sich ja nun auch zwei Ing. hier beteiligen, wäre es schön wenn mein Gedankengang bestätigt wird.
Also bei Motor1 (M1) ist der Endschalter erreicht und geöffnet. durch die Verbindung der beiden Seiten kommt nun rückwirkend über die eine Motorwicklung von M1 N-Potential (blau eingezeichnet) auf den Kondensator von Motor2 (M2), sodass dieser keine Phasenverschiebung für den Motor mehr geben kann und er nur Spannung auf seiner linken Wicklung hat und deshalb stehen bleibt und schmerzverzerrt  brummt.
|
BID = 144200
Ltof Inventar
     
Beiträge: 9386 Wohnort: Hommingberg
|
Zitat :
|
Da sich ja nun auch zwei Ing. hier beteiligen, wäre es schön wenn mein Gedankengang bestätigt wird.
|
Im Prinzip würde ich das bestätigen, mit einer Einschränkung:
M2 ist nicht ganz ohne Phasenverschiebung, sondern mit einer undefinierten, die sich aus seinen eigenen Impedanzen und den fälschlicherweise hinzugeschalteten Impedanzen von M1 ergibt.
Undefiniert ist eigentlich auch nicht ganz richtig, denn man könnte es ja exakt berechnen - doch das erspare ich mir jetzt.
Gruß,
Ltof
_________________
„Schreibe nichts der Böswilligkeit zu, was durch Dummheit hinreichend erklärbar ist.“
(Hanlon’s Razor)
|
BID = 147857
12stefan12 Gerade angekommen
Beiträge: 6
|
Hallo,
es gibt Rolloschalter mit Drehknebel (z.B. von Merten, Jung) mit denen man zwei Motoren gleichzeitig ohne zusätzliches Relais fahren kann.
|
BID = 148111
kaot Stammposter
    Beiträge: 228 Wohnort: Hamburg
|
hallo,Stefan kannstDu mir die Type nennen,es müßten 2polige Schalter sein .
mfG K
|
BID = 148225
Schusi Gelegenheitsposter
 
Beiträge: 51 Wohnort: Biebelsheim
|
Hi!
Was für ne Disskussion wieder -->
Für die Lösung des Problems gibt es doch die sogenannten "Trennrelais" die gibt es fertig eingebaut in einer AP-Dose. Die beiden Motoren einfach in der Dosen auf der Platine des Trennrelais anklemmen und Fertig! Wo liegt da das Problem ???
Das sollte eigentlich alles sein
[ Diese Nachricht wurde geändert von: Schusi am 9 Jan 2005 23:54 ]
|
BID = 148243
blademaker Schriftsteller
    
Avatar auf fremdem Server ! Hochladen oder per Mail an Admin
Beiträge: 587 Wohnort: Schwalmstadt
|
@ 12stefan12
könntest du mir dafür eventuell die Artikelnummern geben, ich kann bei Merten diese Schalter nicht finden. (Jung wird hier fast nie verwendet, hab ich auch gar kein Katalog für)
@ Schusi
die Diskussion ist doch schon längst erledigt und alles ist geklärt, die Antwort mit den Relais wurde auch schon genannt, also ???
|
BID = 148268
Kabelschreck Gesprächig
  
Beiträge: 167
|
Hey
Zitat :
| Hallo,
es gibt Rolloschalter mit Drehknebel (z.B. von Merten, Jung) mit denen man zwei Motoren gleichzeitig ohne zusätzliches Relais fahren kann.
|
Ich wälze gerade den Jung-Katalog. Nix zu finden. Bitte mal nähere Infos
By KS
PS: Gerade gefunden. Meinst du diese
Jung ArtNr. 234.20
Merten ArtNr: 3172 00
[ Diese Nachricht wurde geändert von: Kabelschreck am 10 Jan 2005 7:27 ]
|
BID = 148272
Kabelschreck Gesprächig
  
Beiträge: 167
|
Hey
Bei BJ sogar eine Info gefunden.
Zitat :
| Unterputz-Einsätze
Jalousieschaltgeräte
Jalousietaster-Einsatz
2-polig
Bauart: Unterputz
Mit Drehgriff/Taster.
Nennspannung: 250 V~
Nennstrom: 10 A
IEC60669-1, British Standard EN 60669-1
Nur in Verbindung mit handelsüblichen UP-Gerätedosen nach DIN 49073, Teil 1, montieren.
Mit diesen Jalousieschaltern/-tastern wird ein zu schnelles Umschalten der Laufrichtung verhindert.
Auch zur Ansteuerung von Gleichspannungsantrieben geeignet.
Artikel-Nr. 2722 U
Bestell-Nr. 1101-0-0559
EA-Nr. 4011395041000
|
|
BID = 148430
SPS Schreibmaschine
    
Beiträge: 2848
|
|
BID = 148437
12stefan12 Gerade angekommen
Beiträge: 6
|
Merten Nr.:3185 01 eigentlicher Hersteller Jung
Zentralplatte z.B.3172 39 (M1pw).
[ Diese Nachricht wurde geändert von: 12stefan12 am 10 Jan 2005 17:36 ]
|
BID = 148444
pwk20 Stammposter
    Beiträge: 203
|
Habe mit den Trennrelais bisher keine so guten Erfahrungen gemacht, es kommt immer wieder vor, daß ein Relais "kleben" bleibt und dann die Jalousie in einer Lage blockiert wird.
Suche selber noch nach einer besseren Lösung, habe aber noch keine Idee...
|
BID = 148600
Kabelschreck Gesprächig
  
Beiträge: 167
|
Hey
@SPS
ein Link mit ner Session ID brauchste nicht posten. Deine Session auf der Seite ich längst abgelaufen  Kommst dann meist eh auf der Startseite raus.
Es gibt doch genug Hersteller mit verschiedenen Jalousimanagmentsystemen.
Empfehlen kann ich EIB (sehr teuer)
oder die Preiswertere Variante PHC (von Peha). Wer das dann noch kombiniert mit Fensterauf und Heizungzu und ner Lichtsteuerung (so wie ich  ) hat dorwegen schon ein bissel elektrischen komfort.
By KS
|