| Autor |
|
|
|
BID = 139336
robodriver Stammposter
    Beiträge: 217
|
|
Also ich werd heut Nachmittag mal nen Bild davon Machen.
Die Kondensatoren haben 100%ig 22pF, sind neu bei Conrad !!TEUER!! gekauft. Genauso ist es mit dem Quarz (4MHZ). Einen Oszillator hab ich nicht.
Seht euch morgen einfach mal das Bild an. |
|
BID = 139339
Midnight Stammposter
   
Beiträge: 256
|
|
Hallo,
bist Du Dir sicher, das Dein Programm wirklich auf dem 1200ér ist?
Denn wenn Dein Reset fest auf +5V ist, wie bekommt dann Dein Programmer den zum Programmieren nötigen Reset hin?
Zur Dimensionierung des Pullup... so 4k7 bis 10k, je nach dem was gerade zur Hand ist.
Von Reset nach +5V.
Gruß
Simon
[ Diese Nachricht wurde geändert von: Midnight am 15 Dez 2004 7:30 ] |
|
BID = 139427
robodriver Stammposter
    Beiträge: 217
|
Nein, der Reset ist natürlich nicht fest an VCC, sondern nur wenn das Programm laufen soll. (Mache ich dann erst dran).
Aber meine Hauptfrage ist ja immernoch (um herauszufinden ob es am Takt liegt) : kann ich einfach einen Rechtecktakt (5V) auf XTAL 1 geben? Ohne das was passiert?
Zitat :
| bist Du Dir sicher, das Dein Programm wirklich auf dem 1200ér ist?
|
Wenn ich sp12 -rp eingebe sehe ich doch das programm auf dem µC!!!!!!!!!! Also es ist 100%ig drauf.
|
BID = 139442
perl Ehrenmitglied
       
Beiträge: 11110,1 Wohnort: Rheinbach
|
Du kannst da natürlich ein Rechtecksignal anlegen, aber wenn der interne RC-Oszillator aktiviert ist, interessiert das den µC nicht.
Kannst die die Fuse-Bits auslesen ?
Wenn Bit0 auf 0 steht, dann ist der interne Oszillator aktiv, sonst der externe.
_________________
Haftungsausschluß:
Bei obigem Beitrag handelt es sich um meine private Meinung.
Rechtsansprüche dürfen aus deren Anwendung nicht abgeleitet werden.
Besonders VDE0100; VDE0550/0551; VDE0700; VDE0711; VDE0860 beachten !
|
BID = 139526
MinceR Stammposter
   
Beiträge: 277
|
er programmeirt mit sp12, also via spi. kein parallel programming.. ich hab in erinnerung das man die aber auch mit sp12 setzen und auslesen kann. kanns aber nicht garantieren. muss eben nochmal das datenblatt überfliegen.
der reset wird normalerweise wie folgt verbunden (einfache schaltung)
vcc -> widerstand -> .. kondensator -> gnd
zwischen wiederstand und kondensator, da kommt der reset dran. somit gibste saft auf die platine, kondensator ist leer und reset liegt so auf gnd(reset ist aktiv)
der kondensator füllt sich über den widerstand . wenn kondensator voll (bzw ab x volt) ist der reset H und somit ist der reset aus und dein programm fängt ab speicherstelle 0 an zu rödeln.
ohne den reset beim einschalten ist nicht gewährleistet das er bei der ersten speicherstelle anfängt. hab ich zumindest so in erinnerung..
es gibt verschiedene schaltungen am reset. z.b. das oben genannte und gleichzeitig eine schaltung die ihn resetet falls die spannung VCC zu doll abfällt (also unter das minimum) nennt sich dan meines wissens nach brown out detection. haben manche AVRs auch schon intern verbaut.
müsste aber auch alles im datenblatt zu finden sein.(auch die schaltung am reset.)
|
BID = 139622
Jornbyte Moderator
      
Beiträge: 7315
|
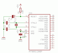
Der Oszi seht auf Extern. Auch neue 1200'er haben entgegen den Angaben des Datenblattes diese Einstellung. Anbei die Quarz und Resetbeschaltung.
_________________
mfg Jornbyte
Es handelt sich bei dem Tipp nicht um eine Rechtsverbindliche Auskunft und
wer Tippfehler findet, kann sie behalten.
|
BID = 139627
perl Ehrenmitglied
       
Beiträge: 11110,1 Wohnort: Rheinbach
|
Zitat :
| | Der Oszi seht auf Extern. Auch neue 1200'er haben entgegen den Angaben des Datenblattes diese Einstellung |
Dann sollten sie das Suffix A haben. Hast du etwa solche ?
Ich habe noch einige der 16MHz Typen und die laufen definitiv mit internem RC-Oszillator.
Bei meinen SMD-Versionen habe ich noch nicht nachgesehen.
_________________
Haftungsausschluß:
Bei obigem Beitrag handelt es sich um meine private Meinung.
Rechtsansprüche dürfen aus deren Anwendung nicht abgeleitet werden.
Besonders VDE0100; VDE0550/0551; VDE0700; VDE0711; VDE0860 beachten !
|
BID = 139631
Jornbyte Moderator
      
Beiträge: 7315
|
Nö, von A keine Rede. Seltsam....
_________________
mfg Jornbyte
Es handelt sich bei dem Tipp nicht um eine Rechtsverbindliche Auskunft und
wer Tippfehler findet, kann sie behalten.
|
BID = 139724
robodriver Stammposter
    Beiträge: 217
|
Nagut, das mit dem Reset hab ich kapiert.
Bin auch der meinung, das mein µC auf externen Takt geschalten ist, denn wie gesagt: Wenn ich den Quarz abnehme erkennt mein Rechner ihn garnicht mehr.
Wie kann ich den µC denn nun Extern mit einem Hand-Taster Takten???
PS: Hier noch die Bilder meiner Platine (Richtig verbaut ist sie, habs schon Tausendmal durchgemessen)
Hochgeladene Datei ist grösser als 300000 . Deswegen nicht hochgeladen
|
BID = 139725
robodriver Stammposter
    Beiträge: 217
|
Dann eben so: (Bild)
Hochgeladene Datei ist grösser als 300000 . Deswegen nicht hochgeladen
|
BID = 139726
robodriver Stammposter
    Beiträge: 217
|
MAN!!! Habs kleiner gemacht: (Auf den Kondensatoren steht übrigens : 22J
|
BID = 139727
robodriver Stammposter
    Beiträge: 217
|
|
BID = 139816
perl Ehrenmitglied
       
Beiträge: 11110,1 Wohnort: Rheinbach
|
Einen direkten Fehler seh ich: Es ist kein HF-geeigneter Kondensator für die Versorgungsspannung vorhanden.
Bitte löte einen 100nF Keramikkondendsator von +5V nach GND so kurz wie möglich am Prozessor an. Am besten auf der Unterseite einfach querdrüber.
Streifenrasterplatinen sind für HF nicht das Gelbe vom Ei. Da können die Leiterbahnen leicht mehr Kapazität haben als die Kondensatoren. Der Aufbau Quarz + Kondensatoren sollte also so eng wie möglich am Prozessor sein, überstehende Enden der Streifen dann abschneiden.
Evtl hast du aber auch einen Kurzschluß. Wenn du die obigen Änderungen gemacht hast, und es dann noch nicht geht, miß einmal die Gleichspannungen an allen beteiligten Anschlüssen direkt am Prozessor (GND, +5V, X1, X2 , Reset den beiden Portpins). Ich habe schon öfter IC-Fassungen gehabt bei denen, völlig unsichtbar, der Kontakt oberhalb der Platine abgebrochen war.
_________________
Haftungsausschluß:
Bei obigem Beitrag handelt es sich um meine private Meinung.
Rechtsansprüche dürfen aus deren Anwendung nicht abgeleitet werden.
Besonders VDE0100; VDE0550/0551; VDE0700; VDE0711; VDE0860 beachten !
|
BID = 139988
robodriver Stammposter
    Beiträge: 217
|
Die Verbindungen stimmen wiegesagt alle.
Das mit den Leiterbahnen-das die ne Kapazität sind auch.
Wie groß muss die Spannung an X1, X2 , Reset sein?
|
BID = 140044
perl Ehrenmitglied
       
Beiträge: 11110,1 Wohnort: Rheinbach
|
Zitat :
| | Verbindungen stimmen wiegesagt |
Eben nicht !
Wo ist der 100nF Kondensator und was ist mit den langen Enden ?
Reset sollte +5V haben, X1 und X2 etwa halbe Betriebsspannung.
_________________
Haftungsausschluß:
Bei obigem Beitrag handelt es sich um meine private Meinung.
Rechtsansprüche dürfen aus deren Anwendung nicht abgeleitet werden.
Besonders VDE0100; VDE0550/0551; VDE0700; VDE0711; VDE0860 beachten !
|