| Autor |
Schaltung "heißer draht" mit Hand [bei berührung alarm] Suche nach: schaltung (31744) |
|
|
|
|
BID = 129400
cob17 Gerade angekommen
Avatar auf fremdem Server ! Hochladen oder per Mail an Admin
Beiträge: 14 Wohnort: D
|
|
ich suche für im einzelhandel stehenden display (also, dort wo verkaufsgegenstände aufgehangen werden) eine art alarmanlage, die bei berührung ausschlägt (per pieper)... also kurz gesagt: heißer draht mit handberührung. als leiter des "heißen drahts" wird entweder eine art kupferspray oder eine richtige (offene) leitung verwendet.
ich habe in der suche dieses forums leider zu diesem punkt nichts gesehen.
zu mir: ich bin gitarrenelektrotechnisch ganz gut drauf, wie ein transistor/röhre funzt, weiß ich auch noch, aber wenns dann weiter geht, muss ich gestehen, dass ich da leider nicht so viel ahnung hab. doch ich bin durchaus interessiert
_________________
ähm, weiß jetzt auch nicht... |
|
BID = 129403
Her Masters Voice Inventar
     
Avatar auf fremdem Server ! Hochladen oder per Mail an Admin
Beiträge: 5312 Wohnort: irgendwo südlich von Berlin
|
|
Moin Moin.
Wie wärs mit nem kapazitiven Sensor? Dann muss nichtmal direkt berührt werden. Guck mal hier:
http://www.qsl.net/dk5ke/csensor.html
_________________
Tschüüüüüüüs
Her Masters Voice
aka
Frank
***********************************
Der optimale Arbeitspunkt stellt sich bei minimaler Rauchentwicklung ein...
*********************************** |
|
BID = 129435
Electronicfox Schreibmaschine
    
Beiträge: 1634 Wohnort: hamburg
|
Versuche es mal damit.
[ Diese Nachricht wurde geändert von: Electronicfox am 18 Nov 2004 11:46 ]
|
BID = 129438
Electronicfox Schreibmaschine
    
Beiträge: 1634 Wohnort: hamburg
|
Und das Schaltbild
_________________
Es ist nicht mein Ziel mit dem Kopf durch die Wand zu gehen, sondern mit den Augen eine Tür zu finden. Also warum kompliziert, wenn’s einfach geht.
|
BID = 129509
Morgoth Schreibmaschine
    
Beiträge: 2930 Wohnort: Rockenhausen (Pfalz)
|
Hi
Also ich würd nen Operationsverstärker nehmen, höchste verstärkung einstellen (vllt sogar als schmitttrigger), den eingang als sensor nehmen, und an den ausgang nen piezopiepser ranhängen das heißt aber du brauchst entweder ne restwelligkeit in deiner stromversorgung, oder du musst den piepser über nen ne555 ansteuern oder eben nen "selbstpiepsenden" piepser
kosten für diesen aufbau dürften sich ohne stromversorgung auf um die 4-5 euro belaufen (nur weil die sch... piezopiepser so teuer sind)
_________________
Es irrt der Mensch solang er strebt
[ Diese Nachricht wurde geändert von: Morgoth am 18 Nov 2004 14:45 ]
|
BID = 129562
Morgoth Schreibmaschine
    
Beiträge: 2930 Wohnort: Rockenhausen (Pfalz)
|
axo, meine schaltung schlägt natürlich bei berührung mit handschuhen leider nicht an, wie das bei den anderen ist weiß ich nicht
_________________
Es irrt der Mensch solang er strebt
|
BID = 129566
DonComi Inventar
     
Beiträge: 8604 Wohnort: Amerika
|
Am einfachsten wäre eine Lichtschranke.
_________________
|
BID = 129648
Corradodriver Schreibmaschine
    
Beiträge: 1131
|
Radarsensor?!?! Müsste doch machbar sein. Richtig eingestellt..........
|
BID = 129732
Otiffany Urgestein
     
Beiträge: 13779 Wohnort: 37081 Göttingen
|
Hi,
ich habe eine Schaltung gefunden, die zwar schon vor vielen Jahren entworfen wurde, die aber evtl. Deine Forderung erfüllen könnte.
Den Fet wird es wohl nicht mehr geben, aber ein anderer tut es auch.
Die Schaltung ist für die Ansteuerung eines Minispions gedacht, aber den brauchst Du ja nicht.
Gruß
Peter
Hochgeladene Datei ist grösser als 300000 . Deswegen nicht hochgeladen
|
BID = 129753
Otiffany Urgestein
     
Beiträge: 13779 Wohnort: 37081 Göttingen
|
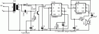
Irgendwann werd ich es noch lernen.
Hier die Schaltung 1.
Gruß
Peter
|
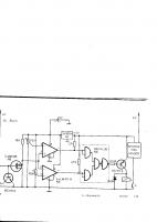
BID = 129754
Otiffany Urgestein
     
Beiträge: 13779 Wohnort: 37081 Göttingen
|
Und hier die zweite Seite.
|
BID = 129817
cob17 Gerade angekommen
Avatar auf fremdem Server ! Hochladen oder per Mail an Admin
Beiträge: 14 Wohnort: D
|
kann mir jemand idiotensicher erklären, was da genau passiert? ich weiß, ich sollte mich mit den grundlagen der physik auseinandersetzen, was ich auch schon länger mache, aber irgendwie versteh ich trotzdem noch nicht, warum diesen oben genannte schaltung funktioniert...
groetjes cob
_________________
ähm, weiß jetzt auch nicht...
|
BID = 129818
Otiffany Urgestein
     
Beiträge: 13779 Wohnort: 37081 Göttingen
|
Hi,
das steht doch in der Beschreibung!
Gruß
Peter
|