Frequenzvergleich mit NE567 über IR

Im Unterforum Alle anderen elektronischen Probleme - Beschreibung: Was sonst nirgendwo hinpasst

Elektronik Forum Nicht eingeloggt       Einloggen       Registrieren




[Registrieren]      --     [FAQ]      --     [ Einen Link auf Ihrer Homepage zum Forum]      --     [ Themen kostenlos per RSS in ihre Homepage einbauen]      --     [Einloggen]

Suchen


Serverzeit: 28 12 2025  14:04:38      TV   VCR Aufnahme   TFT   CRT-Monitor   Netzteile   LED-FAQ   Oszilloskop-Schirmbilder            


Elektronik- und Elektroforum Forum Index   >>   Alle anderen elektronischen Probleme        Alle anderen elektronischen Probleme : Was sonst nirgendwo hinpasst


Autor
Frequenzvergleich mit NE567 über IR

    







BID = 100132

Beckx-Net

Neu hier

Beiträge: 25
Wohnort: OHZ
 

  


Hi Leute,
Ich habe vor mit einem IR-Sender eine bestimmt Frequenz z.B. 3000MHz zu senden und diese dann über einen NEE567 mit einer anderen Frequenz zu vergleichen, wenn die Eingangsfrequenz mit der Ausgangsfrequenz übereinstimmt, soll eine Digitalausgang gesteuert werden.

1.Problem wie sende ich über eine IR-Diode einen Takt mit 3000MHz? (am besten mit hilfe eines Quarzes)

2.Problem wie baue ich den Vergleicher mit dem NE567?

Danke schonmal für eure hilfe
Gruß Beckx
www.Beckx.net

BID = 100140

tixiv

Schreibmaschine



Beiträge: 1492
Wohnort: Gelsenkirchen

 

  

Hm, also 3000MHz ist jetz doch mal ein bisschen viel - Da kannst Du die IR Sendediode auch gleich weglassen, da kommt ohne am Empfänger nooch genausoviel an .
Ich würde mal so 20-100 KHz als Frequenzbereich empfehlen.
Die IR Sendedioden ansteuern kannst Du mit nem NE555.

Wie man Schaltungen mit dem 555 und dem 567 Baut steht in deren Datenblättern - schau doch da mal rein!

BID = 100158

Beckx-Net

Neu hier

Beiträge: 25
Wohnort: OHZ

So gemacht getan, habe mir ne NE555 vorgenommen und takte nun die IR-Diode mit 22kHz. Wie ich den Vergleicher baue mit dem NE567 weiß ich aber immer noch net. Aus dem Datenblatt wird man nicht so richtig schlau. Vielleicht kann einer ja mal ne Schaltung hier aufmalen ;-)

BID = 102068

Beckx-Net

Neu hier

Beiträge: 25
Wohnort: OHZ

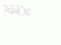
Hi Leute, ich habe das Problem mit dem NE567 immer noch nicht in den Griff bekommen, ich habe folgeden Schaltung aufgebaut (Siehe Anhang) Schaltung ist aus dem Datenblatt, ich denke aber nicht das es so richtig ist. Bei einer Frequenz von 1 kHz soll der Vergleicherausgang von 0 auf 1 gehen. Bitte um hilfe, habe sonst nix zu diesem Thema gefunden.

Gruß Beckx
www.beckx.net



BID = 102137

perl

Ehrenmitglied



Beiträge: 11110,1
Wohnort: Rheinbach


Zitat :
Schaltung ist aus dem Datenblatt, ich denke aber nicht das es so richtig ist.

Warum soll die Schaltung falsch sein, wenn sie aus dem Datenblatt stammt ?

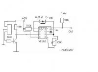
Die IR-Empfänger haben oft Open-Collektor Ausgänge, und deshalb tust du sicher gut daran dort eine Pullup Widerstand vorzusehen.
Das gleiche gilt für den NE567. Auch er braucht einen Pullup Widerstand am Ausgang.

Ich bin aber nicht sicher, ob du verstanden hast, wie du die LED betreiben mußt.
Du mußt sie mit 36kHz betreiben, sonst sieht der TSOP sie überhaupt nicht.
Dieses 36KHz Signal müßtest du mit 1kHz in Scheibchen schneiden, damit der NE567 es auswerten kann.



_________________
Haftungsausschluß:



Bei obigem Beitrag handelt es sich um meine private Meinung.



Rechtsansprüche dürfen aus deren Anwendung nicht abgeleitet werden.



Besonders VDE0100; VDE0550/0551; VDE0700; VDE0711; VDE0860 beachten !

BID = 102167

Beckx-Net

Neu hier

Beiträge: 25
Wohnort: OHZ

Also die 1kHz frequenz kommt am NE 567 an. Am Output habe ich einen Pullup widerstand gelötet. Nun haut das aber mit dem Vergleichen nicht hin.
Die Vorgabefrequenz stelle ich mit einem Poti ein, bis ich meine 1kHz habe, nun sollte doch eigendlich der Ausgang auf Hi gehen!! Am Ausgang liegt aber ein Gemisch aus Sendefreq. und Vorgabefreq. Wenn die die Sendefreq. wegnehme liegt dauerhaft meine Vorgabefreq. auf dem Ausgang.
Finde ich alles sehr merkwürdig, die Schaltung siehe Anhang.




Zurück zur Seite 1 im Unterforum          Vorheriges Thema Nächstes Thema 


Zum Ersatzteileshop


Bezeichnungen von Produkten, Abbildungen und Logos , die in diesem Forum oder im Shop verwendet werden, sind Eigentum des entsprechenden Herstellers oder Besitzers. Diese dienen lediglich zur Identifikation!
Impressum       Datenschutz       Copyright © Baldur Brock Fernsehtechnik und Versand Ersatzteile in Heilbronn Deutschland       

gerechnet auf die letzten 30 Tage haben wir 17 Beiträge im Durchschnitt pro Tag       heute wurden bisher 4 Beiträge verfasst
© x sparkkelsputz        Besucher : 187989269   Heute : 8495    Gestern : 11123    Online : 303        28.12.2025    14:04
34 Besucher in den letzten 60 Sekunden        alle 1.76 Sekunden ein neuer Besucher ---- logout ----viewtopic ---- logout ----
xcvb ycvb
0.0263140201569