Grundlagen - PNP Verstärkerstufe

Im Unterforum Grundlagen - Beschreibung: Grundlagen und Fragen für Einsteiger in der Elektronik

Elektronik Forum Nicht eingeloggt       Einloggen       Registrieren




[Registrieren]      --     [FAQ]      --     [ Einen Link auf Ihrer Homepage zum Forum]      --     [ Themen kostenlos per RSS in ihre Homepage einbauen]      --     [Einloggen]

Suchen


Serverzeit: 29 12 2025  09:04:01      TV   VCR Aufnahme   TFT   CRT-Monitor   Netzteile   LED-FAQ   Oszilloskop-Schirmbilder            


Elektronik- und Elektroforum Forum Index   >>   Grundlagen        Grundlagen : Grundlagen und Fragen für Einsteiger in der Elektronik


Autor
Grundlagen - PNP Verstärkerstufe
Suche nach: verstärkerstufe (111)

    







BID = 98152

Muuu

Gelegenheitsposter

Beiträge: 74
Wohnort: Kärnten
ICQ Status  
 

  


Hallöchen !

Ich hab mal eine Frage welche eher Grundwissen darstellen.

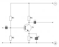
1.) PNP Verstärkerstufe

Ich brauch nen "Plan" von einer PNP Verstärkerstufe, und wie diese funktioniert. NPN is mir ja bewusst, aber kann ich zb. wenn ich ne Emitterschaltung mit einem NPN Transistor hab, einfach nen PNP reinbauen ?!
Und zweiteres was die Grundlage des Transistors angeht: Ich weiss ja das Transistoren Strom verstärken können - doch wie kann man eine Spannungsverstärkung erreichen ?! Bzw. wie kann man diese berechnen ?!


Das zweite hier hat sich schon erledigt, dennoch danke !

*******

Gegoogelt hab ich ja bereits nach div. Themen .. doch das einzige wo ich immer finde sind besch******* auf Kommerz ausgelegte Händler, Stundenplänen von div. Unis, oder sonstiges unbrauchbaren Müll halt.

Ich wäre für alle Tipps sehr dankbar !



[ Diese Nachricht wurde geändert von: Muuu am  4 Sep 2004 11:43 ]

BID = 98209

T.P.

Gelegenheitsposter



Beiträge: 56

 

  

wenn du bei einer emmiterschaltung einen PNP-Transistor statt einem NPN nehmen willst, must du einfach die Betriebsspannung des Verstärker umpolen.



BID = 98353

Muuu

Gelegenheitsposter

Beiträge: 74
Wohnort: Kärnten
ICQ Status  

Tja sowas in der Art hab ich mir eh wohl gedacht !!

Du danke dir !!


Zurück zur Seite 1 im Unterforum          Vorheriges Thema Nächstes Thema 


Zum Ersatzteileshop


Bezeichnungen von Produkten, Abbildungen und Logos , die in diesem Forum oder im Shop verwendet werden, sind Eigentum des entsprechenden Herstellers oder Besitzers. Diese dienen lediglich zur Identifikation!
Impressum       Datenschutz       Copyright © Baldur Brock Fernsehtechnik und Versand Ersatzteile in Heilbronn Deutschland       

gerechnet auf die letzten 30 Tage haben wir 17 Beiträge im Durchschnitt pro Tag       heute wurden bisher 1 Beiträge verfasst
© x sparkkelsputz        Besucher : 187998394   Heute : 2409    Gestern : 15227    Online : 171        29.12.2025    9:04
3 Besucher in den letzten 60 Sekunden        alle 20.00 Sekunden ein neuer Besucher ---- logout ----viewtopic ---- logout ----
xcvb ycvb
0.027398109436