+/-15V (stabilisiert) aus +12V

Im Unterforum Alle anderen elektronischen Probleme - Beschreibung: Was sonst nirgendwo hinpasst

Elektronik Forum Nicht eingeloggt       Einloggen       Registrieren




[Registrieren]      --     [FAQ]      --     [ Einen Link auf Ihrer Homepage zum Forum]      --     [ Themen kostenlos per RSS in ihre Homepage einbauen]      --     [Einloggen]

Suchen


Serverzeit: 17 12 2025  19:11:30      TV   VCR Aufnahme   TFT   CRT-Monitor   Netzteile   LED-FAQ   Oszilloskop-Schirmbilder            


Elektronik- und Elektroforum Forum Index   >>   Alle anderen elektronischen Probleme        Alle anderen elektronischen Probleme : Was sonst nirgendwo hinpasst

Gehe zu Seite ( 1 | 2 Nächste Seite )      


Autor
+/-15V (stabilisiert) aus +12V

    







BID = 90540

TobWen

Neu hier



Beiträge: 47
 

  


Hallo,

ich bin auf der Suche nach einem Schaltplan für einen Spannungswandler, welcher aus einer Steckernetzteil-Spannung von 12V eine stabilisierte Spannung von +/-15V erzeugt.

Die meisten Steckernetzteile sind leider nicht stabilisert, also sollte die Schaltung das Ganze auch noch stabilisieren.

Leistung: 200 - 300mA

Im Anschluss verwende ich dann diese Schaltung für die 48V:
http://www.elektronik-kompendium.de/public/schaerer/dcdc48v.htm

Würde mich über Rückantworten freuen.
Falls es nicht unentgeldlich ausfällt, bitte PM an mich!

Grüße
Tobias

BID = 90544

sam2

Urgestein



Beiträge: 35321
Wohnort: Franken (bairisch besetzte Zone)

 

  

Hallo Tobias,

irgendwie verstehe ich Deine Aufgabenstellung nicht ganz:

Du möchtest eine Schaltung haben, die aus einem (nicht stabilisierten) Steckernetzteil 12V= gespeist wird und dann stabilisierte Spannungen von +/-15V erzeugt?

Andererseits schreibst Du, daß damit die Schaltung für die 48V-Phantomspeisung (aus dem Link) versorgt werden soll.

NUR diese oder sonst noch etwas anderes?
Denn die braucht ja höchstens +15V (lieber eigentlich deutlich weniger, also z.B. 10V), das aber von höchster Störfreiheit (Stabilisierung ist nicht so wichtig).

Wozu also symmetrische +/-15V ???
Wie hoch sind ggf. die anderen Lasten?


Gruß,
sam2

_________________
"Das Gerät habe ich vor soundsoviel Jahren bei Ihnen gekauft! Immer ist es gegangen, immer. Aber seit gestern früh geht es plötzlich nicht mehr. Sagen Sie mal, DA STIMMT DOCH WAS NICHT???"

BID = 90548

TobWen

Neu hier



Beiträge: 47

Hallo sam2,


Zitat :
sam2 hat am 10 Aug 2004 16:28 geschrieben :

Du möchtest eine Schaltung haben, die aus einem (nicht stabilisierten) Steckernetzteil 12V= gespeist wird und dann stabilisierte Spannungen von +/-15V erzeugt?


Exakt!


Zitat :

Andererseits schreibst Du, daß damit die Schaltung für die 48V-Phantomspeisung (aus dem Link) versorgt werden soll.


Sorry, das war in der Tat etwas schlecht von mir hinzugefügt.

Das hier gewünschte Netzteil soll erstmal den von Dir genau erfassten Sinn ausführen: +/-15V erzeugen.
Ich möchte anschließend die 48V-Phantomspeisung in Kombination mit dem Netzteil verwenden.
In der Tat hat dies nichts hier zu suchen :-)

Sorry für das Missverständnis.


Zitat :

NUR diese oder sonst noch etwas anderes?
Denn die braucht ja höchstens +15V (lieber eigentlich deutlich weniger, also z.B. 10V), das aber von höchster Störfreiheit (Stabilisierung ist nicht so wichtig).


Das stimmt schon. Natürlich wäre ein Trafo mit 2x18V oder eine Gleichspannungsquelle mit +15V hier das optimale.
Ich möchte aber aus einem Standard-Conrad-Steckernetzteil eine Spannung von +/-15V erzeugen.


Zitat :

Wozu also symmetrische +/-15V ???


Mikrofon-Verstärker :-)
OPA & Co. wollen 15V und die 48V sind für das Kondensatormikro.


Zitat :

Wie hoch sind ggf. die anderen Lasten?


Mikro schluckt bis zu 20mA
Der Preamp kann bis zu 80mA schlucken.

Im Endeffekt würden auch 200mA für das Netzteil reichen, aber man weiß ja nie, was noch kommt!!

Grüße
Tobias

BID = 90562

Benedikt

Inventar

Beiträge: 6241

Das einfachste:
Ein fertiges Modul 12V -> +/-15V, kostet aber 10-20€
Wenn die Spannung wirklich richtig stabilisiert sein muss, dann 12V -> +/-18V nehmen und mit LM7815/LM7915 stabilisieren.
Oder das ganze selbst basteln aus einem LM2574 o.ä. mit zusätzlicher Wicklung, oder gleich 3 Wicklungen im Verhältnis 12:15:15

BID = 90570

TobWen

Neu hier



Beiträge: 47

Also die Lösung mit dem 12 => 18V DC/DC Modul würde mir sehr gefallen. Dann könnte ich nämlich mein vorhandenes 18V-Netzteil weiter verwenden!

Reichelt hat kein passendes, das naheliegensde wäre das 12/24 Modul, hat aber nur 50mA.

Wie könnte man Deine LM2574-Idee realisieren?

BID = 90577

Benedikt

Inventar

Beiträge: 6241

Der LM2574 ist ein kleiner StepDown-Wandler, der 0,5A schafft. OK könnte etwas knapp sein, aber wenn man den LM2576 nimmt gibts keine Probleme.
Anstelle einer normalen StepDown Schaltung steuert man damit einem kleinen Übertrager an:
Da jetz 3 Wicklungen drauf:
Eine für den Eingang zwischen LM2574 und Masse, die zweite zwischen Masse und Diode für +15V und die dritte für die -15V.
Allerdings sind Schaltnetzteile nicht das Optimale für Mikrofone, aber bei >50kHz Schaltfrequenz drüfte das egal sein.

BID = 90580

TobWen

Neu hier



Beiträge: 47

oh, Schaltnetzteilen will ich auf jeden Fall aus dem Weg gehen.

Bleibt also doch nur die Lösung mit dem DCDC-Modul.
Allerdings ist 50mA echt zu wenig :-((

BID = 90600

Benedikt

Inventar

Beiträge: 6241

Ein DC-DC Modul ist natürlich auch ein Schaltnetzteil !
Da bleibt nur vor dem Gleichrichter eine Anzapfung zu machen, und einen zweiten Gleichrichter über Kondensatoren anzuschließen, so dass dieser eine negative Spannung erzeugt.

BID = 90606

TobWen

Neu hier



Beiträge: 47

mmh ... ich habe soviel schlechts über Schaltnetzteile in Audioanwendungen gehört.

Aber eigentlich benutzen doch fast alle Audio-Schaltungen auf dem Markt Steckernetzteile mit 12V.

Wie umgehen die auftretende Probleme?

BID = 90616

Benedikt

Inventar

Beiträge: 6241

Indem einfach das Signal über einen Elko auf +6V angehoben wird. So hat man auch +/-6V.

BID = 90621

TobWen

Neu hier



Beiträge: 47

Könntest Du mir, eventuell auch entgeldlich, etwas in dieser Richtung aufzeichnen?

BID = 90753

Benedikt

Inventar

Beiträge: 6241

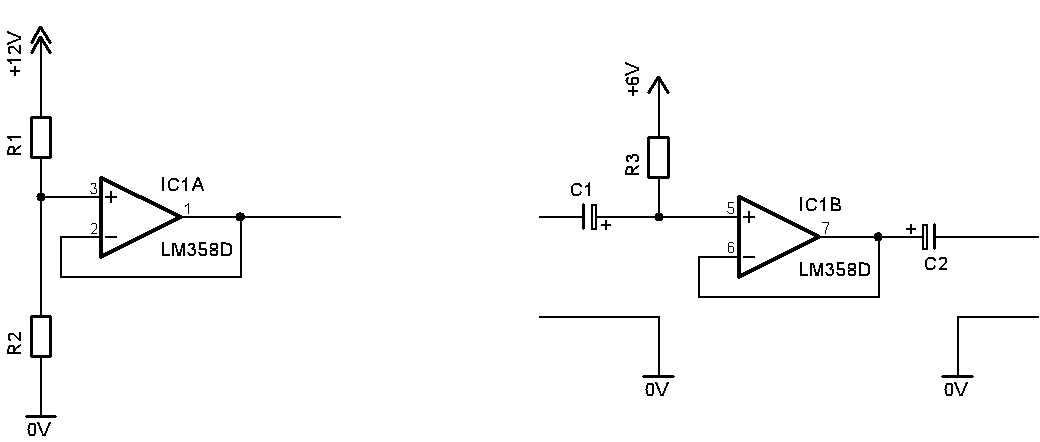
Hier zwei Schaltungen die häufig verwendet werden:
Der Operationsverstärker links puffert die halb Betriebsspannung vom Spannungsteiler. Diese liegt auf 6V und bildet den Masse Anschluss für das Audiosignal. Somit hat man +/-6V zur Verfügung.
Oder die rechte Schaltung, hier wird das Signal einfach per Koppelkondensatoren auf +6V angehoben.
Ich würde die linke Schaltung empfehlen, einmal pro Gerät aufgebaut und du hast keine Probleme mit den Koppelkondensatoren usw.

BID = 90791

TobWen

Neu hier



Beiträge: 47

*sniff*
keine Schaltungen da

BID = 90821

Benedikt

Inventar

Beiträge: 6241

Bin heute doch zu früh aufgestanden, hab heute Nacht nicht viel geschlafen bei der Hitze...



BID = 90832

TobWen

Neu hier



Beiträge: 47

und wie kann ich die Negative Spannung erzeugen?

der der LM358D schafft auch nur 50mA, oder?


      Nächste Seite
Gehe zu Seite ( 1 | 2 Nächste Seite )
Zurück zur Seite 1 im Unterforum          Vorheriges Thema Nächstes Thema 


Zum Ersatzteileshop


Bezeichnungen von Produkten, Abbildungen und Logos , die in diesem Forum oder im Shop verwendet werden, sind Eigentum des entsprechenden Herstellers oder Besitzers. Diese dienen lediglich zur Identifikation!
Impressum       Datenschutz       Copyright © Baldur Brock Fernsehtechnik und Versand Ersatzteile in Heilbronn Deutschland       

gerechnet auf die letzten 30 Tage haben wir 18 Beiträge im Durchschnitt pro Tag       heute wurden bisher 21 Beiträge verfasst
© x sparkkelsputz        Besucher : 187794107   Heute : 8732    Gestern : 20801    Online : 311        17.12.2025    19:11
2 Besucher in den letzten 60 Sekunden        alle 30.00 Sekunden ein neuer Besucher ---- logout ----viewtopic ---- logout ----
xcvb ycvb
0.0497379302979