Strombegrenzung und Spannungsreglung

Im Unterforum Alle anderen elektronischen Probleme - Beschreibung: Was sonst nirgendwo hinpasst

Elektronik Forum Nicht eingeloggt       Einloggen       Registrieren




[Registrieren]      --     [FAQ]      --     [ Einen Link auf Ihrer Homepage zum Forum]      --     [ Themen kostenlos per RSS in ihre Homepage einbauen]      --     [Einloggen]

Suchen


Serverzeit: 29 12 2025  17:29:20      TV   VCR Aufnahme   TFT   CRT-Monitor   Netzteile   LED-FAQ   Oszilloskop-Schirmbilder            


Elektronik- und Elektroforum Forum Index   >>   Alle anderen elektronischen Probleme        Alle anderen elektronischen Probleme : Was sonst nirgendwo hinpasst

Gehe zu Seite ( Vorherige Seite 1 | 2 )      


Autor
Strombegrenzung und Spannungsreglung
Suche nach: strombegrenzung (1648)

Problem gelöst    







BID = 86544

Itaker

Schriftsteller

Beiträge: 568
Wohnort: Itaka
 

  


"Kaira B" hatte ähnliche Probleme:
https://forum.electronicwerkstatt.d......html
(Komma im Namen?)

BID = 86585

Benedikt

Inventar

Beiträge: 6241

 

  

Nächster Versuch...
Trafo mit 1kW MOT



BID = 86587

Benedikt

Inventar

Beiträge: 6241

und das Gewicht



BID = 88102

technikfreak

Stammposter

Beiträge: 273
Wohnort: Saarland
Zur Homepage von technikfreak

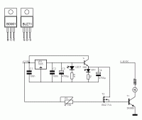
Ich würde sagen, dass dieses Thema keinen Sinn mehr macht, da sowieso nur rumgeprotzt wird wer den Größeren (Trafo) hat. Und über eine mögliche Lösung zu meiner Stromquelle wurde sowieso nix gepostet.
Hier ist übrigens meine funktionierend LÖSUNG:

einzige Änderung:
- Am Gate des BUZ71A ist jetzt ein sog. Gatespannungsteiler, d.h. Schleifer vom Poti am Gate und der eine Anschluss des Potis an Masse und der andere an +12V.




Vorherige Seite      
Gehe zu Seite ( Vorherige Seite 1 | 2 )
Zurück zur Seite 0 im Unterforum          Vorheriges Thema Nächstes Thema 
Das Thema ist erledigt und geschlossen. Es kann nicht mehr geantwortet werden !



Zum Ersatzteileshop


Bezeichnungen von Produkten, Abbildungen und Logos , die in diesem Forum oder im Shop verwendet werden, sind Eigentum des entsprechenden Herstellers oder Besitzers. Diese dienen lediglich zur Identifikation!
Impressum       Datenschutz       Copyright © Baldur Brock Fernsehtechnik und Versand Ersatzteile in Heilbronn Deutschland       

gerechnet auf die letzten 30 Tage haben wir 17 Beiträge im Durchschnitt pro Tag       heute wurden bisher 6 Beiträge verfasst
© x sparkkelsputz        Besucher : 188001865   Heute : 5882    Gestern : 15227    Online : 413        29.12.2025    17:29
2 Besucher in den letzten 60 Sekunden        alle 30.00 Sekunden ein neuer Besucher ---- logout ----viewtopic ---- logout ----
xcvb ycvb
0.0275099277496