DC-Antrieb restaurieren und betreiben?

Im Unterforum Historische Technik - Beschreibung: Geräte, Bauteile, Installationen aus alter Zeit.

Elektronik Forum Nicht eingeloggt       Einloggen       Registrieren




[Registrieren]      --     [FAQ]      --     [ Einen Link auf Ihrer Homepage zum Forum]      --     [ Themen kostenlos per RSS in ihre Homepage einbauen]      --     [Einloggen]

Suchen


Serverzeit: 27 10 2025  13:50:44      TV   VCR Aufnahme   TFT   CRT-Monitor   Netzteile   LED-FAQ   Oszilloskop-Schirmbilder            


Elektronik- und Elektroforum Forum Index   >>   Historische Technik        Historische Technik : Geräte, Bauteile, Installationen aus alter Zeit.

Gehe zu Seite ( Vorherige Seite 1 | 2 | 3 | 4 Nächste Seite )      


Autor
DC-Antrieb restaurieren und betreiben?

    







BID = 1015613

Trumbaschl

Inventar



Beiträge: 7632
Wohnort: Wien
 

  


Klingt bestechend, aber da müsste ich mich erst einmal in die Materie einarbeiten. Meine - offensichtlich vergebliche - Hoffnung war, dass man das aus fertigen billigen Bauteilen ohne viel Denken zusammenstoppeln kann.

Mittlerweile haben wir übrigens die Griffel auf einer zweiten Anlage mit Handsteuerung von kurz nach 1900 - aber praktischerweise wurde die schon 1909, also nach weniger als zehn Jahren auf einen Drehstrom-Schleifringläufermotor für 380 V 50 Hz umgebaut! Offenbar hatte diese Gegend schon relativ früh ein normales Drehstromnetz 220/380 V.

_________________
"Und dann kommen's zu ana Tür da steht oben "Eintritt verboten!" und da miaßn's eine!"

BID = 1015621

der mit den kurzen Armen

Urgestein



Beiträge: 17437

 

  

Wie gesagt wenn du 2 getrennte Wechselspannungsausgänge am Trafo hast funktioniert das. Aber nicht ohne Trafo ! Da bekommst du einen Kurzschluss! Bleibt also nur Akkus verwenden und die als Spannungsteiler verschalten oder einen Trafo mit 2 Wicklungen oder 2 Trafos. Beide Lösungen sind aber entsprechend teuer. Andere Möglichkeit wäre die Verwendung von 2 Notstromaggregaten (BZW Netz + Moppel) als Spannungslieferant. Dann kannst du nach der Gleichrichtung auch bei Drehstrom die Gleichspannungen in Reihe schalten.

_________________
Tippfehler sind vom Umtausch ausgeschlossen.
Arbeiten an Verteilern gehören in fachkundige Hände!
Sei Dir immer bewusst, dass von Deiner Arbeit das Leben und die Gesundheit anderer abhängen!

BID = 1015694

winnman

Schreibmaschine



Beiträge: 1674
Wohnort: Salzburg

Was soll denn da wie versorgt werden?

hängt der Motor an den 2 Aussenleitern und nur die Steuerung braucht den Mittelpunkt?

Falls ja, dann würde ich den Motor über den Stelltrafo versorgen und für die Steuerung ein separates Netzteil (muss auch nicht unbedingt einstellbar sein) verwenden.

BID = 1015702

perl

Ehrenmitglied



Beiträge: 11110,1
Wohnort: Rheinbach


Zitat :
Kann ich zwei Drehstrom-Brückengleichrichter DC-seitig in Reihe schalten, um die gewünschten Spannungen zu erhalten, ohne sie drehstromseitig galvanisch zu trennen?
Sogar eine Drehstrombrücke mit 6 Dioden (Schweissgleichrichter) reicht aus, wenn die Sekundärwicklung des Trafos im Stern geschaltet ist.
Oder ist das jetzt nicht mehr die Frage?
Ich habe etwas die Übersicht verloren.


Im Übrigen ist die Drehzahl von Nebenschlußmotoren i.W. konstruktiv festgelegt und wird von der Betriebsspannung nur wenig beeinflusst.




[ Diese Nachricht wurde geändert von: perl am 15 Mär 2017 20:45 ]

BID = 1015711

Schwanti

Gesprächig



Beiträge: 139
Wohnort: Altenmarkt
ICQ Status  


Zitat :
Sogar eine Drehstrombrücke mit 6 Dioden (Schweissgleichrichter) reicht aus, wenn die Sekundärwicklung des Trafos im Stern geschaltet ist.


Kommt drauf an ob das ein Drehstrom-TRENN-Stelltrafo ist oder nicht. Wenn nicht kannst du ja auch den N vorm Stelltrafo nehmen.

Hab ich einen Denkfehler in der Schaltung? In der Simulation würds nicht schlecht aussehen. Ein 08/15 Drehstrombrückengleichrichter sollte reichen.
+ ist +
- ist -
MP = N
Restwelligkeit wird dem Motor und Beleuchtung wohl eher egal sein.

[ Diese Nachricht wurde geändert von: Schwanti am 15 Mär 2017 21:52 ]

BID = 1015713

Schwanti

Gesprächig



Beiträge: 139
Wohnort: Altenmarkt
ICQ Status  

Und glatt den falschen Anhang hochgeladen... jetzt aber...



BID = 1015715

BlackLight

Inventar

Beiträge: 5433


Zitat : perl hat am 15 Mär 2017 20:41 geschrieben :
Sogar eine Drehstrombrücke mit 6 Dioden (Schweissgleichrichter) reicht aus, wenn die Sekundärwicklung des Trafos im Stern geschaltet ist.
Dann lage ich ja richtig. Das mit dem vorhandenen N ist eine gute Anmerkung die ich übersehen hatte.

Wollte mal wieder mit LTspice spielen, also hier:




BID = 1015732

perl

Ehrenmitglied



Beiträge: 11110,1
Wohnort: Rheinbach

Die Kondensatoren gehören da nicht hin!
Sie verschlechtern nur den ohnehin geringen Stromflusswinkel, was zu einer Überlastung des Trafos führen kann.

Die Spannungswelligkeit von Drehstromgleichrichtern ist ohnehin gering, und die Stromwelligkeit ist aufgrund der induktiven Belastung noch geringer.

BID = 1015740

BlackLight

Inventar

Beiträge: 5433


Zitat : perl hat am 16 Mär 2017 02:26 geschrieben :
Die Kondensatoren gehören da nicht hin!
Danke! Wieder was gelernt. Schaut ja schlimm aus mit denen.

Wen es interessiert, hier der Stromfluss der drei Spannungsquellen aus LTspice von obiger 'Schaltung'. Man beachte, dass die Y-Achse im unteren Graphen einen Faktor 4 kleiner ist.




BID = 1015799

Trumbaschl

Inventar



Beiträge: 7632
Wohnort: Wien


Zitat :
perl hat am 15 Mär 2017 20:41 geschrieben :


Zitat :
Kann ich zwei Drehstrom-Brückengleichrichter DC-seitig in Reihe schalten, um die gewünschten Spannungen zu erhalten, ohne sie drehstromseitig galvanisch zu trennen?
Sogar eine Drehstrombrücke mit 6 Dioden (Schweissgleichrichter) reicht aus, wenn die Sekundärwicklung des Trafos im Stern geschaltet ist.
Oder ist das jetzt nicht mehr die Frage?
Ich habe etwas die Übersicht verloren.


Im Übrigen ist die Drehzahl von Nebenschlußmotoren i.W. konstruktiv festgelegt und wird von der Betriebsspannung nur wenig beeinflusst.


Ich bin leider auch langsam ziemlich verwirrt was geht und was nicht.

Vorhandene Mittel:
ein Drehstrom-Stelltrafo (Spartrafo!)

leicht aufzutreiben: ein Drehstrom-Brückengleichrichter für 400 V und 25 A

Betrieben werden soll:
- ein Motor (440 V Zweileiteranschluss)
- diverses Kleinzeug wie Licht und Schützspulen (220 V, vermutlich nicht sonderlich symmetrisch auf + und - verteilt)

Das ganze soll funktionieren, indem direkt in die originale Dreileiter-Zuleitung eingespeist wird, ohne die innere Verschaltung des Maschinenraums zu ändern.

Mein Denkproblem ist: ein Gleichrichter hat zwei Ausgänge, + und -. WIe schaffe ich jetzt eine symmetrische Spannung mit fixem Mittelpunkt? Bei den oben verlinkten Schaltungen kommen Trafos mit zwei Sekundärwicklungen und zwei Gleichrichter zum Einsatz, in Black Lights Simulation ist es ein Gleichrichter mit Spannungsteiler. Der Spannungsteiler ist aber last(strom)abhängig, hilft mir also bei unbekannten und nicht gleichmäßigen Lasten wenig. Oder bin ich komplett auf dem Holzweg?

Oder ist schlicht der Vorschlag, den Mittelleiter mit dem N des Wechselstromnetzes zu verbinden (aber nicht mit dem Ausgang des Gleichrichters)?

_________________
"Und dann kommen's zu ana Tür da steht oben "Eintritt verboten!" und da miaßn's eine!"

BID = 1015800

perl

Ehrenmitglied



Beiträge: 11110,1
Wohnort: Rheinbach


Zitat :
Vorhandene Mittel:

ein Drehstrom-Stelltrafo (Spartrafo!)
Wieviel schafft der, wieviel braucht der Motor?
Dir Belastbarkeit der Stromabnehmer des Stelltrafos ist, unabhängig von der Höhe der gelieferten Spannung, ein limitierender Faktor.
Typenschild beachten!


Zitat :
Das ganze soll funktionieren, indem direkt in die originale Dreileiter-Zuleitung eingespeist wird, ohne die innere Verschaltung des Maschinenraums zu ändern.
Passt schon.
Manche Drehstromstelltrafos sind aus drei Einphasen Ringkern Stelltrafos auf einer gemeinsamen Welle aufgebaut. Es gibt aber auch lineare Konstruktionen mit gemeinsamen Joch und drei nebeneinander liegenden einlagigen Wicklungen.
Die drei Wicklungen werden jedenfalls zum Stern zusammengeknotet, und der Sternpunkt wird zum Mittelpunkt für deine symmetrische Gleichspannung.
Den ankommenden N sollte man ebenfalls dort anschliessen.


Zitat :
ein Gleichrichter hat zwei Ausgänge, + und -. WIe schaffe ich jetzt eine symmetrische Spannung mit fixem Mittelpunkt?
So, wie Blacklight es gezeichnet und simuliert hat.
Die Phase mit der momentan höchsten positiven Spannung liefert über ihre Diode Strom in die positive Schiene; die Phase mit der momentan größten negativen Spannung liefert über die entsprechende Diode Strom in die negative Schiene.
Das Resultat sind zwei leicht wellige Gleichspannungen, die aber nie Null werden, und deren Mittelwert bei 3x230V Phasenspannung jeweils 270V beträgt.


Zitat :
Bei den oben verlinkten Schaltungen kommen Trafos mit zwei Sekundärwicklungen und zwei Gleichrichter zum Einsatz
Vergiss das.


Zitat :
n Black Lights Simulation ist es ein Gleichrichter mit Spannungsteiler.

Nein, das sollen Lastwiderstände sein.


Zitat :
Oder ist schlicht der Vorschlag, den Mittelleiter mit dem N des Wechselstromnetzes zu verbinden (aber nicht mit dem Ausgang des Gleichrichters)?
So isses.

Wegen der impulsförmigen Stromentnahme durch die Dioden und der Spannungserhöhung fällt die Belastung vom Schleifern und Wicklungen aber merklich höher aus,´als es der Milchmädchenrechnung entspricht.


[ Diese Nachricht wurde geändert von: perl am 17 Mär 2017  4:58 ]

BID = 1015809

BlackLight

Inventar

Beiträge: 5433


Zitat : Trumbaschl hat am 17 Mär 2017 00:07 geschrieben :
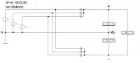
Oder ist schlicht der Vorschlag, den Mittelleiter mit dem N des Wechselstromnetzes zu verbinden (aber nicht mit dem Ausgang des Gleichrichters)?
Ich dachte das wäre erkenntlich. Habe es jetzt mal besser Beschriftet.




Als Last hängen jetzt 10 Ohm und 10 kOhm dran. Aus Übersichtlichkeit habe ich L2 und L3 weggelassen. IR1 und IR2 auftragen bringt nichts, da deren Scheitelwert mit 32 mA und 32 A zu unterschiedlich für eine lineare Achse sind.

BID = 1015855

Trumbaschl

Inventar



Beiträge: 7632
Wohnort: Wien

Danke, langsam kenne ich mich aus! Vielen Dank für eure Geduld!

Die Leistung des Trafos muss ich erfragen, habe aber 15 kVA im Hinterkopf. Der Motor hat, sofern wir das Typenschild richtig deuten 4 PS an der Welle, das Feld für die Stromaufnahme ist leider nicht ausgefüllt. Da die Sicherungen wohl kaum auf Überlastbetrieb ausgelegt sind, kann man davon ausgehen, dass die elektrische Leistung unter 20 A * 440 V also 8,8 kW beträgt. Ansonsten haben wir Maschinenraumlicht (AGL 40 W), Kabinenlicht (2x AGL 40 W oder vielleicht sogar nur 25 W), eine Leuchte über der Tür im EG (40 W) und ansonsten ein paar Schütze und Relais.

Unbekannt ist noch, ob ich an den Sternpunkt des Trafos drankomme oder ob der im Gerät verschaltet ist - ich vermute stark, der wird eine 4-adrige Zuleitung mit 5-poligem CEE-Stecker haben. Das muss ich mit dem Eigentümer klären.

Bleibt noch der mechanische Teil. Theoretisch müssten wir wahrscheinlich alle Lager entfetten und neu schmieren, da ja VÖLLIG unbekannt ist, welche Schmierstoffe da verwendet wurden und wie moderne Fette und Öle damit reagieren. Oder bin ich da zu pessimistisch und eine Fettpresse mit 08/15-Lagerfett reicht? Öl ist wenn wir Glück haben noch genug im Getriebe und bei ausreichend hoher Temperatur passt die Viskosität noch - bei ca. 0 Grad war der Inhalt einer Reservekanne kaum noch als flüssig zu bezeichnen.

Um den Kollektor müssen wir uns auch kümmern, so voll mit Guano wie der ist.

_________________
"Und dann kommen's zu ana Tür da steht oben "Eintritt verboten!" und da miaßn's eine!"

BID = 1015863

BlackLight

Inventar

Beiträge: 5433


Zitat :
Theoretisch müssten wir wahrscheinlich alle Lager entfetten und neu schmieren, [...]
Habe auf dem Gebiet kein Wissen, aber für einen ersten Test wäre mir das zu viel Aufwand.
Ich würde den Nippel reinigen und solange neues Fett reinpressen bis das neue rausquillt.

BID = 1026746

Trumbaschl

Inventar



Beiträge: 7632
Wohnort: Wien

Das genannte Projekt wurde aus Zeitmangel nicht realisiert, dafür hatten wir gestern ein schon am Rande erwähntes neues Projekt außerhalb Wiens. Dort dürfte bereits kurz vor dem ersten Weltkrieg das DC-Netz abgeschaltet worden sein. Daher hatte diese Anlage einen wunderschönen Drehstrom-Schleifringläufer von Siemens-Schuckert (4,3 kW, 380 V, fix im Stern geschaltet) mit Widerstands-Anlasser. Die Wartungsanleitung des Anlassers ist mit 1910 datiert, der Schaltplan mit 1913. Wunderschöne Technik! Die meisten Funktionen sind mechanisch gelöst, der Anlasser enthält nur sechs Hauptstromkontakte für die Drehrichtungsumschaltung und sechs Hilfskontakte für die Vorwiderstände. Nach gründlicher Reinigung aller Kontakte und der Schleifringe, mechanischer und optischer Kontrolle und Isomessung sowie Schutzleiter-Widerstandsmessung konnten wir die historische Zuleitung an 400 V legen und der Motor schnurrte los wie ein Kätzchen! Schon ein unglaubliches Erlebnis!

Jetzt brauchen wir nur mehr jemand, der sich mit dem mechanischen Teil der Steuerung wie Stockwerkswahl etc. auskennt! Wertheim, Bj. 1901 und ziemlich raffiniert gebaut!

_________________
"Und dann kommen's zu ana Tür da steht oben "Eintritt verboten!" und da miaßn's eine!"


Vorherige Seite       Nächste Seite
Gehe zu Seite ( Vorherige Seite 1 | 2 | 3 | 4 Nächste Seite )
Zurück zur Seite 1 im Unterforum          Vorheriges Thema Nächstes Thema 


Zum Ersatzteileshop


Bezeichnungen von Produkten, Abbildungen und Logos , die in diesem Forum oder im Shop verwendet werden, sind Eigentum des entsprechenden Herstellers oder Besitzers. Diese dienen lediglich zur Identifikation!
Impressum       Datenschutz       Copyright © Baldur Brock Fernsehtechnik und Versand Ersatzteile in Heilbronn Deutschland       

gerechnet auf die letzten 30 Tage haben wir 14 Beiträge im Durchschnitt pro Tag       heute wurden bisher 9 Beiträge verfasst
© x sparkkelsputz        Besucher : 186040919   Heute : 11064    Gestern : 20288    Online : 318        27.10.2025    13:50
16 Besucher in den letzten 60 Sekunden        alle 3.75 Sekunden ein neuer Besucher ---- logout ----viewtopic ---- logout ----
xcvb ycvb
0.0481510162354