| Autor |
Beleuchtung richtig anschließen! Suche nach: beleuchtung (4131) |
|
|
|
|
BID = 998409
Robbe69 Gerade angekommen
Beiträge: 18 Wohnort: Wuppertal
|
|
Hallo zusammen,
ich habe ein kleines Problem mit der Verkabelung meiner geplanten Außenbeleuchtung.
Ich benötige vier getrennt schaltbare Beleuchtungskreise. Dieses beabsichtige ich zunächst mit vier Eltakos zu lösen.
Allerdings möchte ich über einen weiteren Taster alle vier Kreise gleichzeitig schalten können (z.B. Gefahrenschaltung meiner Frau wenn sie alleine zuhause ist).
Wie kann ich diese Schaltung am Besten realisieren?
Besser wäre sogar noch, wenn "gesamt" geschaltet wird, dass dieses zeitgesteuert ist, also die Gesamtbeleuchtung nach einer bestimmtem Zeit wieder ausgeht.
Habt Ihr eine gute Idee/Lösung für mich.
Danke vorab und Gruß
Robbe |
|
BID = 998412
Lightyear Inventar
     
Beiträge: 7909 Wohnort: Nürnberg
|
|
Bei Eltako gibt es Stromstoßschalter, die einen Eingang für Zentralsteuerung haben...
Guck mal da:
http://www.eltako.com/fileadmin/dow.....h.pdf
_________________
Gruß aus Nürnberg,
Lightyear
Alles unter 1000°C ist HANDWARM!
Alle Tipps ohne jegliche Gewähr, die Einhaltung aller Vorschriften obliegt dem Ausführenden! |
|
BID = 998415
rasender roland Schreibmaschine
    
Beiträge: 1816 Wohnort: Liessow b SN
|
Vier Taster, vier Stromstoßschalter, vier Außenlampen.
Taster fünf geht zum Treppenlichtzeitschalter der die
"alles an" Funktion startet.
Da es die meist nur mit einem Arbeitskontakt gibt braucht man noch
ein zusätzliches Relais mit vier Kontakten.
14,24,34,und 44 vom Relais gehen dann auf die vier Ausgänge der
Stromstoßschalter.
Muss natürlich alles an der selben Sicherung hängen.
_________________
mfg
Rasender Roland
[ Diese Nachricht wurde geändert von: rasender roland am 16 Aug 2016 16:09 ]
[ Diese Nachricht wurde geändert von: rasender roland am 16 Aug 2016 16:10 ]
|
BID = 998416
der mit den kurzen Armen Urgestein
     
Beiträge: 17437
|
Egal wie die einzelnen Stromstoßschalter stehen, der Treppenlichtautomat schaltet über ein Relais alle 4 Stromkreise ein und auch wieder aus.
_________________
Tippfehler sind vom Umtausch ausgeschlossen.
Arbeiten an Verteilern gehören in fachkundige Hände!
Sei Dir immer bewusst, dass von Deiner Arbeit das Leben und die Gesundheit anderer abhängen!
|
BID = 998483
Robbe69 Gerade angekommen
Beiträge: 18 Wohnort: Wuppertal
|
|
BID = 998487
rasender roland Schreibmaschine
    
Beiträge: 1816 Wohnort: Liessow b SN
|
Da sind ja 4 Wechsler drin.
Also spart man sich das zusätzliche Relais das ich erwähnte.
Die vier Stromstoßschalter für die normale An / Aus Funktion der vier Lampen brauchst Du aber dennoch.
_________________
mfg
Rasender Roland
|
BID = 998489
Robbe69 Gerade angekommen
Beiträge: 18 Wohnort: Wuppertal
|
Richtig, vier Wechsler und eine Zeitschaltuhr, somit spart man sich nur das Relais, sondern auch den Eltako Treppenhausschalter.....
Eigentlich genau das, was ich gesucht habe.
Die vier Stromstoßschalter waren eh' eingeplant, ging hier nur um die Gesamtschaltung!
Danke an alle
bis zum nächsten Mal....
Robbe
|
BID = 998539
der mit den kurzen Armen Urgestein
     
Beiträge: 17437
|
Beachte das Zeitrelais als Impulsformer beschalten! Und die Schließer dieses Zeitrelais schalten die Leuchten direkt !
_________________
Tippfehler sind vom Umtausch ausgeschlossen.
Arbeiten an Verteilern gehören in fachkundige Hände!
Sei Dir immer bewusst, dass von Deiner Arbeit das Leben und die Gesundheit anderer abhängen!
|
BID = 998624
Robbe69 Gerade angekommen
Beiträge: 18 Wohnort: Wuppertal
|
Hallo "der mit den kurzen armen"
Informer und direkte Schaltung ist klar, danke.
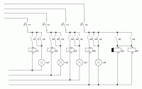
Aber eine Frage hätte trotzdem noch zu der angefügten Darstellung!
Grundsätzlich ist doch 11 Eingang, 12 Schließer und 14 Öffner, richtig?
Analog dazu 21,22, 24 usw. ! Heißt doch, dass bei Verwendung eines "normalen" Schalters die einzelnen Lichtkreise an 14, 24, 34 oder 44 anzuschließen wären.
Bei Informer ist allerdings 14 an Dauerphase angeschlossen, richtig?
Würde doch dann bedeuten, dass bei oberen Anschlußweise der Lichtkreis 14 Dauerstrom hätte.
Wird der Anschluß nun umgekehrt? Lichtkreise an 11,21,31 und 41?
Danke und Gruß
Robbe
|
BID = 998625
Offroad GTI Urgestein
     
Beiträge: 12843 Wohnort: Cottbus
|
Zitat :
| | Grundsätzlich ist doch 11 Eingang, 12 Schließer und 14 Öffner, richtig? |
Nein. Auf dem Datenblattauszug ist die Belegung dargestellt.
Zitat :
| | Bei Informer ist allerdings 14 an Dauerphase angeschlossen, richtig? |
Keine Ahnung, was du damit meinst. Ein Kontakt besteht ja aus zwei Anschlüssen. Wie rum du ihn anschließt, ist egal.
_________________
Theoretisch gibt es zwischen Theorie und Praxis keinen Unterschied. Praktisch gibt es ihn aber.
|
BID = 998626
rasender roland Schreibmaschine
    
Beiträge: 1816 Wohnort: Liessow b SN
|
Sieht so aus als wenn nur drei der vier Wechsler für deine Beleuchtung
zur Verfügung stehen.
_________________
mfg
Rasender Roland
|
BID = 998640
Robbe69 Gerade angekommen
Beiträge: 18 Wohnort: Wuppertal
|
Hallo nochmal,
ich habe ich jetzt umentschieden und habe folgende Artikel bestellt:
FIN 55.34.8.230V Industrierelais, 4x UM, 250V/5A, 230VAC
FIN 94.84.3 Relaissockel f. Fin 55.34/55.32, blau
FIN 094.91.3 Variclip f. Relaissockel Fin 55.34/55.32, blau
FIN 14.01 Treppenhausautomat für max. 15 Taster, 230V
Damit habe ich ganz sicher 4 Kreise zur Verfügung.
Danke nochmal für eure Unterstützung!
Robbe
|
BID = 998661
Robbe69 Gerade angekommen
Beiträge: 18 Wohnort: Wuppertal
|
@rasender Roland
Du hast in einem Beitrag geschrieben
"Muss natürlich alles an der selben Sicherung hängen. "
Reicht hier, dass es die selbe Phase ist oder tatsächlich die selbe Sicherung?
Die Gesamtbeleuchtung bezieht nämlich auf zwei Ebenen (EG und KG), die jeweils eine eigene Unterverteilung mit eigenem FI haben.
Danke und Gruß
Robbe
|
BID = 998662
Offroad GTI Urgestein
     
Beiträge: 12843 Wohnort: Cottbus
|
Du hast doch Relais verbaut, welche die Stromkreise galvanisch getrennt voneinander schalten. Es muss also (eigentlich*) weder die selbe Sicherung, noch der selbe Außenleiter, noch der selbe FI sein.
*Hast du schon einen Schaltplan erstellt? Wenn ja, lade den doch mal hier hoch. Wenn nicht, wird es Zeit
_________________
Theoretisch gibt es zwischen Theorie und Praxis keinen Unterschied. Praktisch gibt es ihn aber.
|
BID = 998663
der mit den kurzen Armen Urgestein
     
Beiträge: 17437
|
Achtung bei mehreren FI die Belegung der N beachten und das Zeitrelais muss im selben Stromkreis wie ein Lampenkreis liegen.
Edit du brauchst noch ein Hilfsrelais K6 sonst ist die Selbsthaltung von K5 nicht realisierbar.
_________________
Tippfehler sind vom Umtausch ausgeschlossen.
Arbeiten an Verteilern gehören in fachkundige Hände!
Sei Dir immer bewusst, dass von Deiner Arbeit das Leben und die Gesundheit anderer abhängen!
[ Diese Nachricht wurde geändert von: der mit den kurzen Armen am 18 Aug 2016 15:18 ]
|