Flipflop aus Optokopplern ?

Im Unterforum Projekte im Selbstbau - Beschreibung: Selbstbau von Elektronik und Elektro

Elektronik Forum Nicht eingeloggt       Einloggen       Registrieren




[Registrieren]      --     [FAQ]      --     [ Einen Link auf Ihrer Homepage zum Forum]      --     [ Themen kostenlos per RSS in ihre Homepage einbauen]      --     [Einloggen]

Suchen


Serverzeit: 27 12 2025  06:40:39      TV   VCR Aufnahme   TFT   CRT-Monitor   Netzteile   LED-FAQ   Oszilloskop-Schirmbilder            


Elektronik- und Elektroforum Forum Index   >>   Projekte im Selbstbau        Projekte im Selbstbau : Selbstbau von Elektronik und Elektro


Autor
Flipflop aus Optokopplern ?

    







BID = 986998

Grimm

Stammposter



Beiträge: 499
Wohnort: Bayern
 

  


Hallo Jungs,

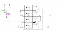
ich möchte einen Flipflop (ob Flipflop überhaupt der richtige Begriff ist kann ich auch nicht sagen) bauen aber nicht mit einem 4093 sondern mit Optokoppler.

An den Eingengängen kommt ein kurzes pos. Signal und der Ausgänge soll auf H, so lange bis am andern Ausgang ein kurzes pos. Signal kommt und dieser Ausgang auf H geht und der andere auf L.

Hab mir das überlegt, ist so was O.K. ?

Gruß




BID = 986999

perl

Ehrenmitglied



Beiträge: 11110,1
Wohnort: Rheinbach

 

  


Zitat :
Hab mir das überlegt, ist so was O.K. ?
Zeichne mal einen vernünftigen Schaltplan.
Bei diesem Gemälde wird eine ja schwindelig, wenn man die Signale verfolgt.

BID = 987013

Offroad GTI

Urgestein



Beiträge: 12836
Wohnort: Cottbus

Sieht aus, als ob es funktioniert.

Dich hindert doch niemand daran, es einfach mal zu testen




_________________
Theoretisch gibt es zwischen Theorie und Praxis keinen Unterschied. Praktisch gibt es ihn aber.


Zurück zur Seite 1 im Unterforum          Vorheriges Thema Nächstes Thema 


Zum Ersatzteileshop


Bezeichnungen von Produkten, Abbildungen und Logos , die in diesem Forum oder im Shop verwendet werden, sind Eigentum des entsprechenden Herstellers oder Besitzers. Diese dienen lediglich zur Identifikation!
Impressum       Datenschutz       Copyright © Baldur Brock Fernsehtechnik und Versand Ersatzteile in Heilbronn Deutschland       

gerechnet auf die letzten 30 Tage haben wir 17 Beiträge im Durchschnitt pro Tag       heute wurden bisher 1 Beiträge verfasst
© x sparkkelsputz        Besucher : 187972033   Heute : 2338    Gestern : 28182    Online : 196        27.12.2025    6:40
4 Besucher in den letzten 60 Sekunden        alle 15.00 Sekunden ein neuer Besucher ---- logout ----viewtopic ---- logout ----
xcvb ycvb
0.103890895844