Kramer Radlader Fahrtrichtungsanzeige

Im Unterforum Historische Technik - Beschreibung: Geräte, Bauteile, Installationen aus alter Zeit.

Elektronik Forum Nicht eingeloggt       Einloggen       Registrieren




[Registrieren]      --     [FAQ]      --     [ Einen Link auf Ihrer Homepage zum Forum]      --     [ Themen kostenlos per RSS in ihre Homepage einbauen]      --     [Einloggen]

Suchen


Serverzeit: 20 12 2025  09:19:30      TV   VCR Aufnahme   TFT   CRT-Monitor   Netzteile   LED-FAQ   Oszilloskop-Schirmbilder            


Elektronik- und Elektroforum Forum Index   >>   Historische Technik        Historische Technik : Geräte, Bauteile, Installationen aus alter Zeit.

Gehe zu Seite ( Vorherige Seite 1 | 2 | 3 Nächste Seite )      


Autor
Kramer Radlader Fahrtrichtungsanzeige

    







BID = 961120

meisterandi

Neu hier



Beiträge: 34
 

  


Es ist auf jeden Fall der Schalter defekt. Lampen hab ich schon getestet.

Ich hab jetzt einen Reed-Schalter (Wechsler) gefunden.
Ohne Magnetfeld sind die Ruhekontakte verbunden, mit Magnetfeld die Arbeitskontakte. Also genau dass was ich bräuchte.
Das sind Metallblättchen (Kontakte) die in einem Glasröhrchen eingeschlossen sind. Das ganze müsste man dann noch in einer Form mit Harz vergießen.

Wie meinst du das eigentlich mit dem Transistor?

BID = 961125

perl

Ehrenmitglied



Beiträge: 11110,1
Wohnort: Rheinbach

 

  


Zitat :
Wie meinst du das eigentlich mit dem Transistor?
Glühlampen haben bei kaltem Glühfaden einen sehr hohen Einschaltstrom. Für kleine Anzeigelämpchen beträgt er etwa das Zehnfache des normalen Betriebsstroms, und bei größeren Lampen, die "weisseres" Licht geben und erst recht bei Halogenlampen ist das Verhältnis noch größer.
Dieser hohe Einschaltrom kann zu einem erhöhten Kontaktverschleiss der doch etwas filigranen Reedkontakte führen.
Mit einem einzelnen Transistor hinreichender Leistungsfähigkeit, der den Steuerstrom um vielleicht das Zwanzigfache verstärkt, kann man die Kontaktbelastung um eben diesen Betrag senken.

Alternativ könnte man anstelle der Glühlampen auch LEDs (mit Vorwiderstand!) verwenden, die für die gleiche Helligkeit viel weniger Strom benötigen und auch keine Stromspitzen verursachen.
Für einige Bauformen gibt es LEDs mit eingebautem Vorwiderstand und Gleichrichter, die man einfach in die bestehenden Glühlampenfassungen einsetzen kann.

BID = 961176

meisterandi

Neu hier



Beiträge: 34

Danke erstmal für die Hilfe. Ich werd demnächst mal versuchen das Teil nachzubauen.

BID = 961590

meisterandi

Neu hier



Beiträge: 34

Hallo nochmal,

jetzt bräuchte ich nochmal die Hilfe eines Profis.
Ich habe inzwischen einen Reedkontakt (Wechsler) aufgetrieben.
Nun möchte ich eine kleine Schaltung aufbauen (siehe Bild).
Kann mir vielleicht jemand sagen ob dass so wie aufskizziert funktioniert?
Brauche ich dazwischen noch Widerstände und welche Transistoren wären hierfür geeignet?




Hochgeladene Datei (1454599) ist grösser als 300 KB . Deswegen nicht hochgeladen

BID = 961630

perl

Ehrenmitglied



Beiträge: 11110,1
Wohnort: Rheinbach


Zitat :
Kann mir vielleicht jemand sagen ob dass so wie aufskizziert funktioniert?
Fast.
Ein paar Kleinigkeiten fehlen noch um das betriebssicher zu machen.
Wie stark sind denn die zu schaltenden Lampen und hängen da evtl noch Scheinwerfer oder Rücklichter mit dran?
24V Bordnetz?

BID = 961639

meisterandi

Neu hier



Beiträge: 34

Also das Bordnetz wird mit 12V betrieben.
Die Kontrolllampen sind 1,5W-Glühbirnen, weitere Verbraucher sind da nicht mit angehängt.

BID = 961643

der mit den kurzen Armen

Urgestein



Beiträge: 17437

Halbleiter im KFZ sind immer bedenklich, deshalb würde ich schon allein aus diesem Grund darauf verzichten und deine Glühlampen durch LED ersetzen ! Moderne LED kommen mit 5 mA aus und diesen Strom verkraftet der Kontakt! Notfalls wird eben die Anzeige umgebaut und mehrere LED dann in Reihe geschaltet aber nebeneinander im Kreis angeordnet! In wie weit dein Reedkontakt belastbar ist steht im Datenblatt bei 20 mA sind zb auch der Ersatz der beiden Glühlampen durch 2 Duo -LED möglich

_________________
Tippfehler sind vom Umtausch ausgeschlossen.
Arbeiten an Verteilern gehören in fachkundige Hände!
Sei Dir immer bewusst, dass von Deiner Arbeit das Leben und die Gesundheit anderer abhängen!

BID = 961667

meisterandi

Neu hier



Beiträge: 34


Zitat :
Ersatz der beiden Glühlampen durch 2 Duo -LED möglich


Wäre auch eine Möglichkeit, mich würd aber trotzdem interessieren wie eine korrekte Schaltung mit Transistoren aufgebaut wird.

BID = 961696

der mit den kurzen Armen

Urgestein



Beiträge: 17437

So ! allerdings existiert kein Schutz gegen Überspannungen !




_________________
Tippfehler sind vom Umtausch ausgeschlossen.
Arbeiten an Verteilern gehören in fachkundige Hände!
Sei Dir immer bewusst, dass von Deiner Arbeit das Leben und die Gesundheit anderer abhängen!

BID = 961720

perl

Ehrenmitglied



Beiträge: 11110,1
Wohnort: Rheinbach


Zitat :
So !
Schlecht, sehr schlecht!
Um nicht zu sagen: Voll falsch.


Außerdem bin ich sehr dafür es bei der originalen Verkabelung zu belassen, d.h. Masse und den beiden Leitungen zu den Lampen. Nicht noch extra Plus heranziehen.
Mit ein bischen Nachdenken geht auch das.


BID = 961736

der mit den kurzen Armen

Urgestein



Beiträge: 17437

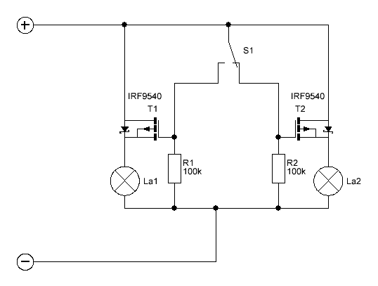
Perl hast natürlich recht da war nicht nur ein Denkfehler ! Hier mal das Ganze mit NPN-Transistoren , die könnten auch mit N-Kanal Fet ersetzt werden.
Der Reedkontakt nimmt dem Transistor die Basisspannung und die dazugehörige Lampe ist dann aus . Die Versorgungsspannung holt sich die Schaltung über die andere Lampe und die Dioden.





_________________
Tippfehler sind vom Umtausch ausgeschlossen.
Arbeiten an Verteilern gehören in fachkundige Hände!
Sei Dir immer bewusst, dass von Deiner Arbeit das Leben und die Gesundheit anderer abhängen!

BID = 962035

meisterandi

Neu hier



Beiträge: 34

Heißt dass, der Transistor bekommt die Steuerspannung über die beiden Lampen?
Dann könnte ich es bei der alten Verkabelung belassen.
Könntest du mir vielleicht noch sagen welche Transistoren und welche Dioden ich dazu brauche.
Vielleicht könntest du mir evtl. einen Link zu Conrad o.ä. senden?

Danke!

BID = 962036

der mit den kurzen Armen

Urgestein



Beiträge: 17437

Die Steuerspannung bekommt der Transistor über die Lampe, die nicht leuchtet und die Diode. Das Relais schließt die Basis des anderen Transistors kurz und damit kann der nicht durch schalten. Empfehlungen für die Bauteile werde ich keine geben!

_________________
Tippfehler sind vom Umtausch ausgeschlossen.
Arbeiten an Verteilern gehören in fachkundige Hände!
Sei Dir immer bewusst, dass von Deiner Arbeit das Leben und die Gesundheit anderer abhängen!

BID = 962037

der mit den kurzen Armen

Urgestein



Beiträge: 17437

Beachte aber das viele Transistoren nur eine Zulässige Spannung von 5 V zwischen Basis und Emitter haben ! Du hast hier aber 12 V-14 V

_________________
Tippfehler sind vom Umtausch ausgeschlossen.
Arbeiten an Verteilern gehören in fachkundige Hände!
Sei Dir immer bewusst, dass von Deiner Arbeit das Leben und die Gesundheit anderer abhängen!

BID = 962040

rasender roland

Schreibmaschine



Beiträge: 1802
Wohnort: Liessow b SN

Wenn man die Dioden durch entsprechende Z Dioden ersetzt
sollte das doch kein Problem sein.

_________________
mfg
Rasender Roland


Vorherige Seite       Nächste Seite
Gehe zu Seite ( Vorherige Seite 1 | 2 | 3 Nächste Seite )
Zurück zur Seite 0 im Unterforum          Vorheriges Thema Nächstes Thema 


Zum Ersatzteileshop


Bezeichnungen von Produkten, Abbildungen und Logos , die in diesem Forum oder im Shop verwendet werden, sind Eigentum des entsprechenden Herstellers oder Besitzers. Diese dienen lediglich zur Identifikation!
Impressum       Datenschutz       Copyright © Baldur Brock Fernsehtechnik und Versand Ersatzteile in Heilbronn Deutschland       

gerechnet auf die letzten 30 Tage haben wir 18 Beiträge im Durchschnitt pro Tag       heute wurden bisher 3 Beiträge verfasst
© x sparkkelsputz        Besucher : 187836824   Heute : 6218    Gestern : 15830    Online : 409        20.12.2025    9:19
76 Besucher in den letzten 60 Sekunden        alle 0.79 Sekunden ein neuer Besucher ---- logout ----viewtopic ---- logout ----
xcvb ycvb
0.0885381698608