| Autor |
|
Fernsehsessel |
Problem gelöst
|
|
|
|
BID = 959392
Daffi Gelegenheitsposter
 
Beiträge: 62
|
|
Hallo,
ich habe folgendes Problem:
Bei meiner Mutter lässt sich bei ihrem elektrisch betriebenen Fernsehsessel die Rückenlehne nur noch nach vorne bewegen. Nach hinten gehts nicht mehr. Der zweite Motor (Fußteil) funktioniert.
Ich habe mir die Elektrisch/mechanische Ansteuerung mal angeschaut.
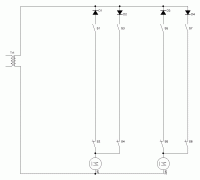
Es gibt eine kleine Platine bei den Motoren. Im Netzkabel ist ein Trafo eingebaut. Die Spannung kommt von diesem Trafo und geht auf die kleine Platine. Das Hand-Steuergerät ist auch mit der Platine verbunden, ebenso die beiden Motoren.
Auf der Platine sind ansonsten nur 4 Dioden drauf keine weiteren Bauelemente. Endschalter gibt es auch noch aber an denen liegt es vermutlich nicht.
Ich konnte leider noch nichts messen, da ich bei meinem letzten Besuch nichts dabei hatte.
Mir ist die Ansteuerung nicht ganz klar.
Wie erfolgt da die Richtungsvorwahl (Es gibt zwei Tasten auf Hand-Steuergerät (vor/zurück) je Motor.
Was für eine Aufgaben können die Dioden haben?
Ich hoffe, dass mir jemand weiter helfen kann.
Gruß
Daffi
|
|
BID = 959394
perl Ehrenmitglied
       
Beiträge: 11110,1 Wohnort: Rheinbach
|
|
Zitat :
| | Es gibt eine kleine Platine bei den Motoren. | Eine oder jeweils eine?
Wenn es nur eine gibt, dann wird das der Gleichrichter sein.
Falls der "Trafo" aber schon Gleichstrom liefert (Typenschild!), dann werden das die Dioden zum Überbrücken der Endschalter sein.
Zitat :
| | Endschalter gibt es auch noch aber an denen liegt es vermutlich nicht. | Vermutlich doch, oder zumindest damit zusammenhängend.
Die Endschalter sind gewöhnlich mit einer Diode überbrückt, die es dem Motor erlaubt in umgekehrter Richtung anzulaufen, obwohl der Schalter geöffnet ist.
|
|
BID = 959435
Verlöter Schreibmaschine
    
Beiträge: 1658 Wohnort: Frankfurt am Main
|
Mir kommt die Beschreibung bekannt vor. Son Fernsehsessel hatte ich im Winter in Behandlung. Feher äußerte sich, wie von Dir beschrieben. Bei mit waren es dann schlechte Lötstellen an den Tastern. Der Daumendruck geht da auch auf die Lötstelle, auf Dauer gibts dann ne Unterbrechung. Erster Test ist: fragliche Taste gedrückt halten und Fernbedienung aufklopfen.
|
BID = 959440
Daffi Gelegenheitsposter
 
Beiträge: 62
|
Hallo,
erst mal vielen Dank für die Antworten.
@perl: Es ist nur eine Platine für beide Motoren.
Was ist deine Vermutung? Liegt es eher an den Dioden oder am Endschalter?
Kannst du mir das noch etwas genauer erklären wie die Diode mit dem Schalter zusammenhängt?
@Verlöter: Werde ich beim nächsten mal testen.
Noch ne Frage:
Fließt der Strom für die Motoren über das Hand-Steuergerärt bzw. die gedrückte Taste? Oder wird mit der Taste nur etwas angesteuert?
Gruß
Daffi
|
BID = 959444
der mit den kurzen Armen Urgestein
     
Beiträge: 17437
|
Du wirst wohl die Schaltung analysieren müssen. So könnten die Motoren auch verschaltet sein und dann liegt es an den Endschaltern oder an der entsprechenden Diode. Denn der Motor wird je nach Drehrichtung mit der positiven oder der negativen Halbwelle betrieben.
_________________
Tippfehler sind vom Umtausch ausgeschlossen.
Arbeiten an Verteilern gehören in fachkundige Hände!
Sei Dir immer bewusst, dass von Deiner Arbeit das Leben und die Gesundheit anderer abhängen!
|
BID = 959865
Daffi Gelegenheitsposter
 
Beiträge: 62
|
Falls es an den Dioden liegen sollte wäre es natürlich gut wenn ich entsprechenden Ersatz dabei hätte (Wohne relativ weit weg).
Was für Dioden werden da üblicherweise verwendet?
Vielleicht kann mir da jemand einen Typ nennen.
Gruß
Daffi
|
BID = 959875
der mit den kurzen Armen Urgestein
     
Beiträge: 17437
|
Ich würde da 4 Dioden mit 1000V und 6 oder 10 A nehmen auch wenn die "überdimensioniert" sind so hast du doch möglichen Ersatz.
_________________
Tippfehler sind vom Umtausch ausgeschlossen.
Arbeiten an Verteilern gehören in fachkundige Hände!
Sei Dir immer bewusst, dass von Deiner Arbeit das Leben und die Gesundheit anderer abhängen!
|
BID = 959892
perl Ehrenmitglied
       
Beiträge: 11110,1 Wohnort: Rheinbach
|
Zitat :
| Was für Dioden werden da üblicherweise verwendet?
Vielleicht kann mir da jemand einen Typ nennen. |
Größer als die vorhanden werden sie nicht zu sein brauchen, und wahrscheinlich sind das 1A Typen wie 1N4004 o.ä. oder 3A Typen wie 1N5404.
5A Typen, wie die BY550, sind wahrscheinlich schon überdimensioniert.
Je mehr Strom die Dioden schaffen, umso dicker werden die Anschlußdrähte, und dann passen sie evtl. nicht mehr in die Bohrungen der Platine.
Als erstes würde ich aber die Funktion der Endschalter (und ihrer Zuleitungen!) prüfen.
Egal wie die Schaltung ist, so sind die Endschalter doch normaler Weise geschlossen und öffnen am jeweiligen Ende des Betätigungsweges.
[ Diese Nachricht wurde geändert von: perl am 28 Apr 2015 17:24 ]
|
BID = 959941
Verlöter Schreibmaschine
    
Beiträge: 1658 Wohnort: Frankfurt am Main
|
Den Test mit dem Erschüttern der Fernbedienung und gleichzeitiges Drücken des fraglichen Tasters kann auch der Nutzer des Sessels schon machen. Wenn der Motor dann mal zuckt kannst Du die Dioden zuhause lassen.
|
BID = 960329
Daffi Gelegenheitsposter
 
Beiträge: 62
|
Hallo,
habe den Fehler gefunden.
Es war ein Schalter im Hand-Steuergerät. Habe schon Ersatz bestellt.
Vielen Dank nochmals an die Hinweise und Tips.
Gruß
Daffi
|