| Autor |
|
|
|
BID = 957271
Otiffany Urgestein
     
Beiträge: 13779 Wohnort: 37081 Göttingen
|
|
Ich bekam das Gerät schon fertig aufgebaut!
Gruß
Peter |
|
BID = 957346
Manolito Stammposter
    Beiträge: 439 Wohnort: anywhere
|
|
@Harald73
@Otiffany
Danke für die Info. |
|
BID = 957410
Otiffany Urgestein
     
Beiträge: 13779 Wohnort: 37081 Göttingen
|
So, Gehäuse ist fertig:
Gruß
Peter
P.S.
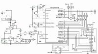
Hier ist übrigens noch der Schaltplan (Quelle "Radioforum"):
[ Diese Nachricht wurde geändert von: Otiffany am 26 Mär 2015 19:58 ]
|
BID = 957471
attersee Stammposter
   
Beiträge: 451 Wohnort: Wien
|
Das fix und fertige Gerät ist heute eingelangt. Auf die Schnelle habe ich stichprobenartig ein paar L/C-Testmessungen vorgenommen.
Der Wert vor dem Schrägstrich wurde mit einem hp 4262 LCR-Meter gemessen, der dahinter stehende Wert mit dem China-Meter.
Glimmer Kondensator: 10,00 nF / 9668 pF
Glimmer Kondensator: 1,011 nF / 974 pF
Elko: 904 µF, RS = 57 mOhm, D = 0,326 / 956,9 µF, RS = 0,02 bis 0,04 Ohm
alter Elko: 83,6 µF, RS = 410 mOhm / 90,44 µF, RS = 0,35 Ohm
Standard-Induktivität: 10,00 mH / 9,59 mH
Topfkern-Induktivität: 7,90 H, Q=125 / 7,35 H
Für eine schnelle Abschätzung wird das in vielen Fällen reichen. Ein Präzisions-Messgerät dufte man ja nicht erwarten. Hauptsächlich habe ich das Gerät aber für Halbleiter-Tests gekauft. Da muss ich aber erst eine ruhige Minute finden.
Grüße, attersee
|
BID = 957476
perl Ehrenmitglied
       
Beiträge: 11110,1 Wohnort: Rheinbach
|
Zitat :
| | So, Gehäuse ist fertig |
Hasse jood jemacht.
Allerdings solltest du noch die Buchsen beschriften und vielleicht auch noch die Meßbereiche draufschreiben, denn in zwei Jahren weisst du nicht mehr, was die Farben bedeuten und die Unterlagen sind irgendwo verbuddelt.
Kann das Gerät seine eigene Batterie testen?
P.S.:
Ich lege in solche Gehäuse auch gerne mal den Schaltplan mit hinein.
Das erspart viel Sucherei, wenn irgendwann etwas kaputt geht.
[ Diese Nachricht wurde geändert von: perl am 27 Mär 2015 15:59 ]
|
BID = 957485
Goetz Schreibmaschine
     Beiträge: 1966 Wohnort: Dresden
|
Die Buchsen muss man nicht beschriften (höchstens mit 1 - 2 -3 ), und Messbereiche werden auch nicht eingestellt, das erkennt das Teil selbst.
Batterietest wird beim einschalten gemacht.
Zumindest bei dem Fertiggerät, das ich mir gekauft habe.
[ Diese Nachricht wurde geändert von: Goetz am 27 Mär 2015 17:38 ]
|
BID = 957495
perl Ehrenmitglied
       
Beiträge: 11110,1 Wohnort: Rheinbach
|
Zitat :
| | Die Buchsen muss man nicht beschriften (höchstens mit 1 - 2 -3 ), und Messbereiche werden auch nicht eingestellt, das erkennt das Teil selbst. |
Wie schön, daß man das immer ganz genau weiss, wenn man sich gerade auf etwas anderes konzentriert und die Schachtel nicht testen, sondern als ganz normales Werkzeug einsetzen möchte.
Da war doch was zu beachten ... oder nicht ... oder doch ... und was besagen die Farben
[ Diese Nachricht wurde geändert von: perl am 27 Mär 2015 18:23 ]
|
BID = 957518
Otiffany Urgestein
     
Beiträge: 13779 Wohnort: 37081 Göttingen
|
Eine Beschriftung ist nicht nötig, weil, wie das Bild deutlich erkennen läßt, die Bezeichnung der Buchsen (1-2-3) mit angegeben wird.
Ich habe übrigens festgestellt, daß wenn man nur 1x die Taste (Schalter) betätigt, die Anzeige nur sehr kurz das Ergebnis anzeigt. Wenn man jedoch 2x kurz hintereinander schaltet, bleibt die Anzeige gespeichert.
Als Testobjekt dient hier ein unbeschrifteter Germaniumtransistor, von denen ich vor grauen Zeiten mal einige vom Grabbeltisch mitgenommen habe.
Die Farben der Strippen sind übrigens willkürlich gewählt (schwarz-rot-gold = Fahne der BRD  ).
Gruß
Peter
[ Diese Nachricht wurde geändert von: Otiffany am 27 Mär 2015 20:55 ]
|
BID = 957532
perl Ehrenmitglied
       
Beiträge: 11110,1 Wohnort: Rheinbach
|
Zitat :
| | Eine Beschriftung ist nicht nötig, weil, .... |
Na dann ...
Die Abschlußanordnung, die dieses Gerät ausgetüftelt hat, scheint mir übrigens falsch zu sein, und möglicherweise beruhen darauf die miserablen Daten.
Normaler Weise befindet sich der Emitter neben dem Tab am Gehäuse und dort ist der schwarze Draht abgeschlossen.
Der geht zur Buchse 1 und das Gerät behauptet es sei der Kollektor.
Oder sehe ich das falsch?
|
BID = 957533
der mit den kurzen Armen Urgestein
     
Beiträge: 17437
|
nö meistens war da wo die Nase ist der Emitter.
_________________
Tippfehler sind vom Umtausch ausgeschlossen.
Arbeiten an Verteilern gehören in fachkundige Hände!
Sei Dir immer bewusst, dass von Deiner Arbeit das Leben und die Gesundheit anderer abhängen!
|
BID = 957534
Otiffany Urgestein
     
Beiträge: 13779 Wohnort: 37081 Göttingen
|
Perl, hier hast Du recht!
Wenn ich die Anschlüsse E/C vertausche sagt das Gerät es sei ein Fet.
Richtig ist nur, daß es sich um einen PNP-Transistor handelt.
Ich habe auch irgendwo gelesen, daß es mit Germaniumtransistoren Probleme geben kann.
Mit Si-Transistoren zeigt es richtig an.
Gruß
Peter
[ Diese Nachricht wurde geändert von: Otiffany am 27 Mär 2015 23:45 ]
|
BID = 957542
perl Ehrenmitglied
       
Beiträge: 11110,1 Wohnort: Rheinbach
|
Zitat :
| | nö meistens war da wo die Nase ist der Emitter. |
Das schrieb ich doch.
Zitat :
| | Wenn ich die Anschlüsse E/C vertausche sagt das Gerät es sei ein Fet |
Wie ist das möglich, da das Gerät doch angeblich die Anschlußanordnung selbst feststellt.
P.S.:
Biete dem Gerät doch mal einen UJT z.B. einen 2N2646 an.
Bin gespannt was es daraus macht.
[ Diese Nachricht wurde geändert von: perl am 28 Mär 2015 1:22 ]
|
BID = 957547
nabruxas Monitorspezialist
    
Beiträge: 9533 Wohnort: Alpenrepublik
|
Zitat :
| iete dem Gerät doch mal einen UJT z.B. einen 2N2646 an.
Bin gespannt was es daraus macht. |
Einen Tongenerator!
_________________
0815 - Mit der Lizenz zum Löten!
|
BID = 957555
Otiffany Urgestein
     
Beiträge: 13779 Wohnort: 37081 Göttingen
|
Das werde ich mal testen; ich müßte noch welche haben.
Gruß
Peter
|
BID = 957566
Otiffany Urgestein
     
Beiträge: 13779 Wohnort: 37081 Göttingen
|
Hier habe ich mal einen UJT geprüft (2N2646).
Gruß
Peter
|