| Autor |
|
EPN510 gegen eud12npn-uc tauschen |
|
|
|
|
BID = 936894
V.I.P.E.R Gerade angekommen
Beiträge: 3
|
|
Hallo zusammen,
ich bin zufällig beim suchen auf dieses Forum gestoßen und ich hoffe ihr könnt mir helfen.
Ich fürs Wohnzimmer einen Stromstoßschalter im Sicherungskasten (Typ EPN510 mit den Anschlüssen A1,A2, 1,2) und möchte den gerne gegen den EUD12NPN-UC (A1,A2,N,L, Lampensymbol) tauschen. Aus den Beschreibungen der beiden werde ich leider nicht schlau, welche Ader wo hin muss - könnt ihr mir da helfen?
VG
Tim |
|
BID = 936895
der mit den kurzen Armen Urgestein
     
Beiträge: 17437
|
|
Du kannst einen Stromstoßschalter nicht einfach durch einen Dimmschalter ersetzen! Möglich in deinem Fall ist es aber. Diese Arbeit solltest du besser einer Elektrofachkraft überlassen.
_________________
Tippfehler sind vom Umtausch ausgeschlossen.
Arbeiten an Verteilern gehören in fachkundige Hände!
Sei Dir immer bewusst, dass von Deiner Arbeit das Leben und die Gesundheit anderer abhängen!
[ Diese Nachricht wurde geändert von: der mit den kurzen Armen am 5 Sep 2014 17:48 ] |
|
BID = 936898
V.I.P.E.R Gerade angekommen
Beiträge: 3
|
|
BID = 936900
der mit den kurzen Armen Urgestein
     
Beiträge: 17437
|
Das Teil kann noch etwas mehr als nur das Licht per Tasterdruck ein und auszuschalten!
Der Elektriker vor Ort hat das Teil in 5 Minuten richtig angeschlossen, denn er kann Schaltpläne lesen. Eine Anleitung alla malen nach Zahlen werden wir hier nicht geben.
_________________
Tippfehler sind vom Umtausch ausgeschlossen.
Arbeiten an Verteilern gehören in fachkundige Hände!
Sei Dir immer bewusst, dass von Deiner Arbeit das Leben und die Gesundheit anderer abhängen!
|
BID = 936917
V.I.P.E.R Gerade angekommen
Beiträge: 3
|
Ich weiß, deswegen hab ich es ja gekauft.
Schade ich dachte man könnte hier unkompliziert Hilfe bei sowas bekommen - sah in älteren Threads zu mindestens so aus.
Aber gut - trotzdem Danke
|
BID = 936927
der mit den kurzen Armen Urgestein
     
Beiträge: 17437
|
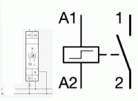
Hier mal beide Anschlussbilder wenn du die Vergleichst fällt dir evl etwas auf!
Über 1 und 2 Wird die Lampe geschaltet Im Bild das Kreuz nach N der Rest dürfte klar sein.
Aber wenn du Schaltpläne nicht lesen und verstehen kannst, lass die Pfoten von der Verteilung!
_________________
Tippfehler sind vom Umtausch ausgeschlossen.
Arbeiten an Verteilern gehören in fachkundige Hände!
Sei Dir immer bewusst, dass von Deiner Arbeit das Leben und die Gesundheit anderer abhängen!
|