| Autor |
|
Aussendung am unteren Ende des Spektrums, SAQ on air am 29.6.2014 |
|
|
|
|
BID = 929871
laser-tv Stammposter
   
Beiträge: 225 Wohnort: gehrden
|
|
Hallo zusammen,
mal etwas zu noch intakter historischer Funktechnik:
Am Sonntag, den 29.6.2014 wird der letzte noch intakte Maschinensender SAQ in Grimeton auf 17,2 kHz (!) zweimal eine Grußbotschaft senden.
Nähere Infos hier:
http://alexander.n.se/in-english/saq-transmission/
Ich habe schon mal den Staub vom VLF-Konverter und von meinem VLF-Taschenempfänger gepustet und werde auf einen Feldweg in der Nähe fahren (da gibt es kaum QRM im VLF Band) und versuchen, das Signal aufzunehmen. Ist sonst noch jemand im VLF Band QRV und wenn ja womit?
Vy 73
Wilfried |
|
BID = 929875
perl Ehrenmitglied
       
Beiträge: 11110,1 Wohnort: Rheinbach
|
|
Alle Jahre wieder ...
Schade, das kommt jetzt etwas zu plötzlich um noch etwas zuammenzurödeln.
Die Webseite ist mir aber schon länger bekannt.
Falls du es am Sonntag nicht schaffst, kannst du es am Mittwoch noch einmal probieren:
Zitat :
| Extra transmission on Wednesday, July 2, 2014
An extra transmission will be performed on Wednesday, July 2, at 14:30 UTC to celebrate the 10th anniversary of the World Heritage appointment of SAQ. We start the transmitter at 14:00 UTC and a test signal will be transmitted from about 14:10 UTC. The frequency is 17.2 kHz CW.
We do not require any QSL-reports on this SAQ transmission and will not verify. |
P.S.:
Interessant, dass man offenbar nur 10 Minuten braucht um diesen Maschinensender hochzufahren.
Bei den "modernen" Leistungsröhren geht das nicht viel schneller
http://www.tork.com.tr/images/klystron/k3755.pdf
und manchmal dauert es sogar länger:
frank.pocnet.net/sheets/140/x/X841D.pdf
[ Diese Nachricht wurde geändert von: perl am 28 Jun 2014 0:22 ] |
|
BID = 929878
Mr.Ed Moderator
      
Beiträge: 36327 Wohnort: Recklinghausen
|
Wer keinen entsprechenden Empfänger hat, die SDRs im Netz helfen weiter.
http://websdr.ewi.utwente.nl:8901/
http://9a1rbz.no-ip.org:8901/
_________________
-=MR.ED=-
Anfragen bitte ins Forum, nicht per PM, Mail ICQ o.ä. So haben alle was davon und alle können helfen. Entsprechende Anfragen werden ignoriert.
Für Schäden und Folgeschäden an Geräten und/oder Personen übernehme ich keine Haftung.
Die Sicherheits- sowie die VDE Vorschriften sind zu beachten, im Zweifelsfalle grundsätzlich einen Fachmann fragen bzw. die Arbeiten von einer Fachfirma ausführen lassen.
|
BID = 929881
dl2jas Inventar
     
Beiträge: 9913 Wohnort: Kreis Siegburg
|
Im Netz gibt es einen Bauvorschlag.
http://elektronikbasteln.pl7.de/lw.html
Ausprobiert habe ich den nicht, soll aber funktionieren, wie ich von einem Nachbauer hörte.
DL2JAS
_________________
mir haben lehrer den unterschied zwischen groß und kleinschreibung und die bedeutung der interpunktion zb punkt und komma beigebracht die das lesen eines textes gerade wenn er komplizierter ist und mehrere verschachtelungen enthält wesentlich erleichtert
|
BID = 929892
Her Masters Voice Inventar
     
Avatar auf fremdem Server ! Hochladen oder per Mail an Admin
Beiträge: 5312 Wohnort: irgendwo südlich von Berlin
|
Offtopic :
| | hm.... ich sende oft auf noch viel niedrigerer Frequenz und da wird kein grosser Aufriss drum gemacht. Einfach Hörer hoch, Nummer gewählt und schon gehts los im Basisband! Ganz im Notfall geht das sogar völlig ohne Technik dazwischen, wenn der Empfänger nah genug am Sender ist. |
|
BID = 929900
Mr.Ed Moderator
      
Beiträge: 36327 Wohnort: Recklinghausen
|
Offtopic :
| | Du kannst aber nicht so laut brüllen wie der Sender. Der brüllt weltweit. :-) |
_________________
-=MR.ED=-
Anfragen bitte ins Forum, nicht per PM, Mail ICQ o.ä. So haben alle was davon und alle können helfen. Entsprechende Anfragen werden ignoriert.
Für Schäden und Folgeschäden an Geräten und/oder Personen übernehme ich keine Haftung.
Die Sicherheits- sowie die VDE Vorschriften sind zu beachten, im Zweifelsfalle grundsätzlich einen Fachmann fragen bzw. die Arbeiten von einer Fachfirma ausführen lassen.
[ Diese Nachricht wurde geändert von: Mr.Ed am 28 Jun 2014 10:03 ]
|
BID = 929907
laser-tv Stammposter
   
Beiträge: 225 Wohnort: gehrden
|
Offtopic :
|
...so ganz ohne Technik bei offenem Feuer in der Höhle sitzen und sein selbst mit bloßen Händen gefangenes Essen verzehren mag ja auch ganz reizvoll sein... |
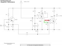
Hier eine Schaltung für eine Quick and Dirty-Lösung für kurzentschlossene Lötkolbenschwinger:
Geht notfalls auch mit normalen FETs falls keine Dual-Gates zur Hand sind.
Als Quarz kann man im Prinzip alles nehmen was in der Bastelkiste liegt
Bislang war jeder Quarz , den ich bislang in die Finger bekommen habe damit auf der Grundwelle zum Schwingen zu bekommen.
Sicher...Ringmischer, angepasste (lange) Antennen usw. entsprechen eher der reinen Lehre, und ich kenne auch die SO42-Konzepte. Auch der LO Pegel am Ausgang dieser Kreuzknobelschaltung ist heftig (>9+40), aber es funktioniert trotzdem vom Feinsten. Selbst ein billiger chinesischer Weltempfänger kommt damit zurecht und reicht aus, um damit z.B. die Alphas, die vom Pegel her mit SAQ in etwa vergleichbar sind zu hören.
Eine kurze Teleskopantenne am Eingang direkt aufgesteckt reicht. Natürlich muß man damit etwas Abstand zu Störquellen haben. Im Zimmer wird das mit so einer Schaltung nichts, aber auf dem Feldweg ein paar 100m von Häusern u.ä. entfernt ist SAQ damit klar zu empfangen.
Wer also noch fix QRV werden will...einen Versuch ist es Wert.
Vy 73
Wilfried
|
BID = 929978
laser-tv Stammposter
   
Beiträge: 225 Wohnort: gehrden
|
Update:
Beide SAQ Aussendungen waren laut und deutlich zu hören.
Ich konnte sogar in den Tastpausen leise das Restsignal empfangen. Besonders interessant hörte sich das beim Abschalten der Maschine an, ein kurz in der Frequenz abschwellender und leiser werdender Ton, bis dann wieder nur noch das QRN zu hören war.
Es ging heute wieder richtig gut...
Am 2.7. werden sie nochmal senden, dann bin ich dort wieder auf der Welle.
Vy 73
Wilfried, DJ1WF
|
BID = 929989
perl Ehrenmitglied
       
Beiträge: 11110,1 Wohnort: Rheinbach
|
Zitat :
| | Besonders interessant hörte sich das beim Abschalten der Maschine an, ein kurz in der Frequenz abschwellender und leiser werdender Ton, bis dann wieder nur noch das QRN zu hören war. |
Ich habe das auch gehört, über das von Mr.Ed verlinkte SDR in NL.
Es waren aber sogar zwei "Enden":
Einige ähnliche Frequenzsprünge auch in umgekehrter Richtung, jeweils gefolgt von Abschaltung, traten auch während des vorangegangen Testbetriebs auf.
Ansonsten war die Frequenzkonstanz dieses Monsters recht beeindruckend.
N.B.:
Ich habe die Aufzeichnung nicht nach mp3 komprimiert, weil meine Software dabei Artefakte erzeugt, die sich wie eine kaputte Klosettspülung anhören.
P.S.:
Zitat :
| | beim Abschalten der Maschine an, ein kurz in der Frequenz abschwellender |
Kennst du noch die Frequenzlage deines BFO?
Ich habe nämlich den Eindruck, dass die Frequenzerniedrigung des Tones in Wirklichkeit eine Frequenzerhöhung des Senders bedeutet ...
P.P.S.:
Das obige Schaltbild des VLF-Konverters enthält wohl einen Zeichenfehler:
Der 6,8nF Kondensator sollte am G1 des zweiten BF998 angeschlossen sein.
Die Ansteuerung des G2 mit dem Quarzoszillator ist hingegen richtig:
[ Diese Nachricht wurde geändert von: perl am 29 Jun 2014 18:59 ]
|