| Autor |
Brauche Zeitrelais ohne eigene Stromversorgung Suche nach: stromversorgung (3378) |
|
|
|
|
BID = 64323
windiwn Gerade angekommen
Beiträge: 1
|
|
Hi, wer kann mir helfen...
Ich brauche ein Zeitrelais welches ein Signal, das 1 Sekunde ansteht einen Verbraucher (Sirene) auch 1 sek an läßt... bei 2 sek 2.. usw. ...
Wenn jetzt ein Signal von >30 sek kommt, soll die Sirene nach 30 sek ausgeschaltet werden, bis wieder ein Signal kommt...
Das Problem,... die Signalspannung ist 12 Volt. liegt direkt an der Sirene an. Ich habe keine Weitere Spannung zur verfügung bis auf die 12 Volt, die nur sehr kurz, oder aber auch lange anstehen kann. Hat da einer eine Idee? Oder vielleicht auch einen Schaltplan?
Danke für eure Hilfe. |
|
BID = 64387
Otiffany Urgestein
     
Beiträge: 13779 Wohnort: 37081 Göttingen
|
|
Hi,
was ist das für eine Signalspannung??? Gleich- oder Wechelspannung??
Gruß
Peter |
|
BID = 64390
ronki1 Schriftsteller
    
Beiträge: 689 Wohnort: Halle / Saale
|
Hi windiwn,
Du suchst also so eine Art Monoflop, der 30 Sek. aktiv ist egal wie lange das Signal ansteht?!
Ohne zusätzliche Versorgungsspannung wird es glaube ich nicht funktionieren, denn selbst wenn Du die Ansteuerung hin bekommst, die Sirene verbraucht ja auch nicht gerade wenig Strom. Wie belastbar ist denn der jetzige ausgang?
Schaltungsmässig könnte ein 555 als Monoflop mit Treibertransistor (plus eventuell Relais) herhalten.
MfG,
Ronald
|
BID = 64394
2SJ200 Schreibmaschine
     Beiträge: 1942 Wohnort: Österreich
|
ich würd einen 555er einsetzten der nach 30sekunden ein relais ansteuert des dann die sirene abschaltet, wenn die versorgung weggeht wird der kondensator des 555ers (wenn nötig über eine diode) schnell entladen und so is die schaltung auch wieder schnell einsatzbereit, müsste nicht mal ein 555er sein, ein normaler komparator würd auch funktionieren...
|
BID = 65299
peranders Gerade angekommen
Beiträge: 12 Wohnort: Göteborg, Schweden
|
Your function can very easy be made by 2 CMOS 4541 Timer IC. The first timer is set for 30 seconds astable function. From the output the second one is connected in monostable mode. Just download the datasheet from Philips.
The advantage of 4541 is very low current consumption and the easiness of making long times. 4541 is very common in time relays.
_________________
/P-A, only my mother calls me Per-Anders
Understand deutsch fairly but I'm bad in writing, I'm afraid.
[ Diese Nachricht wurde geändert von: peranders am 19 Apr 2004 10:36 ]
|
BID = 65825
Otiffany Urgestein
     
Beiträge: 13779 Wohnort: 37081 Göttingen
|
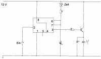
Hi,
vielleicht hilft Dir diese Schaltung weiter.
Den Taster läßt Du weg und legst eine Brücke.
Gruß
Peter
|
BID = 65836
tixiv Schreibmaschine
    
Beiträge: 1492 Wohnort: Gelsenkirchen
|
@Otifanny:
Das ist wieder mal Quatsch. Den Taster kann man nicht einfach brücken, da Der Ausgang immer high bleibt solange man den Trigger auf low zieht.
Man muss einfach Pins 2 und 6 verbinden um die gewünschte Funktion zu erhalten. Am besten noch vom Pluspol des Kondensators eine Diode 1N4148 nach Plus damit sich dieser beim Abschalten schnell entlädt.
|
BID = 66014
Otiffany Urgestein
     
Beiträge: 13779 Wohnort: 37081 Göttingen
|
Du hast recht, ich habe das mit einer Schaltung verwechselt die ich mal aufgebaut habe, da hatte ich den Triggereingang dynamisch angesteuert.
Gruß
Peter
|