| Autor |
|
SFA (Schaltungs und Funktions Analyse) NT für röhren Amp |
|
|
|
|
BID = 62590
Happysteff Gesprächig
   Beiträge: 185 Wohnort: Verden
|
|
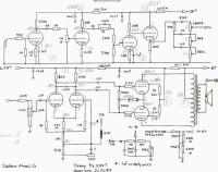
Hallo! Hab mir diesen amp nachgebaut aber kein netzteil plan dafür gefunden....hab mir jezt ein aus verschieden schalplänen eins zusammen gebaut,hab auch leider keine spannungs angaben...wess nur das die anoden und schirmg. spannung eigentlich nicht über 300v bei der EL84 sein soll.. |
|
BID = 62591
Happysteff Gesprächig
   Beiträge: 185 Wohnort: Verden
|
|
Nun zum NT. Hab ich mir so "zusammen" gebaut....
Kan ich das ruhig so machen? Hab wie gesagt nicht ordentliches gefunden....und alle haben das anders...
zb. sizt bei einigen der standby schalter woanders..einige haben keine drossel..(hab ich aus einem schalt. Nt. ausgebaut)Bringt die drossel an der stelle überhaupt was?
Spannung fällt kaum drüber ab!....
Punkt A unn B sind mir klar...aber wie hoch dürfen bzw. sollten die spannungen an C/D und E sein?
p.s.. Hab den amp mit automatischer -ug gebaut..(kath. R 120ohm)
Thanks.
Steff |
|
BID = 62625
tixiv Schreibmaschine
    
Beiträge: 1492 Wohnort: Gelsenkirchen
|
Das NT sieht ssoweit ganz O.K. aus, bis auf den Nachteil, dass die Spannung höher als 300V werden kann, wenn die Röhren noch nicht richtig warm sind. Aber dafür ist ja der Standby Schalter da - darf man nur nich vergessen, ihn zu benutzen.
Die Drossel aus einem Schaltnetzteil wird übrigens ganz pauschal gesagt wahrscheinlich garnichts bringen. Die wird eine viel zu niedrige Induktivität haben. Ist aber auch nicht schlimm, da ja Deine 100/120 Ohm Widerstände für eine Glättung sorgen. Berechne für diese beiden Widerstände unbedingt die Verlustleistung! die wird wahrscheinlich so um die 1-2W liegen.
|
BID = 62711
Happysteff Gesprächig
   Beiträge: 185 Wohnort: Verden
|
So,hab das nochmal etwas ordentlicher aufgemalen,mit spannungen und so...(gemessen nach 30min. betrieb. Keine git. angeschlossen,lautstärke potis auf "null")
Mein amperemeter hat den strom auf 85mA "geschäzt"...
Der 120ohm wird verdammt warm,fast heiss, obwohl (oder weil?)das ein zement wiederstand mit einigen watt ist! (vieviel weiss ich nicht,ich glaube 8w) Der 100ohm hingegen wird nur etwas warm obwohl er kleiner ist ,leistungsmäßig (ca. 3w).....stimmt mich nachdenklich weil da doch eigentlioch der gleiche strom fliesst..!!
Ich hatte leider nicht genug hochvolt elkos,daher ist das so eine mischung geworden aus 20 und 100µf.....
Ob ich den 120ohm durch eine 100ohm ersetzen sollte?
Das müsste ja eigentlich die ges. spannung noch etwas anheben....
|
BID = 62802
perl Ehrenmitglied
       
Beiträge: 11110,1 Wohnort: Rheinbach
|
Zitat :
| | .wess nur das die anoden und schirmg. spannung eigentlich nicht über 300v bei der EL84 sein soll.. |
Ja, wieso das denn ?
Das ist doch kein Transistor. Spannung erweckt Röhren erst zum Leben, solange es keine Überschläge gibt.
Allerdings solltest du die Anodenverlustleistung, und, vielleicht noch wichtiger, die G2-Leistung im Auge behalten.
Die Anodenverlustleistung (für 2 Röhren) errechnet sich genau genug aus aufgenommener minus abgegebener Leistung.
Das Maximum wird übrigens normaler Weise nicht bei Vollaussteuerung erreicht.
Gefahr droht hier von zu niedrigem Ausgangswiderstand also evtl. dadurch, daß die Induktivität des Ausgangstrafos für niedrige Frequenzen zu gering ist.
Die P G2 kann hingegegen bei zu hohem Ausgangswiderstand oder Leerlauf überschritten werden. Gewöhnlich mißt man die nicht nach, und wegen des Aufbaus sieht man nicht, wie schön die Gitterdrähte glühen. Das ist aber auch nicht gut für die Röhre.
_________________
Haftungsausschluß:
Bei obigem Beitrag handelt es sich um meine private Meinung.
Rechtsansprüche dürfen aus deren Anwendung nicht abgeleitet werden.
Besonders VDE0100; VDE0550/0551; VDE0700; VDE0711; VDE0860 beachten !
|
BID = 62829
Happysteff Gesprächig
   Beiträge: 185 Wohnort: Verden
|
Moin Pearl!
Steht so im datenblatt mit max300v.
Äh.... über die g2 leistung hab ich mir bissher noch nie gedanken gemacht ...
Im schalplan hat der an g2 auch 1kohm verwendet.
Ich hab da 100 ohm genommen weil das in anderen plänen auch so ist.
Sollte ich da auch lieber 1k nehmen?
|
BID = 62830
perl Ehrenmitglied
       
Beiträge: 11110,1 Wohnort: Rheinbach
|
Zitat :
| | Sollte ich da auch lieber 1k nehmen? |
Kann man nicht so pauschal sagen. Am besten mal messen und dann beruhigt schlafen gehen. Zulässig sind 2W.
Die Verlustleitung am G2 hängt wie gesagt vom Lastwiderstand an der Anode ab. Wenn die Anodenspannung zu früh runter geht, steigt die Belastung des G2 evtl. in unzulässiger Weise.
Wegen der paar Volt Überspannung mach dir keine Sorgen. Die vornehmere Schwester mit den goldnen Beinchen ist mit 450V angegeben und 600V wenn sie noch kalt ist.
Ich schätze, daß es erst bei Impulsspannungen von 900..1000V allmählich für Fassung und Innenaufbau kritisch wird.
Außerdem schreibts du, daß du automatische Ug mit Rk=120 R verwendest. Bei 85mA sind das 10V Spannungsabfall, die nicht als Spannungsdifferenz zwischen A und K in Erscheinung treten.
_________________
Haftungsausschluß:
Bei obigem Beitrag handelt es sich um meine private Meinung.
Rechtsansprüche dürfen aus deren Anwendung nicht abgeleitet werden.
Besonders VDE0100; VDE0550/0551; VDE0700; VDE0711; VDE0860 beachten !
|
BID = 62838
Happysteff Gesprächig
   Beiträge: 185 Wohnort: Verden
|
Ja,hab das mit 120ohm k. wirderstand gemacht,wiel ich da schon etwas übung drinn hab von den anderen "projekten"...
und ich ja auch keine etxtra -u besorgen muss...
Stimmt, ich messe ca 10,6V an dem wiederstand...Das würde ja,zum. rechnerisch ja auch ca. 88mA ergeben...
Gehe ich recht in der annahme das ich das durch 2 teilen muss und somit einen ruhestrom von ca 44 mA pro EL84 habe?
Somit wäre ich lt. datenblatt,das ich von dir mal bekommen habe, so gerade im limmit!
(Diesen A B und A/B kram hab ich auch noch nicht so richtig begriffen,will aber nicht wieder zuweit vom thema abkommen)
Ich könnte demnach ja auch Ub wieder etwas erhöhen in dem ich den 120ohm im Nt verkleinere?
|
BID = 62841
Happysteff Gesprächig
   Beiträge: 185 Wohnort: Verden
|
Mal eben was anders...
Unten steht immer "Danke,der tipp hat geholfen" !!
Jezt ist das was wir hier hier machen ja nicht reine Fehlersuche sondern eher "Fachsimplen mit Lerneffekt" für mich.
Falls das nicht oder nicht mehr erwünscht ist,bitte bescheid sagen.
Danke.
Steff.
|
BID = 63356
perl Ehrenmitglied
       
Beiträge: 11110,1 Wohnort: Rheinbach
|
Zitat :
| Gehe ich recht in der annahme das ich das durch 2 teilen muss und somit einen ruhestrom von ca 44 mA pro EL84 habe?
Somit wäre ich lt. datenblatt,das ich von dir mal bekommen habe, so gerade im limmit! |
Deine Überlegungen sind richtig, und der Ruhestrom ist tatsächlich recht hoch.
Ich würde dir empfehlen, den Rk mindestens auf den in DB genannten Wert von 130 Ohm zu erhöhen.
Durch den zu geringen Rk steigt wegen der geringeren Gitterspannung nicht nur der Ruhestrom, sondern es sinkt auch die Aussteuerbarkeit !
Im DB ist für Vollaussteuerung eine Spannung von 10Veff genannt. Das bedeutet eine Spitzenspannung von 14V und soviel Spannung muß in der Stromspitze am Kathodenwiderstand mindestens abfallen, sonst setzt Gitterstrom ein.
Durch den Betrieb mit Gitterstrom kann man zwar noch etwas Leistung herauskitzeln, wenn man niederohmige Treiberstufen verwendet, aber im Normalfall handelt man sich nur Verzerrungen ein.
Ganz häßlich macht sich der Einsatz des Gitterstroms bemerkbar, wenn die Endröhren direkt von der Phasenumkehrstufe getrieben werden.
Dann bricht nämlich, wenn bei der kathodenseitigen Endröhre der Gitterstrom einsetzt, die ansonsten fast 100% Gegenkopplung des Treibers zusammen. Dadurch schaltet die anodenseitige Endröhre geradezu ab.
Das Resultat ist ein jäher Anstieg des Klirrfaktors.
_________________
Haftungsausschluß:
Bei obigem Beitrag handelt es sich um meine private Meinung.
Rechtsansprüche dürfen aus deren Anwendung nicht abgeleitet werden.
Besonders VDE0100; VDE0550/0551; VDE0700; VDE0711; VDE0860 beachten !
|