| Autor |
Thyristor Triac ??? Suche nach: triac (3653) |
|
|
|
|
BID = 59624
ICEbAIR Neu hier

Beiträge: 31
|
|
Hallöchen!
Habe erfolgreich eine Schaltung mit Thyristor aufgebaut, um Lampen via Mikrocontroller zu schalten.
Nun ist es ja so, daß der Thyristor immer nur eine Halbwelle der Wechselspannung durch lässt (folglich sind die Lampen nicht ganz hell). Und wenn ich das richtig verstanden habe, lässt ein Triac die Volle Wechselspannung hindurch.
Kann ich einfach die Thyristoren durch Triacs ersetzen, oder werden diese gänzlich anders verschaltet?
(Falls ja wäre ich für ein kleines schaltungsschema sehr dankbar, habe nämlich keine Datenblätter dafür gefunden)
Und gleich noch eine Frage:
Ich möchte evtl. meine Lampen per Pulsweitenmodulation dimmen. gibt es da was zu beachten?
(Also wie schnell darf ich hin & her schalten etc.)
Bin für jede Hilfe Dankbar :o) |
|
BID = 59660
perl Ehrenmitglied
       
Beiträge: 11110,1 Wohnort: Rheinbach
|
|
Zitat :
| Kann ich einfach die Thyristoren durch Triacs ersetzen, oder werden diese gänzlich anders verschaltet?
(Falls ja wäre ich für ein kleines schaltungsschema sehr dankbar, habe nämlich keine Datenblätter dafür gefunden) |
Vorrausgesetzt man hat genügend Steuerleistung, geht das meistens tatsächlich so.
Wenn du Datenblätter benötigst, solltest du uns mal sagen welchen Strom bei welcher Spannung die schalten willst, und wieviel Steuersignal du zur Verfügung hast.
Mit Thyristoren und Triacs kannst du natürlich Lampen dimmen, aber nicht durch hin- und herschalten, sondern nur durch verzögertes Einschalten (Phasenanschnitt). Danach bleibt der Triac bis zum Nulldurchgang des Stromes von selbst an.
_________________
Haftungsausschluß:
Bei obigem Beitrag handelt es sich um meine private Meinung.
Rechtsansprüche dürfen aus deren Anwendung nicht abgeleitet werden.
Besonders VDE0100; VDE0550/0551; VDE0700; VDE0711; VDE0860 beachten !
[ Diese Nachricht wurde geändert von: perl am 15 Mär 2004 15:05 ] |
|
BID = 59803
tixiv Schreibmaschine
    
Beiträge: 1492 Wohnort: Gelsenkirchen
|
Um mit nem Microcontroller Wechselstrom Lampen zu dimmen kann man den Controller selbst den Phasenanschnitt steuern lassen. Dafür braucht er ein Nulldurchgangssignal, dass von der Wechselspannung abgeleitet wird. Wenn der das bekommt startet er einen Timer, und wenn der abgelaufen ist gibt er dann einen Steuerpuls an den Triac.
Das Problem dabei ist, dass der Controller das wirklich relativ exakt timen muss, da sonst die Lampen flackern. Wenn einem z.B. diverse andere Interrupts dazwischenfunken dann bekommt man schnell graue Haare.
Man kann allerdings auch mit dem Controller durch hardware PWM oder so eine Spannung ausgeben, und die dann zur Steuerung der Phasenanschnittsteuerung heranziehen. Das ist aber schaltungstechnisch mehr aufwand.
Gibts eigentlich auch irgendwelche IC's, die eine Spannungsgesteuerte Phasenanschnittsteuerung machen ?
|
BID = 59804
perl Ehrenmitglied
       
Beiträge: 11110,1 Wohnort: Rheinbach
|
TDA2086A beispielsweise.
_________________
Haftungsausschluß:
Bei obigem Beitrag handelt es sich um meine private Meinung.
Rechtsansprüche dürfen aus deren Anwendung nicht abgeleitet werden.
Besonders VDE0100; VDE0550/0551; VDE0700; VDE0711; VDE0860 beachten !
|
BID = 59806
tixiv Schreibmaschine
    
Beiträge: 1492 Wohnort: Gelsenkirchen
|
Interessant! Aber nicht ganz die art von IC, an die ich gedacht habe. Da ist noch so viel Schnickschnack drinn. Ich dachte eher an einen Netzsynchronen Sägezahngenerator mit einem oder mehreren Komparatoren.
|
BID = 59810
ICEbAIR Neu hier

Beiträge: 31
|
Gut, habe mich nun zum Thema Phasenanschnitt schlau gelesen. Habe auch soweit alles verstanden, was mit der Netzspannung angestellt wird.
Aber nochmal zum Triac:
Also ich gebe ihm ein Impuls und er schaltet von alleine durch, bis zum nächsten Nulldurchgang?
Wie lang muss dieser impuls sein?
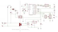
Habe mal einen Schaltplan angehängt, der es mir sehr angetan hat. Die Galvanische Trennung von der Netzspannung empfinde ich als sehr sinnvoll. Hatte mich nämlich auch schon gefragt, wie ich dann eine RS232 Verbindung realisieren könnte :o)
Was muss ich denn beachten, wenn ich dann über Phasenanschnitt einen normalen Trafo steuern möchte (keinen elektronischen oder so einfach Wicklung an Wickliung).
Es ist zwar für mein derzeitiges Projekt egal, wär aber super, wenn ich das gleich hier shcon mal geklärt habe für die Zukunft :o)
|
BID = 59858
perl Ehrenmitglied
       
Beiträge: 11110,1 Wohnort: Rheinbach
|
Zitat :
| | Wie lang muss dieser impuls sein? |
Kurz. Einige Mikrosekunden genügen.
Das hängt aber auch von der Stärke des Impulses ab. Triggerströme von 2A sind durchaus üblich.
Genaueres steht natürlich im Datenblatt des betreffenden Triacs.
Zitat :
| | Was muss ich denn beachten, wenn ich dann über Phasenanschnitt einen normalen Trafo steuern möchte |
Vor allem muß der Zündzeitpunkt exakt symmetrisch zu den Nulldurchgängen liegen, damit keine Gleichspannungskomponte erzeugt wird.
Außerdem ist es meist notwendig ein RC-Dämpfungsglied parallel zum Triac zu legen, da er sonst u.U durch die Wirkung der Induktivität nach dem Nulldurchgang sofort wieder zündet.
Normalerweise ist es günstiger mit kurzen starken Triggerimpulsen zu arbeiten, aber da du eine induktive Last hast, wird beim ersten Impuls evtl. nicht der Haltestrom ereicht.
Dann ist es günstig mit langen Triggerimpulsen, die dann aber nicht so stark sein dürfen, zu arbeiten.
Anstelle der Optokoppler solltest du auch mal über den Einsatz eines Zündtransformators nachdenken.
_________________
Haftungsausschluß:
Bei obigem Beitrag handelt es sich um meine private Meinung.
Rechtsansprüche dürfen aus deren Anwendung nicht abgeleitet werden.
Besonders VDE0100; VDE0550/0551; VDE0700; VDE0711; VDE0860 beachten !
|
BID = 59869
ICEbAIR Neu hier

Beiträge: 31
|
Hmmm ne, der Optokoppler bleibt. Oder könnte ich auf andere Weise auch eine galvanische Trennung erreichen?
Oder könnte ich nicht auch einen Zündtrafo über einen Optokoppler schalten? (Klingt irgendwie umständlich und nicht unbedingt wirtschaftlich)
Vor allem muß der Zündzeitpunkt exakt symmetrisch zu den Nulldurchgängen liegen, damit keine Gleichspannungskomponte erzeugt wird
Du meinst z.B. daß der Impuls immer exakt nach der gleichen Pause nach dem Nulldurchgang folgen muss?
Und wenn ich dimmen sollte, muss ich dann die Pausen langsam verlängern bzw. verkürzen (im Falle einer Induktivität, bei den Glühlampen müsste es ja vollkommen wurscht sein)?
Wenn du Datenblätter benötigst, solltest du uns mal sagen welchen Strom bei welcher Spannung die schalten willst, und wieviel Steuersignal du zur Verfügung hast.
Hatte ich ganz vergessen beim letzten mal.
Also ich wollte ca. 400W bei 230V schalten (Normale Spot-Lampen 6 Stück à 60W).
Steuersignal habe ich zu begin nur den Ausgang des AVRs, den ich bis zu 20mA belasten darf.
Außerdem ist es meist notwendig ein RC-Dämpfungsglied parallel zum Triac zu legen, da er sonst u.U durch die Wirkung der Induktivität nach dem Nulldurchgang sofort wieder zündet.
In dem Schaltplan sind eine Spule und ein Kondensator parallel zum Triac sollten diese nicht die Aufgabe übernehmen?
Und so ganz habe ich das mit der Induktivität nicht verstanden. Vielleicht liegt es daran, daß mir die funktionsweise eines triacs nicht ganz klar ist.
Die Induktivität wird ja jeder änderung des stromes entgegenwirken. Meinst du damit, daß trotz nulldurchgang ein Strom fließt, so daß der Triac nicht schließen kann?
Ich weiß ich bin sehr ahnungslos, sorry :o)
(Danke schon mal für die bisher geleistete Hilfe)
|
BID = 59871
ICEbAIR Neu hier

Beiträge: 31
|
Ich depp war wieder mal zu schnell im Antworten. ich denke mal, daß der Zündtrafo selbst auch ein Trenntrafo ist, oder?
Dann ist der erste Absatz natürlich mist.
|