| Autor |
|
|
|
BID = 50955
perl Ehrenmitglied
       
Beiträge: 11110,1 Wohnort: Rheinbach
|
|
Zitat :
| | Hier hab ich mal ne schaltung ob das sog geht weiß ich nicht aber ich will eure meinung wissen. soll nicht gut aussehn |
Sieht auch nicht gut aus.
_________________
Haftungsausschluß:
Bei obigem Beitrag handelt es sich um meine private Meinung.
Rechtsansprüche dürfen aus deren Anwendung nicht abgeleitet werden.
Besonders VDE0100; VDE0550/0551; VDE0700; VDE0711; VDE0860 beachten ! |
|
BID = 50961
Calidus Stammposter
   
Beiträge: 291 Wohnort: Nördlich vom A*** der Welt
|
|
Hm?
Sieht nicht gut aus? Schade!
Ich würde die Spannung runtertransformieren (Wenn möglich), und dann ganz normal einen AD-Umsetzer dran hängen.
Wenn es nicht möglich ist, dann aufgrund der Frequenz und/oder der Wellenform des Signals (Je eckiger desto grrr). Dann einen AD-Umsetzer dran hängen, der ziemlich schnell ist. Und die Spannung über einen reinen Spannungsteiler mit Widerständen, die viel ab können, herunterteilen.
Und NICHT ANFASSEN!
Und der EEProm-Pic speichert dann alles, was nötig ist. Nach dem AD-Umsetzer. |
|
BID = 50997
Triac Gesprächig
  
Beiträge: 165 Wohnort: Franken
|
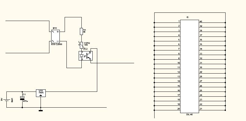
also ich hab gesehn das ich viel sch**** gebaut habe. hab sehr viel raus aus dem plan. später wirds in eagle auf ein neues gemacht.
Trafo geht net weil auch gleichspaunnung im spiel ist.AC und DC Duspol solls ja sein.
Hier der neue plan, widerstände stimmen nicht aber das wird noch geändert.
Achso ich weiß noch nicht ob ich den VDR durch einen normalen widerstand ersetze.
Genauso das mit dem Pic geht mir arg naja ich benutz entweder den PIC16F871 oder den PIC16F877 welchen findet ihr besser oder gar einen anderen für das hier?
Hochgeladenes Bild : Zwischenablage02.jpg
|
BID = 50999
Triac Gesprächig
  
Beiträge: 165 Wohnort: Franken
|
ich hab jetzt grade einen neuen PIC gesehn den PIC16C72A der soll genau so gut dafür sein wie die anderen stimmt das oder ist der schrott.
|
BID = 51019
perl Ehrenmitglied
       
Beiträge: 11110,1 Wohnort: Rheinbach
|
Zitat :
| | Hier der neue plan, |
Ja, so kommen die ICs aus der Spritzgußmaschine. Anschließend werden die Pins noch freigeschnitten bevor man testen kann.
_________________
Haftungsausschluß:
Bei obigem Beitrag handelt es sich um meine private Meinung.
Rechtsansprüche dürfen aus deren Anwendung nicht abgeleitet werden.
Besonders VDE0100; VDE0550/0551; VDE0700; VDE0711; VDE0860 beachten !
|
BID = 51034
Triac Gesprächig
  
Beiträge: 165 Wohnort: Franken
|
naja ich wollte eigentlich alles in einen stang machen und dann die einzelen pins beschriften wo die hin gehn das man nicht tausend leitungen neu machen muss. aber zu meinen problem mit der pic wahl weiß keiner was??
Oder ob der schaltplan jetzt gehn würde? notfalls verstärke ich die eingänge des pics wenn der messbereich zu klein ist.
|
BID = 51037
2SJ200 Schreibmaschine
     Beiträge: 1942 Wohnort: Österreich
|
eigentlich is es doch egal welcher pic, alle haben was du benötigst... oder ned?
alle haben den 10bit ADC, und alle haben EEPROM, leistungsfährig genug sind sie mit sicherheit auch etc.
|
BID = 51402
Triac Gesprächig
  
Beiträge: 165 Wohnort: Franken
|
Hi,
ich hab jetzt einen neuen schaltplan der hoff ich geht. wenn der messbreiche zu klein wird schalt ich den verstärker dazu über die widerstände. kann mir einer sagen ob das so gehn würde?
|
BID = 51403
2SJ200 Schreibmaschine
     Beiträge: 1942 Wohnort: Österreich
|
also 1) da stimmt sicher was ned  die verbidung die so schief is, was soll die?
2) i kenn die belegung vom pic nicht auswendig :D
3) wennst da mit 700VAC drauf fahrst wirst auch probleme mit den bauteile bekommen die alle hin werden ...
|
BID = 51407
Triac Gesprächig
  
Beiträge: 165 Wohnort: Franken
|
rechne nru noch für 400VAC wieso sollen die hin gehn?
zu 2. der erste ist ein analoger eingang die anderen drei sind ausgänge.
|
BID = 51409
2SJ200 Schreibmaschine
     Beiträge: 1942 Wohnort: Österreich
|
bei 400VAC hamma a spitzenspannung von ~560V, da springts eventuell schon über die wiederstände über...
|
BID = 51411
perl Ehrenmitglied
       
Beiträge: 11110,1 Wohnort: Rheinbach
|
Zitat :
| | rechne nru noch für 400VAC wieso sollen die hin gehn? |
Ja, Du hast recht.
Als erstes wirds den Brückengleichrichter zerlegen, der ist nämlich nur für 30V gut.
Vermutlich schließt der dann die Eingangsspannung kurz, sodaß anschließenf die Leiterbahnen auf der Platine verdampfen.
Auf diese Art könnte tatschlich das eine oder andere Bauteil heil bleiben.
Ich denke, Du solltest Deine ersten Gehversuche mit Spannungen unter 50V machen.
_________________
Haftungsausschluß:
Bei obigem Beitrag handelt es sich um meine private Meinung.
Rechtsansprüche dürfen aus deren Anwendung nicht abgeleitet werden.
Besonders VDE0100; VDE0550/0551; VDE0700; VDE0711; VDE0860 beachten !
|
BID = 51415
Triac Gesprächig
  
Beiträge: 165 Wohnort: Franken
|
Also als leiterbahnunterstützung wollte ich draht mit darn löten so 1mm Quadrat. Gleichrichten mach ich über dioden die ich einzelnd zusammenlöte und keinen "Gleichrichter". des weiteren gibt es gleichrichter für 500V wie z.b. den hier: http://www.reichelt.de/inhalt.html?.....TEL=0
[ Diese Nachricht wurde geändert von: Triac am 26 Jan 2004 22:42 ]
|
BID = 51424
2SJ200 Schreibmaschine
     Beiträge: 1942 Wohnort: Österreich
|
i will ja nit unhöflichs ein aber vergiss des so is am besten, und leiterbahn verstärken?? i glaub du ahst end ganz verstanden, da fließen nur hohe ströme nachdem alles hin gworden is weil die schaltung so alles andere als optimal is...
teil deine eingangspannung auf vernüftige werte runter bevor du gelichrichtest und mit 560V auf an OPV los gehst..
bei 560V am eingang eines vesrtärkers tretten meistens probleme auf, soviel kann ich dir sagen...
angenommen der OPV muss chon sehr kleine verstärkung haben dass da nix hin wird (irgednwo im 1/100 bereich wirst auf jedenfall benötigen) und selbst wenn des is kannst mal kurz an klack machen und dann springen zB die 560V über den R1 drüber dann is wieder alles hin...
du solltest diese hohe spannung am eingang gleich runterteilen, dann kannst so arbeiten wie du gezeichnet hast...
|