Zeitnehmung über Lichtschranke und Funk

Im Unterforum Projekte im Selbstbau - Beschreibung: Selbstbau von Elektronik und Elektro

Elektronik Forum Nicht eingeloggt       Einloggen       Registrieren




[Registrieren]      --     [FAQ]      --     [ Einen Link auf Ihrer Homepage zum Forum]      --     [ Themen kostenlos per RSS in ihre Homepage einbauen]      --     [Einloggen]

Suchen


Serverzeit: 24 12 2025  19:51:28      TV   VCR Aufnahme   TFT   CRT-Monitor   Netzteile   LED-FAQ   Oszilloskop-Schirmbilder            


Elektronik- und Elektroforum Forum Index   >>   Projekte im Selbstbau        Projekte im Selbstbau : Selbstbau von Elektronik und Elektro

Gehe zu Seite ( Vorherige Seite 1 | 2 )      


Autor
Zeitnehmung über Lichtschranke und Funk
Suche nach: funk (2124)

    







BID = 960005

rech84

Gelegenheitsposter



Beiträge: 76
 

  



Zitat :
der mit den kurzen Armen hat am 29 Apr 2015 22:09 geschrieben :

leg mal einen Elko parallel zu der Relaisspule. Alternativ geht auch der Elko parallel zu der LED des Optokopplers.



Ein 100uF an der LED bringt garnichts. Keinerlei Verzögerung.
An die Spule des Relais komme ich leider nicht ran da dieses Fix in der Lichtschranke vergoßen ist.


BID = 960009

der mit den kurzen Armen

Urgestein



Beiträge: 17437

 

  

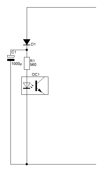
Dann versuch es mal so





_________________
Tippfehler sind vom Umtausch ausgeschlossen.
Arbeiten an Verteilern gehören in fachkundige Hände!
Sei Dir immer bewusst, dass von Deiner Arbeit das Leben und die Gesundheit anderer abhängen!

BID = 960048

rech84

Gelegenheitsposter



Beiträge: 76


Zitat :
der mit den kurzen Armen hat am 30 Apr 2015 10:44 geschrieben :

Dann versuch es mal so



Bevor ich das aufbaue noch eine kurze Frage:

Ich habe ja 2 verschiedene Lichtschranken. Bei einer Kann ich die Schaltdauer des Relais einstellen. Da der Funksender mindestens ca. 0,5 sek. "Tastendruck" braucht um überhaupt den Empfänger zu schalten habe ich diese Lichtschranke am Funksender hängen.

Die zweite Lichtschranke hat leider keine einstellbare Zeit. Wenn ich nun die Lichtschranken wechsel und mit deiner Schaltung versehe, befürchte ich das bei sehr kurzen Schaltzeiten der Funksender nicht auslöst. Da wird auch der Elko und die Diode nichts dran ändern, im Gegenteil. Oder liege ich da falsch?

Ich befürchte das ich mir eine zweite LS mit Timer besorgen muss, außer es gibt eine Lösung die am Relaisausgang hängt...

BID = 960053

der mit den kurzen Armen

Urgestein



Beiträge: 17437

Doch, durch den Elko wird die Dauer des Tastendruckes verlängert. Der Elko lädt sich sofort voll auf und kann sich nur über den R und die LED entladen.

_________________
Tippfehler sind vom Umtausch ausgeschlossen.
Arbeiten an Verteilern gehören in fachkundige Hände!
Sei Dir immer bewusst, dass von Deiner Arbeit das Leben und die Gesundheit anderer abhängen!


Vorherige Seite      
Gehe zu Seite ( Vorherige Seite 1 | 2 )
Zurück zur Seite 0 im Unterforum          Vorheriges Thema Nächstes Thema 


Zum Ersatzteileshop


Bezeichnungen von Produkten, Abbildungen und Logos , die in diesem Forum oder im Shop verwendet werden, sind Eigentum des entsprechenden Herstellers oder Besitzers. Diese dienen lediglich zur Identifikation!
Impressum       Datenschutz       Copyright © Baldur Brock Fernsehtechnik und Versand Ersatzteile in Heilbronn Deutschland       

gerechnet auf die letzten 30 Tage haben wir 18 Beiträge im Durchschnitt pro Tag       heute wurden bisher 5 Beiträge verfasst
© x sparkkelsputz        Besucher : 187918480   Heute : 12781    Gestern : 19923    Online : 327        24.12.2025    19:51
31 Besucher in den letzten 60 Sekunden        alle 1.94 Sekunden ein neuer Besucher ---- logout ----viewtopic ---- logout ----
xcvb ycvb
0.0283000469208