| Autor |
Wozu dient Rsense in dieser Schaltung? Suche nach: schaltung (31751) |
|
|
|
|
BID = 570124
devil77 Gelegenheitsposter
 
Beiträge: 78
|
|
Hallo,
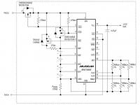
möchte gerne eine Schutzschaltung gem. angehängter Schaltung bauen. Jedoch habe ich Probleme mit der Bauteilauswahl für den Rsense Widerstand mit 0.05Ohm. Wofür soll der da sein?
Ich finde keinen passenden Widerstand dafür. Den dieser müsste ca. 10A bei 6-8Volt aushalten. Kann mir jemand weiterhelfen? Danke im Voraus. |
|
BID = 570125
perl Ehrenmitglied
       
Beiträge: 11110,1 Wohnort: Rheinbach
|
|
Das ist der Strommesswiderstand und er muss auch keine so hohe Spannung aushalten, sondern nur den vorgesehenen Strom.
Die Belastbarkeit ergibt sich daraus: P=R*I2.
_________________
Haftungsausschluß:
Bei obigem Beitrag handelt es sich um meine private Meinung.
Rechtsansprüche dürfen aus deren Anwendung nicht abgeleitet werden.
Besonders VDE0100; VDE0550/0551; VDE0700; VDE0711; VDE0860 beachten ! |
|
BID = 570133
devil77 Gelegenheitsposter
 
Beiträge: 78
|
Hallo,
danke für die Antwort. Bei 10A müsste der Widerstand 5Watt abkönnen. Wie kann ich das am besten bewerkstelligen? Einen SMD Widerstand werde ich bestimmt nicht finden.
|
BID = 570147
Racingsascha Schreibmaschine
    
Beiträge: 2247 Wohnort: Gundelsheim
|
Einen 5W Widerstand verbauen.
_________________
Fnord ist die Quelle aller Nullbits in deinem Computer.
Fnord ist die Angst, die Erleichterung, und ist die Angst.
Fnord schläft nie.
|
BID = 570148
perl Ehrenmitglied
       
Beiträge: 11110,1 Wohnort: Rheinbach
|
Zitat :
| | müsste der Widerstand 5Watt abkönnen. Wie kann ich das am besten bewerkstelligen? Einen SMD Widerstand werde ich bestimmt nicht finden. |
Dein Problem.
1.) Fliessen über nennenswerte Zeiträume denn tatsächlich 10A, oder vielleicht viel weniger ?
2.) Vielleicht muss es ja kein SMD-Widerstand sein.
3.) Könnte man z.B. 20 1Ohm-Widerstände parallelschalten. Jeder braucht dann nur 1/4 Watt auszuhalten.
Wegen der Wärmentwicklung ist aber trotzdem einiges an Platinenfläche erforderlich, sodass man sich
5.) bei nicht zu hoher Genauigkeitforderung überlegen kann, den Widerstand als Leiterbahn auzubilden.
_________________
Haftungsausschluß:
Bei obigem Beitrag handelt es sich um meine private Meinung.
Rechtsansprüche dürfen aus deren Anwendung nicht abgeleitet werden.
Besonders VDE0100; VDE0550/0551; VDE0700; VDE0711; VDE0860 beachten !
|
BID = 570177
Onra Schreibmaschine
    
Beiträge: 2516
|
In SMD bei: Bürklin, Bestellnummer 09E1522; 0,05Ohm 5W 1% von Vishay (Typ WSR-5).
Onra
|
BID = 570206
perl Ehrenmitglied
       
Beiträge: 11110,1 Wohnort: Rheinbach
|
Nur wird ein solcher Widerstand ohne entsprechene Wärmeabfuhr, die nicht gerade winzig ist, entweder auslöten oder ein Loch in die Platine brennen.
_________________
Haftungsausschluß:
Bei obigem Beitrag handelt es sich um meine private Meinung.
Rechtsansprüche dürfen aus deren Anwendung nicht abgeleitet werden.
Besonders VDE0100; VDE0550/0551; VDE0700; VDE0711; VDE0860 beachten !
|
BID = 570210
dl2jas Inventar
     
Beiträge: 9913 Wohnort: Kreis Siegburg
|
Eine etwas unkonventionelle Idee, nehme Netzstrippe 0,75 mm²!
Kupfer hat einen spezifischen Leitwert von 0,0178 Ω · mm²/m. Du kommst dann auf 2,1 m totale Drahtlänge. Da die Strippe zwei Adern hat, landest Du somit bei 1,05 m, hinten kurzgeschlossen.
DL2JAS
|
BID = 570250
Onra Schreibmaschine
    
Beiträge: 2516
|
perl, in erster Linie wollte ich die Aussage. "Einen SMD Widerstand werde ich bestimmt nicht finden." widerlegen.
So klein ist der R nun auch wieder nicht, so ungefähr das Format D2PAK IIRC.
Isabellenhütte hat da bestimmt auch was, habe nach dem ersten Fund aber nicht mehr weitergesucht.
Onra
|
BID = 570279
powersupply Schreibmaschine
    
Beiträge: 2920 Wohnort: Schwobaländle
|
Hallo Devil
Du bist Dir im Klaren, dass der MAX1666 von Maxim schon abgekündigt wurde.
Der Nachfolgebaustein, MAX1924, kommt mit einem 0,02Ohm Widerstand aus welcher einfacher zu handeln wäre.
Der zweite Gedanke der mich an dem Projekt zweifeln lässt ist der hohe Strom durch die Mosfets welche bei 10A allesamt gekühlt werden müssen da deren On Widerstand mindestens genau so hoch ist wie der des Shunts!
Solltest Du eine anderweitige Überstromsicherung, z.b. in Form einer Sicherung vorgesehen haben kannst Du ja ggf. auf den Shunt verzichten und ein Stück Leiterbahn vorsehen. Die Ladestromregelung muß nämlich eh durch das Netzteil erfolgen.
Achja. Nochwas zum MAX1666. Wenn Du den Akku daran anschliesst stelle erst mittels einem 100Ohm Widerstand Kontakt zum Anschlußpad her. Dann erst die eigentliche Leitung des Akkus anlöten. Ich kenne einige Leute die dies nicht beachtet haben und sich anschliessend wunderten dass der MAX tot ist...
Gruß powersupply
|
BID = 570283
perl Ehrenmitglied
       
Beiträge: 11110,1 Wohnort: Rheinbach
|
Zitat :
| | die Mosfets welche bei 10A allesamt gekühlt werden müssen da deren On Widerstand mindestens genau so hoch ist wie der des Shunts! |
Na ja, es gibt für wenig Geld schon Typen mit 5mOhm oder weniger.
Meistens sind die wohl für Schaltwandler von CPUs gedacht, aber die Modellbauer sind bei der Verwendung solch niederohmiger Typen auch immer ganz vorn mit dabei.
_________________
Haftungsausschluß:
Bei obigem Beitrag handelt es sich um meine private Meinung.
Rechtsansprüche dürfen aus deren Anwendung nicht abgeleitet werden.
Besonders VDE0100; VDE0550/0551; VDE0700; VDE0711; VDE0860 beachten !
|