| Autor |
Suche Schaltung für el. Kofferraumöffner Suche nach: schaltung (31760) |
|
|
|
|
BID = 53870
schlot Neu hier

Beiträge: 26
|
|
Hallo,
ich benötige eine Schaltung, die einen elektrischen Kofferraumöffner ansteuern soll. Zur Verfügung stehen:
- Zugmagnet, 12V
- Bordnetz 12V
Die Schaltung soll folgendes berücksichtigen:
Der Öffner soll nur zu betätigen sein, wenn die Alarmanlage inaktiv und die Zündung ausgeschaltet ist.
Folglich: Zündung ungleich +12V
Die Alarmanlage hat einen Anschluss, der auf Masse gezogen wird, wenn sie aktiviert ist, also darf die Schaltung nur arbeiten, wenn dieser Anschluss von Masse getrennt ist.
Ausserdem: Getriggert wird über einen Ausgang, der bei gedrückter Fernbedienung 10 Sekunden lang +12V führt. Bei dessen aufsteigender Flanke soll dann (wenn obige Bedingungen erfüllt sind) ein Impuls von ca. 0,5 Sekunden über ein Relais an den Zugmagnet gelegt werden.
Das ganze darf aber nicht retriggerbar sein, damit der Rest der 10 Sekunden nicht mit Ausgangsimpulsen gefüllt wird.
Ich wäre sehr dankbar, wenn jemand eine Komplettlösung für mich hätte (mir reicht natürlich eine Skizze, muss nicht in Layout-Programmen ausgearbeitet sein).
Danke danke...  |
|
BID = 53884
Lötfix Schreibmaschine
    
Beiträge: 2328 Wohnort: Wien
|
|
Hallo!
Hab da mal schnell eine Schaltung erdacht. Müßte man aber mal checken wie die sich bei der versauten Bordspannung macht und wie groß der Ruhestrom ist. Das Relais hab ich gleich eingespart.
Zur Funktion:
Über D1 zieht die Alarmanlage wenn sie scharf ist Pin4=Reset auf 0
Bei Zündung ein zieht T1 Pin4=Reset auf 0
Wenn Reset=0 dann Ausgang=0 und T2 sperrt
Wenn signal von der Fernbedienung kommt, leitet T3, zieht Pin2=Trigger auf 0, der Ausgang wird 1, T2 leitet, Magnet zieht an
Die Impulsdauer am Ausgang ist mit R3 und C2 einstellbar.
mfg Lötfix
Verwendung auf eigene Gefahr!
|
|
BID = 53970
schlot Neu hier

Beiträge: 26
|
@Lötfix
Vielen Dank für den Plan, damit kann ich was anfangen.
Was kann es denn für Probleme mit der unsauberen Spannung geben? Ich kann mir nur zwei ungünstige Fälle vorstellen, in denen ein Versagen der Schaltung tragisch wäre:
1) Die Schaltung raucht ab und mein Auto mit
2) Der Kofferraum wird irrtümlicherweise geöffnet
Können diese Fälle aufgrund unsauberer Spannungsversorgung auftreten? Wenn ja, wie kann ich die Sache filtern?
Zum Ruhestrom: Ich hatte ursprünglich auch an eine Schaltung wie im unteren linken Teil der Skizze gedacht.
Wenn ich das Prinzip verstanden habe, dann ist R4 ein Pull-Up. Kann der mir auf Dauer die Batterie leeren? Denn der Gedanke eine elektrische Kofferraumöffnung zu haben und dann morgens nicht mehr starten zu können, gefällt mir noch nicht so ganz :D
Dazu hätte ich folgenden Vorschlag und wäre an einer Meinung interessiert, ob ich da Mist baue oder ob das wirklich funktionieren kann:
Wenn ich alles, was in der Skizze direkt an +12V hängt über einen Transistor laufen lasse, dessen Basis ich mit an den Fernbedienungsausgang hänge, dürfte doch die ganze Schaltung nur Strom haben, wenn ich auf die Fernbedienungstaste drücke, oder? Die Frage dabei ist nur, ob die Schaltung in dem Moment, wo die Spannungsversorgung angelegt wird, getriggert wird, oder ob das dann nicht mehr klappt. Kann man dann (falls nötig) vor R4 einen Kondensator hängen, um das triggern gegenüber der Spannungsversorgung zu verzögern?
Ich weiß, viele Fragen, aber ich grübel schon seit Wochen dran rum und bin bei nichts sicher... 
|
BID = 53984
Benedikt Inventar
      Beiträge: 6241
|
Um die Schaltung nun KFZ tauglich zu machen, sollte man ein paar Änderungen durchführen:
- Alle positiven Spannungen und Signale über Dioden anschließen, damit keine negativen Spannungsspitzen auftreten (Durchbruchspannung eines Transistores: -7V Basis Emitter).
- Bei jedem Transistor einen 1k Widerstand zwischen Basis und Emitter. Der Vorwiderstand etwa 4,7k.
- Die Betriebsspannung mit nem Elko (100-1000uF) + 100nF Filtern. Zusätzlich eine 16V Z-Diode parallel zum Elko.
Die Betriebsspannung über eine Diode (ist ja eine positive Spannung) + Widerstand (ca. 5-50 Ohm).
Den Zugmagnet am besten vor dem Widerstand anschließen.
[ Diese Nachricht wurde geändert von: Benedikt am 10 Feb 2004 17:21 ]
|
BID = 54001
tixiv Schreibmaschine
    
Beiträge: 1492 Wohnort: Gelsenkirchen
|
Und um Fall 1 (Deine Karre brennt ab) auszuschliessen, würde ich dann noch dringend eine Sicherung von so 1A oder so für die Schaltung empfehlen.
Eine Zenerdiode von nur 16V halte ich auch für keine gute Idee: die ist doch bei der ersten Spannungsspitze kaputt!
Wenn Z-Diode, dann allerhöchstens mit 10 Ohm Vorwiderstand oder so für die ganze Schaltung (außer dem Zugmagneten natürlich).
|
BID = 54011
Benedikt Inventar
      Beiträge: 6241
|
@ tixiv:
Wer lesen kann ist klar im Vorteil...
Zitat :
|
- Die Betriebsspannung mit nem Elko (100-1000uF) + 100nF Filtern. Zusätzlich eine 16V Z-Diode parallel zum Elko.
Die Betriebsspannung über eine Diode (ist ja eine positive Spannung) + Widerstand (ca. 5-50 Ohm).
Den Zugmagnet am besten vor dem Widerstand anschließen.
|
Ohne Zenerdiode machts kurz Knack und das IC ist kaputt, da der Anlasser eine Spannunsgspitze von +/-100V erzeugt hat !
Und damit die Z-Diode nicht die ganze Energie abbekommt, ist ein Elko eingebaut.
|
BID = 54018
schlot Neu hier

Beiträge: 26
|
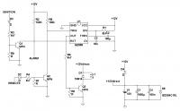
OK... Ich habe das ganze in einen Schaltungssimulator gepackt und getestet.
Schwer getan hat er sich mit Lötfix's Diode D1, weil die Diodenspannung von 0,6V über GND (zusammen mit dem Pull-Up)den Reset-Eingang nicht mehr Low gezogen hat. Habe sie in meinem Konzept erstmal entfernt, erste Frage also: Was soll mit der Diode passieren? Muss in meinem Schaltplan noch was vor "ALARM"?
Einen zweiten Pull-Up für den Trigger-Eingang habe ich hinzugefügt, weil sonst _immer_ getriggert wurde, auch wenn an "Fernbedienung" nichts anliegt.
Den Schaltplan habe ich also soweit (angehängt...), bitte weist mich auf Fehler oder Gefahren hin, wenn ich welche verbaut habe.
Da ich aber nur recht oberflächlich über Elektronik bescheid weiß, habe ich keine Ahnung, wie ich die übrigen Teile dimensionieren muss (Widerstände: Wert & Leistung; Kondensatoren: Kapazität, Spannung & Material; Dioden:  ; Transistoren: Typ & Leistung).
Habe ich D5 richtig gepolt?
R1 und C2 habe ich per Try&Error so gesetzt, dass ich ca. 1/2 Sekunde Impuls bekomme. Ist das so OK?
Sicherungen würde ich dann noch eine an V1 und eine an "IGNITION" setzen. Reicht, oder?
Was ich also noch brauche sind am besten Bezeichnungen für:
R1 bis R9, C1 bis C4, Q1 bis Q3, D1 bis D5
Thx
Schlot
|
BID = 54024
Benedikt Inventar
      Beiträge: 6241
|
Die Diode D4 ist falsch.
Diese versorgt die gesamt Schaltung mit Spannung.
Also D4 -> Zugmagnet
und D4 -> Widerstand 10-50Ohm -> C1,C4,D5 -> Elektronik
Für R7, R9 kann man 1k einsetzen,
R2 und R5 sind etwas hcohohmig, da werden zu viele Störungen eingefangen. 10k wären besser.
Die Simulation hat vielleicht mit dem Reset Pin Probleme, aber in der Realität muss die Spannungen nur <1V liegen. Das schafft der BC547 mit 10k problemlos. Ich vermute eher, die Spannung liegt sogar bei <0,3V.
Q1 und Q2: Standart NPN wie BC547
Q3: je nach Zugmagnet >1A z.B. BD135 (1,5A) BD131 (3A)
R6 sollte etwa 470 Ohm haben, R8 etwa 220.
|
BID = 54031
schlot Neu hier

Beiträge: 26
|
Hi Benedikt,
ich hoffe, dass ich das jetzt mit der Spannungsversorgung richtig habe.
Habe den Zugmagnet durchgemessen: 1 Ohm. Ein PC-Netzteil bringt er zum Stillstand, ist also ein guter Klotz. Soll der wirklich über D4 betrieben werden? Welchen Transistor brauche ich dazu?
Ich habe den Schaltplan abgeändert und alle Teile rot markiert, zu denen noch Fragen offen sind:
C1: Welche Spannung? 100V wegen dem Anlasser? 12V wegen der Schaltung?
C4: Gleiche Frage wie C1 + Welches Material?
C2 / R1: Ist es egal, welche Kombination ich nehme, solange ich die richtige Ansprechzeit bekomme? (zu C2: Welches Material?)
C3: Was macht C3? Material? Kapazität? 12V?
Q3: Siehe oben (STARKER Magnet)
D1 bis D4: Alles  also Typ & Spannung
Gruß
Schlot
|
BID = 54033
schlot Neu hier

Beiträge: 26
|
Zusätzlich zu meinem vorherigen Post noch eine Frage:
Ich habe zur Eliminierung des Ruhestroms das angehängte Prinzip entwickelt. Die gesamte Steuerung bekommt den Strom über Q2, damit die Schaltung keinen Strom mehr aus der Batt. zieht. Sieht das OK aus? Die jeweils ersetzten Teile um Remote entfallen dann aus dem vorherigen Post, der Rest der Fragen besteht weiter.
Danke
Schlot
|
BID = 54038
tixiv Schreibmaschine
    
Beiträge: 1492 Wohnort: Gelsenkirchen
|
Die letzte Schaltung hier ist total verkehrt. Transistor Q3 würde wenn an der Fernbedienung nichts gedrückt ist dauerhaft über die jetzt getrennte Masse von der Schaltung über Basisstrom versorgt werden. Ich denke, dass der Ruhestrom der Schaltung kleiner sein wird, als die Selbstentladung der Autobatterie. Desswegen kann sie ruhig dauerhaft laufen.
Für Q3 würde ich den Mosfet BUZ11 empfehlen. Der kann 30A oder so schalten.
Die Schaltung hat aber noch ein grundsätzliches Problem: Pin 2 wird hier durch das Fernbedienungssignal 10 Sekunden lang auf low gehalten. Wenn die Verzögerungszeit 0,5sek beträgt, schaltet der Zugmagnet dann 10,5 Sekunden lang an, und nicht 0,5. Man müsste das Siganl über einen Hochpass einkoppeln.
Die Diode D4 ist außerdem immer noch an der falschen Stelle. Die 12V von der Batterie sollen direkt auf die Spule und auf D4. D4 kommt mit dem Widerstand R10(so 22 Ohm) in Reihe. Dahinter kommen dann die Kondensatoren und die ZD und das ist dann die Versorgungsspannung für den 555er.
|
BID = 54040
Lötfix Schreibmaschine
    
Beiträge: 2328 Wohnort: Wien
|
Hallo!
Bei Alarm sollte die Diode rein, damit bei eingeschltener Zündung nicht der ?Ausgang? der ausgeschalteten Alarmanlage auf 0V gezogen wird - könnte ihm eventuell schaden.
Könnte man den Fall ausschließen daß bei eingeschalteter Zündung die Alarmanlage scharf ist?
Wegen Ruhestrom sollte man die Versorgung der Logik aus dem Fernbedienungssignal bekommen. Eventuell die Verknüpfungen in Cmos Gattern bauen oder einen PIC programmieren aber immer mit Schutzdioden.
mfg Lötfix
|
BID = 54085
schlot Neu hier

Beiträge: 26
|
@tixiv:
Muss ich beim BUZ11 Maßnahmen zur Entstörung treffen, wie z. B. einen Widerstand zwischen Gate und Source oder so? Nur damit er nicht versehentlich schaltet.
Was meinst Du mit Hochpass?
@Lötfix:
?Ausgang?: Die Anleitung der Alarmanlage sagt:
"This is an ARMED signal output (low when the alarm is armed)." Laut Anschlussplan der Anlage ist es wohl ursprünglich für eine Art Wegfahrsperre in Form eines Unterbrecher-Relais.
Man kann definitiv den Fall ausschließen, dass bei eingeschalteter Zündung der Alarm aktiv ist, da sich die Anlage bei eingeschalteter Zündung nicht scharf schalten lässt, bzw. ein Einschalten der Zündung bei scharfer Anlage einen Alarm auslöst.
|
BID = 54159
Lötfix Schreibmaschine
    
Beiträge: 2328 Wohnort: Wien
|
Hallo!
Wenn der Alarm-Ausgang einen Transistor gegen +12V hat, könnte der beschädigt werden wenn die Zündung eingeschaltet wird, deshalb die Diode oder mindestens einen Widerstand.
mfg Lötfix
|
BID = 54173
tixiv Schreibmaschine
    
Beiträge: 1492 Wohnort: Gelsenkirchen
|
Ich beziehe mich auf neulayout.jpg . Mit dem Hochpass meine ich, das die Verbindung von Q2 und R5 nicht direkt auf pin2 gehen sollte, sondern dazwischen noch ein Kondensator von 4,7nF oder so soll. An Pin2 kommt dann noch ein zweiter pullup von so 22k Ohm.
Den BUZ11 kannst Du einfach für Q3 einbauen. R8 Musst DU aber dann weglassen, damit der eine genügend hohe Steuerspannung bekommt. Der dürfte auch nicht einfach sporadisch einschalten, da das Gate ja von dem NE555 dann immer auf Masse gehalten wird.
|