| Autor |
Roboter sensor Suche nach: sensor (5523) |
|
|
|
|
BID = 56499
sme-bbg Schriftsteller
    
Beiträge: 959 Wohnort: Bad Eilsen
|
|
Ich bin mal wieder dabei einen "Kleine" roboter zu bauen
(80cm durchmesser 110 cm hoch)
nun habe ich bei conrad den RADARSENSOR KMY-24 gefunden .
Jetzt meine frage kann ich den als kollisionsabfrage (Objekterkennung) nutzen? wenn ja wie sieht die anteuerung aus ?
|
|
BID = 56503
perl Ehrenmitglied
       
Beiträge: 11110,1 Wohnort: Rheinbach
|
|
Ich denke, daß diesr Radarsensor dafür eher wenig geeignet ist, da er für einen größeren Abstand zum Ziel gedacht ist und die Mikrowellenstrahlung nur schwach gebündelt ist.
Da er auf den Dopplereffekt beruht, spricht er weniger auf die Intensität des Echos als auf die Geschwindigkeit der Annäherung/Entfernung an.
Wenn dein robbi also auf ein Hindernis zuschleicht, wird der Sensor es nicht wahrnehmen, dafür aber z.B. Personen die in einiger Entfernung herumlaufen.
_________________
Haftungsausschluß:
Bei obigem Beitrag handelt es sich um meine private Meinung.
Rechtsansprüche dürfen aus deren Anwendung nicht abgeleitet werden.
Besonders VDE0100; VDE0550/0551; VDE0700; VDE0711; VDE0860 beachten ! |
|
BID = 56506
sme-bbg Schriftsteller
    
Beiträge: 959 Wohnort: Bad Eilsen
|
Hmm dann werde ich wohl doch optische sensoren nehmen...
oder wie geht das mit ultraschall ?
|
BID = 56598
Raphael Stammposter
   
Beiträge: 451 Wohnort: Schwabenland
|
Hi,
also ich würde Ultraschall nehmen...
Bei Conrad gibts doch auch so ein Ultraschallmodel für 10€ oder so. Damit hab ich gute Erfahrungen gemacht. Du kannst die Empfindlichkeit einstellen mit einem Poti...eine Wand erkennt er bereits aus 2 M Entfernung..kleine Gegenstände ab ca. 20cm Entfernung. Wenn du einen mobilen Roboter baust brauchst du wohl min. 2 davon..da der Erkennungswinkel nicht so toll ist..du weist schon was ich mein...
MfG
Raphael
|
BID = 56600
sme-bbg Schriftsteller
    
Beiträge: 959 Wohnort: Bad Eilsen
|
Zitat :
Raphael hat am 26 Feb 2004 16:56 geschrieben :
|
Hi,
also ich würde Ultraschall nehmen...
Bei Conrad gibts doch auch so ein Ultraschallmodel für 10€ oder so. Damit hab ich gute Erfahrungen gemacht. Du kannst die Empfindlichkeit einstellen mit einem Poti...eine Wand erkennt er bereits aus 2 M Entfernung..kleine Gegenstände ab ca. 20cm Entfernung. Wenn du einen mobilen Roboter baust brauchst du wohl min. 2 davon..da der Erkennungswinkel nicht so toll ist..du weist schon was ich mein...
MfG
Raphael
|
Ja aber ich hätte schon gerne den entfernungswert in 10bit ...
Nur schalten das ist ja nich schwehr...
Habe nun das hier http://mikrocontroller.cco-ev.de/de/projekte.php gefunden nur ganz verstehe ich den schalplan nicht...
Oben im schalplan ist warscheinlich ein frequnezgenerator...
und unten ein tondecoder .... der auf hig schaltet wenn das signal wieder zurückkommt . nur wie steuer ich das mit einem atmel an ???
und das da .. http://www.mikrocontroller.com/jufo/kapitel3.htm
[ Diese Nachricht wurde geändert von: sme-bbg am 26 Feb 2004 17:11 ]
[ Diese Nachricht wurde geändert von: sme-bbg am 26 Feb 2004 17:33 ]
|
BID = 56608
Raphael Stammposter
   
Beiträge: 451 Wohnort: Schwabenland
|
Hi
achso du willst auch noch die Entfernung errechen..das ist natürlich der Hmmer. Würde mich auch interresieren wie man das anstellt.
mfg
Raphael
|
BID = 56610
sme-bbg Schriftsteller
    
Beiträge: 959 Wohnort: Bad Eilsen
|
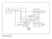
ich verstehe nur diesen schalplan hier nicht ...
|
BID = 56642
Otiffany Urgestein
     
Beiträge: 13779 Wohnort: 37081 Göttingen
|
Hi,
so einen digitalanzeigenden Entfernungsmesser kannst Du fertig kaufen!!
Peter
|
BID = 56688
sme-bbg Schriftsteller
    
Beiträge: 959 Wohnort: Bad Eilsen
|
Zitat :
Otiffany hat am 26 Feb 2004 20:34 geschrieben :
|
Hi,
so einen digitalanzeigenden Entfernungsmesser kannst Du fertig kaufen!!
Peter
|
erstens sind die sauteuer
zweitens soll es ein sensor für eine roboter werden...
|
BID = 56695
Lötfix Schreibmaschine
    
Beiträge: 2328 Wohnort: Wien
|
Hallo!
Die Schaltung ist eine Laufzeitmessung. funktioniert inetwa so: Der 1. Zähler steuert den Ablauf: 44kHz Signal aussenden, Zähler 2 starten, Daten auf Anzeige ausgeben, Zähler 2 reset wenn 44kHz Signal empfangen wird, Zähler 1 reset, das Ganze nochmal....
mfg Lötfix
|
BID = 56737
sme-bbg Schriftsteller
    
Beiträge: 959 Wohnort: Bad Eilsen
|
so dann werde ich mal versuchen so ein ding für den i2c bus zu bauen ...
|
BID = 57068
sme-bbg Schriftsteller
    
Beiträge: 959 Wohnort: Bad Eilsen
|
so den schaltplan hätt ich nun ...
nun gehts ans proggen
|