| Autor |
PWM Steller mit UC3843 Suche nach: pwm (3633) |
|
|
|
|
BID = 656206
anaxagoras Gelegenheitsposter
 
Beiträge: 61
|
|
Hallo,
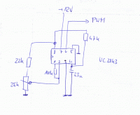
ich möchte mit dem UC3842/3 einen PWM Steller bzw Dimmer bauen, ich denke das müßte gehen dieses IC dafür zu verwenden. Meine Peobeschaltung funktioniert allerdings nicht, ich habe, je nach Stellung des Poti's entweder 0 oder 100% (genau sind es nicht ganz 100%). Bei einer Spannung von 0-2,5V an pin2 sind es fast 100% dann 0. dh der erste OP im 3843 arbeitet als Komparator. Ich dachte mit dem Poti kann ich die Pusweite einstellen, da habe ich mich scheint's getäuscht. Oder mache ich sonst einen Fehler? pin3 habe ich vorläufig auf 0 gelegt, zum Testen brauche ich keinen Strom messen.
Hat wer eine Idee
Gruß anax |
|
BID = 656212
Lötfix Schreibmaschine
    
Beiträge: 2328 Wohnort: Wien
|
|
Hallo!
Ohne Signal am Currentsense (Pin3) geht das nicht.
Wenn keine Stromerfassung vorhanden ist, muß man ein entsprechendes Signal aus dem Oszillator generieren.
Siehe dazu Datenblatt Seite 7, Bild 9, Open Loop Test Circuit, Schaltungsteil mit dem 2N2222 und dem Poti.
_________________
Haftungsausschluß:
Bei obigem Beitrag handelt es sich um meine private Meinung. Rechtsansprüche dürfen daraus nicht abgeleitet werden. Sicherheitsvorschriften beachten!
mfg lötfix
[ Diese Nachricht wurde geändert von: Lötfix am 18 Dez 2009 16:14 ] |
|
BID = 656240
anaxagoras Gelegenheitsposter
 
Beiträge: 61
|
hallo lötfix,
ich habe das gleich ausprobiert, ja das geht, ist aber keine elegante Lösung für meine Aufgabe da ich dann den Stromfühler-pin verliere. Da muß ich doch nach einem anderen IC suchen und den UC3843 dort lassen wofür er gemacht ist. Ich suche eigentlich einen Ersatz (nicht für eine Reparatur) für den U2352 den ich früher manchmal verwendet habe, der ist kaum zu kriegen.
Kennst du ein IC, 8pin mit Stromfühlereingang und leicht zu bekommen?
Gruß anax
[ Diese Nachricht wurde geändert von: anaxagoras am 18 Dez 2009 18:09 ]
|
BID = 656256
Lötfix Schreibmaschine
    
Beiträge: 2328 Wohnort: Wien
|
Wofür soll die Schaltung (mit oder ohne Trafo, etc.) verwendet werden und dürfen es nur 8 Pins sein? Wie wird der Sollwert vorgegeben, welcher Leistungshalbleiter, welche Spannung?
Für Softtouchdimmer an Wechselspannung gibt es z.B. LS7631/32
mfg lötfix
_________________
Haftungsausschluß:
Bei obigem Beitrag handelt es sich um meine private Meinung. Rechtsansprüche dürfen daraus nicht abgeleitet werden. Sicherheitsvorschriften beachten!
[ Diese Nachricht wurde geändert von: Lötfix am 18 Dez 2009 19:02 ]
|
BID = 656266
powersupply Schreibmaschine
    
Beiträge: 2920 Wohnort: Schwobaländle
|
Hi
An 12V sollte der TL494 funktionieren.
Einen entsprechenden Schaltungsvorschlag findest Du bei atx-netzteil.de
powersupply
|
BID = 656309
anaxagoras Gelegenheitsposter
 
Beiträge: 61
|
hallo
Zitat :
|
Wofür soll die Schaltung (mit oder ohne Trafo, etc.) verwendet werden
|
für Lampen, für Motore usw
Zitat :
|
und dürfen es nur 8 Pins sein?
|
braucht einfach weniger Platz und das ist oft wichtig
Zitat :
|
Wie wird der Sollwert vorgegeben, |
Durch ein Pot
Zitat :
| | welcher Leistungshalbleiter |
einen passenden Mosfet zum Strom
12 bis 24V
Gruß anax
|
BID = 656317
Lötfix Schreibmaschine
    
Beiträge: 2328 Wohnort: Wien
|
Für diese Anwendungen ist der TL494 = KA7500 optimal. Hat aber mehr Anschlüsse. 2 Differenzverstärker mit 4 Eingängen für Strom und Spannungsregelung verwendbar, Eingang für Totzeit/Softstart, 2 Ausgänge, Referenzspannung herausgeführt.
Gibt auch viele Anwendungsbeispiele dafür. Leicht verfügbar, ist oft in PC-Netzteilen drin.
mfg lötfix
_________________
Haftungsausschluß:
Bei obigem Beitrag handelt es sich um meine private Meinung. Rechtsansprüche dürfen daraus nicht abgeleitet werden. Sicherheitsvorschriften beachten!
|
BID = 656362
powersupply Schreibmaschine
    
Beiträge: 2920 Wohnort: Schwobaländle
|
Zitat :
anaxagoras hat am 18 Dez 2009 21:29 geschrieben :
|
hallo
Zitat :
|
und dürfen es nur 8 Pins sein?
|
|
Dann nimm halt die Schaltung mit dem 555 von der selben Seite.
Die Schaltung lässt sich mit einem D²Pak Mosfet auf der Rückseite einer Lochrasterplatine auf einer Fläche von 20 x 30mm realisieren.
powersupply
|
BID = 656454
anaxagoras Gelegenheitsposter
 
Beiträge: 61
|
Hallo,
danke für die Anregungen.
gruß anax
|