| Autor |
|
|
|
BID = 29903
horstis Gerade angekommen
Beiträge: 2
|
|
Hi, alle miteinander,
Ich bin mittelbegabter Bastler und scheitere momentan am preiswertem Selbstbau einer Regelung für eine 2500W Heizspirale. Das Ding soll stufenlos regelbar sein (Poti 0-100%) sowie (mit Umschalter) durch ein 0-10V Steuersignal. Hat irgendwer ´ne gute Idee? (mit Schaltplan?)
THX Horsti |
|
BID = 29905
Mufti Schriftsteller
    
Beiträge: 514 Wohnort: Bad Neustadt
|
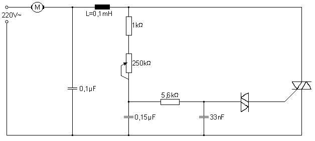
hi, da hab ich glaubich was für dich:
so besonders gut kenn ich mich auch nicht aus....jedenfalls is das ne Phasenanschnittsteuerung, die nur für ohmsche lasten gebaut ist... ne heizspirale is doch ne ohmsche last, oder?? also nen ventilatormotor oder so solltest du damit besser nicht antreiben....
die funkentstörung (die 0,1mH spule und der linke 0,1µF Kondi) kannste genauso gut auch welassen, wennde net an der gleichen phase noch ne stereoanlage oder sowas hängen hast.
bei M klemmst du dein heizteil dazwischen...
als Triac (das rechte teil aus 2 Dreiecken) kannst du z.B. einen TIC 246 M nehmen (auf anschlussbelegung achten!!!! siehe Datenblatt)... beim diac oder auch Triggerdiode (linke aus 2 dreiecken) gibts soviel ich weiß keine auswahl
an dem poti verstellst du den phasenanschnitt...wenn der widerstand dort gleich Null ist, kommt auf M die maximale effektivspannung, d.h. du kannst einen schalter oder ein relais parallel zum poti schalten, um das ding per knopfdruck auf 100% zu stellen
Hochgeladenes Bild : Phasenanschnittsteuerung2.jpg
[ Diese Nachricht wurde geändert von: Mufti am 27 Aug 2003 18:34 ]
|
BID = 29907
dos6510 Stammposter
   
Avatar auf fremdem Server ! Hochladen oder per Mail an Admin
Beiträge: 357 Wohnort: Raum Stuttgart
|
Zitat :
|
so besonders gut kenn ich mich auch nicht aus....jedenfalls is das ne Phasenanschnittsteuerung, die nur für ohmsche lasten gebaut ist... ne heizspirale is doch ne ohmsche last, oder?? also nen ventilatormotor oder so solltest du damit besser nicht antreiben....
|
Wenn die Steuerung nur für ohmsche Lasten ist, wieso ist dann ein Motor im Schaltplan?
Zitat :
|
die funkentstörung (die 0,1mH spule und der linke 0,1µF Kondi) kannste genauso gut auch welassen, wennde net an der gleichen phase noch ne stereoanlage oder sowas hängen hast.
|
Nicht weglassen! Dieser Schaltungsteil dient auch zum Schutz des Triacs!
DoS
|
BID = 29916
horstis Gerade angekommen
Beiträge: 2
|
@ Mufti
Thx für Deinen Vorschlag, so ungefähr hatte ich mir das auch gedacht, aaaaber worum´s mir geht: Ein Freund checkt mir eine SPS, mit der ich div. Parameter abfrage und in Form eines 0 bis 10 Volt Signals ausgebe. Dieses soll mir die Heizleistung dann regeln. Angedacht ist, daß der Umschalter zwischen manueller (Poti) Steuerung und SPS parallel zum Poti liegt. Irgendeine Idee????
LG Horst
|
BID = 29931
Electronicfox Schreibmaschine
    
Beiträge: 1634 Wohnort: hamburg
|
Der IC TCA280 ist geeignet für deine Zwecke.
Hochgeladene Datei : TCA280.PDF
_________________
Es ist nicht mein Ziel mit dem Kopf durch die Wand zu gehen, sondern mit den Augen eine Tür zu finden. Also warum kompliziert, wenn’s einfach geht.
|
BID = 37004
jup Gerade angekommen
Beiträge: 5
|
Hallo!
Möchte meinen Kreisegemotor mittels Phasenanschnitt
regelen.motor 3pol.400V 2.5HP 2800U/min.
Hat vileicht jemand eine Schaltung?
Im voraus besten Dank.
mfg
jup
|
BID = 37005
2SJ200 Schreibmaschine
     Beiträge: 1942 Wohnort: Österreich
|
du kannst mit einer phasenanschnittsteuerung bei einem drehstromotor keine drehzahlreglung vornehmen, du kannst NUR des drehmoment so regeln, und da willst vermutlich immer es maximum haben - also hat keinen sinn mit phasenanschnittsteuerung - du müsstets die frequenz des drehstromes umsetzen um die drehzahl zu regeln, des is weit aufwendiger und da solltest dir überlegen obst ned lieber doch am riemen herumwerkelst ;)
|