Motorsteuerung

Im Unterforum Projekte im Selbstbau - Beschreibung: Selbstbau von Elektronik und Elektro

Elektronik Forum Nicht eingeloggt       Einloggen       Registrieren




[Registrieren]      --     [FAQ]      --     [ Einen Link auf Ihrer Homepage zum Forum]      --     [ Themen kostenlos per RSS in ihre Homepage einbauen]      --     [Einloggen]

Suchen


Serverzeit: 26 11 2025  21:04:56      TV   VCR Aufnahme   TFT   CRT-Monitor   Netzteile   LED-FAQ   Oszilloskop-Schirmbilder            


Elektronik- und Elektroforum Forum Index   >>   Projekte im Selbstbau        Projekte im Selbstbau : Selbstbau von Elektronik und Elektro


Autor
Motorsteuerung
Suche nach: motorsteuerung (541)

    







BID = 944232

Mana77

Gerade angekommen


Beiträge: 1
 

  


Hallo.

Ich brauche ein paar Ideen und Lösungsvorschläge.
Der ganze Spaß soll möglichst kostengünstig sein.

Ich habe ein Netzteil (DC 24V/10A) und 2 Gleichstrommotoren (24V/3,5A)

Jetzt möchte ich jeden Motor jeweils mit 2 Tastern rechts bzw. links laufen lassen.

Die 4 Taster sollen in eine kleine Handfernbedienung.

vielen Dank im Voraus





[ Diese Nachricht wurde geändert von: Mana77 am 20 Nov 2014  9:07 ]

BID = 944272

perl

Ehrenmitglied



Beiträge: 11110,1
Wohnort: Rheinbach

 

  


Zitat :
Jetzt möchte ich jeden Motor jeweils mit 2 Tastern rechts bzw. links laufen lassen.
Und wie soll der Lauf beendet werden?

BID = 944276

Offroad GTI

Urgestein



Beiträge: 12830
Wohnort: Cottbus


Zitat :
Der ganze Spaß soll möglichst kostengünstig sein.
Was sonst

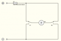
Du brauchst eigentlich nur einen Vierkanal-Funkschalter mit Relaisausgang (vorzugsweise Wechsler entsprechender Stromtragfähigkeit)
Der Motor wird dann einfach wie folgt angeschlossen.




Vorteil dieser einfachen Schaltung ist, dass es keinen Kurzschluss der Versorgungsspannung geben kann, wenn beide Relais gleichzeitig anziehen, und somit auch keine Verriegelung benötigt wird.



_________________
Theoretisch gibt es zwischen Theorie und Praxis keinen Unterschied. Praktisch gibt es ihn aber.



[ Diese Nachricht wurde geändert von: Offroad GTI am 20 Nov 2014 17:15 ]

BID = 944282

Otiffany

Urgestein



Beiträge: 13779
Wohnort: 37081 Göttingen

Weiterer Vorteil: Wenn beide Relais anziehen, bremst der Motor schneller ab.

http://www.pollin.de/shop/dt/MDYzOT......html


Gruß
Peter

[ Diese Nachricht wurde geändert von: Otiffany am 20 Nov 2014 19:51 ]

BID = 944307

der mit den kurzen Armen

Urgestein



Beiträge: 17437

Du solltest da aber schon Relais mit mindestens 16 A einsetzen, sonst kann es dir bei DC passieren das die Kontakte ein Feuerwerk mit auslösen der Sicherung veranstalten. Die Relais auf der von Otiffany verlinkten Karte sind für deine Motoren definitiv zu schwach!! Auch wenn da steht 24 V 5A !!

_________________
Tippfehler sind vom Umtausch ausgeschlossen.
Arbeiten an Verteilern gehören in fachkundige Hände!
Sei Dir immer bewusst, dass von Deiner Arbeit das Leben und die Gesundheit anderer abhängen!


Zurück zur Seite 0 im Unterforum          Vorheriges Thema Nächstes Thema 


Zum Ersatzteileshop


Bezeichnungen von Produkten, Abbildungen und Logos , die in diesem Forum oder im Shop verwendet werden, sind Eigentum des entsprechenden Herstellers oder Besitzers. Diese dienen lediglich zur Identifikation!
Impressum       Datenschutz       Copyright © Baldur Brock Fernsehtechnik und Versand Ersatzteile in Heilbronn Deutschland       

gerechnet auf die letzten 30 Tage haben wir 16 Beiträge im Durchschnitt pro Tag       heute wurden bisher 13 Beiträge verfasst
© x sparkkelsputz        Besucher : 186839394   Heute : 37077    Gestern : 47700    Online : 212        26.11.2025    21:04
13 Besucher in den letzten 60 Sekunden        alle 4.62 Sekunden ein neuer Besucher ---- logout ----viewtopic ---- logout ----
xcvb ycvb
0.0240540504456