| Autor |
Mosfet im Linearen Betrieb Suche nach: mosfet (3483) |
|
|
|
|
BID = 1027088
I-need Stammposter
   
Beiträge: 415
|
|
Hallo zusammen
Es ist wiedermal zeit etwas neues zu Basteln. Folgendes: ich möchte gerne eine Regelung mit einem Mosfet gestalten. Einen Spannungsteiler aus Poti und NTC steuern das Gate des Mosfets an. Der Mosfet arbeitet so im Linearen Bereich und regelt den Strom durch etwas Widerstandsdraht. Die Last wird von einer Li-Ionen Batterie gespiesen also 3-4V. Der Strom beträgt ca 1-2 A.
Also mit dem Poti stelle ich eine Solltemperatur ein, und der NTC sorgt für eine Konstante Temperatur. (Thermiesche Kopplung ist ausreichend)
Was mir jetzt etwas sorge macht ist die Ansteuerung des Gates. Mir stehen 5V zusätzlich zu Verfügung, die ich natürlich für den Spannungsteiler verwende, aber soviel ich weiss kommen nur extra dafür gefertigte LL-Mosfets mit der relativ tiefen Gate Source Spannung klar. Aber die sind eigentlich eher für digitale zwecke gebaut und nicht für Linear.
Ich hätte eben noch ein paar stück von denen da rumliegen, oder habt ihr mir einen anderen Typ vorzuschlagen? Annsonsten muss ich auf BJT ausweichen. Vielleicht macht da ein BJT eh mehr sinn. Bin mal gespannt was ihr dazu meint.
[ Diese Nachricht wurde geändert von: I-need am 23 Sep 2017 19:47 ] |
|
BID = 1027092
Offroad GTI Urgestein
     
Beiträge: 12830 Wohnort: Cottbus
|
|
Zitat :
| | eine Regelung mit einem Mosfet gestalten. Einen Spannungsteiler aus Poti und NTC steuern das Gate des Mosfets an. | So wird das aber keine Regelung*, dazu braucht es noch einen OPV, welcher die Gatespannung enstprechend nachführt.
Zitat :
| | Aber die sind eigentlich eher für digitale zwecke gebaut und nicht für Linear. | So gut wie jeder MOSFET ist für Schaltanwendungen optimiert, was aber nicht heißt, dass du ihn nicht anderweitig verwenden kannst.
2A sind ja nun auch nicht die Welt. Wobei man natürlich auch die Verlustleistung im Auge haben muss. Ist bei 4V aber auch kein Problem.
*)und noch nicht mal ein Steller.
_________________
Theoretisch gibt es zwischen Theorie und Praxis keinen Unterschied. Praktisch gibt es ihn aber.
[ Diese Nachricht wurde geändert von: Offroad GTI am 23 Sep 2017 20:19 ] |
|
BID = 1027098
I-need Stammposter
   
Beiträge: 415
|
verstehe ich jetzt nicht. wieso soll das keine Regelung darstellen? ich habe einen Spannungsteiler aus einem Poti und dem NTC an dem Gate vom Mosfet. Die 5V wo der Spannungsteiler ist sind konstant. Steigt jetzt also die Temperatur, wird der NTC niederohmig und die Spannung am Gate wird tiefer -> somit fliesst einen kleineren Drainstrom.
Was ich an Mosfets hasse, dass die nie eine vernünftige Eingang zu Ausgang Kennlinie im Datenblatt haben. Wie soll ich jetzt da mein Spannungsteiler vernünftig berechnen können...
_________________
|
BID = 1027100
der mit den kurzen Armen Urgestein
     
Beiträge: 17437
|
Dann solltest du dir mal die Datenblätter genauer anschauen! Da gibt es Kennlinien für den Drain Source-Strom bei entsprechender Gate -Sourcespannung in Deinem verlinktem Datenblatt die Fig.3 und 4
_________________
Tippfehler sind vom Umtausch ausgeschlossen.
Arbeiten an Verteilern gehören in fachkundige Hände!
Sei Dir immer bewusst, dass von Deiner Arbeit das Leben und die Gesundheit anderer abhängen!
[ Diese Nachricht wurde geändert von: der mit den kurzen Armen am 23 Sep 2017 21:25 ]
|
BID = 1027101
BlackLight Inventar
      Beiträge: 5443
|
Zitat : I-need hat am 23 Sep 2017 19:31 geschrieben :
| | Was mir jetzt etwas sorge macht ist die Ansteuerung des Gates. Mir stehen 5V zusätzlich zu Verfügung, die ich natürlich für den Spannungsteiler verwende, aber soviel ich weiss kommen nur extra dafür gefertigte LL-Mosfets mit der relativ tiefen Gate Source Spannung klar. [...] Ich hätte eben noch ein paar stück von [IRLU8743] rumliegen, [...] |
Ich verstehe deine Frage nicht ganz. Wenn man im Datenblatt Fig. 1/2 anschaust, reichen 4,5 V GS für 200-300 A DS.
Zugegeben, das sind für Pulse. Für DC musst du es mal nachmessen.
> Was ich an Mosfets hasse, dass die nie eine vernünftige Eingang zu Ausgang Kennlinie im Datenblatt haben.
Selber messen? Was bringt dir außerdem eine typ. Kennlinie, wenn wegen Streuung hier auf deine ankommt?
Offtopic :
|
Ob die Kennlinien von einem Spannungsteiler + MOSFET linear genug ist, kannst du ja ausprobieren oder in (LT)SPICE o.ä. simulieren. Zeigt ein Spannungsteiler (in einer WS-Brücke) nicht eher sowas wie ein 1/R-Verhalten? Aber bei einem R und einem R(T) kannst du es aber ja so legen und aussuchen wie du magst. |
|
BID = 1027102
Offroad GTI Urgestein
     
Beiträge: 12830 Wohnort: Cottbus
|
Zitat :
| | Steigt jetzt also die Temperatur, wird der NTC niederohmig |
Und der MOSFET erwärmt sich, womit sich seine diversen Kennlinien verschieben.
Ein OPV bringt wieder Ordung in die Sache.
Du willst ja schließlich einen konstanten Strom. Ob die Gatespannung dafür bei 3V oder bei 4V liegt, interessiert einen ja nicht.
_________________
Theoretisch gibt es zwischen Theorie und Praxis keinen Unterschied. Praktisch gibt es ihn aber.
|
BID = 1027103
I-need Stammposter
   
Beiträge: 415
|
Figur 3 ist in der tat hilfreich. habe ich wohl übersehen. Aber wahnsinnig genau kann ich es dann doch wieder nicht hinauslesen. Am liebsten hätte ich halt auch so ein 3Quadrantenfeld wei bei den BJT.
Und um noch etwas Background zu erläutern: es muss nicht wahnsinnig genau sein. mir kommt es nicht auf Grad darauf an. wenn sich das Gebastel so um +-3° verhält ist das mehr als in Ordnung.
Aber ich frage mich jetzt wirklich ob da ein Mosfet überhaupt sinn macht. 2A ist ja nicht alle Welt da würde ein BJT auch passen. Ich weiss aber wirklich nicht wie ich mich entscheiden soll.
_________________
|
BID = 1027104
der mit den kurzen Armen Urgestein
     
Beiträge: 17437
|
Wenn die Steuerung genauer werden soll kommst du um einen OPV nicht herum. Für die Temperaturregelung ist der NTC einfach von seinen Werten her zu ungenau! Ich würde das sogar mit einem digitalem Temperaturfühler und einem µC erschlagen. Nur so kannst du da auf deine +-3 Grad kommen mit dem NTC bestenfalls auf +-50 Grad. Schau dir zum Vergleich mal die Werte eines PT1000 an wie sich der R mit der Temperatur verändert.
Edit: du möchtest eine konstante Temperatur und nicht einen konstanten Strom !
_________________
Tippfehler sind vom Umtausch ausgeschlossen.
Arbeiten an Verteilern gehören in fachkundige Hände!
Sei Dir immer bewusst, dass von Deiner Arbeit das Leben und die Gesundheit anderer abhängen!
[ Diese Nachricht wurde geändert von: der mit den kurzen Armen am 23 Sep 2017 21:59 ]
|
BID = 1027105
Offroad GTI Urgestein
     
Beiträge: 12830 Wohnort: Cottbus
|
Zitat :
| | Figur 3 ist in der tat hilfreich |
Aber nur, um einen groben Überblick zu bekommen. Die Schaltung exakt nach diesen Kennlinen auszulegen, wird nichts werden.
Zitat :
| | Aber ich frage mich jetzt wirklich ob da ein Mosfet überhaupt sinn macht |
Schon, wieso nicht.
Probier es doch einfach, wenn du den MOSFT eh hast.
_________________
Theoretisch gibt es zwischen Theorie und Praxis keinen Unterschied. Praktisch gibt es ihn aber.
|
BID = 1027110
I-need Stammposter
   
Beiträge: 415
|
ich habe mehr als nur den Mosfet herumliegen^^. Beim versuch den Wert des Potis zu berechnen verstand ich wieso sich das ganze überhaupt nicht linear bewegt. wenn dann müsste ich ein Logarithmisches Poti verwenden zur Kompensation... finde ich aber auch doof. da nehme ich doch lieber halt ein OP. Ich wollte halt die Schaltung so einfach wie nur möglich halten. Und so viel platzt ist auch nicht vorhanden. Aber SMD regelt das schon. Der NTC bleibt aber. ich muss nicht fix einen Wert einstellen und dann hat es genau die Temperatur, sondern wenn ich merke(mit der Hand fühle) dass es etwas zu kalt/warm ist drehe ich ein bisschen am Rad. Die Schaltung soll eigentlich eher die Temperatur auf +-2°C konstant halten.
_________________
|
BID = 1027114
perl Ehrenmitglied
       
Beiträge: 11110,1 Wohnort: Rheinbach
|
Zitat :
| | Der Mosfet arbeitet so im Linearen Bereich |
Die meisten modernen MOSFETs sind für den Schalterbetrieb spezifiziert und eignen sich nur bedingt für den Linearbetrieb.
Das liegt daran, dass sie intern aus einer Vielzahl sehr kleiner parallelgeschalteter Transistoren bestehen, dieren Toleranzen untereinander nicht kontrolliert werden.
Das kann im Linearbetrieb zu Überlastungen einzelner Bereiche und schliesslich zum Versagen des ganzen Chips führen.
Wenn du also diese Schalttransistoren im Linearbetrieb verwenden willst, solltest du wesentlich leistungsfähigere Typen aussuchen als es der Milchmädchenrechnung entspricht.
P.S.:
Anstelle einer lineraren Regelung könntest du auch eine PWM-Regelung verwenden.
Wenn du da noch eine Speicherdrossel spendierst, reduzierts du sogar die unnütze Verlustleistung (am Innenwiderstand des Akkus) und kannst länger mit der gegebenen Kapazität heizen.
[ Diese Nachricht wurde geändert von: perl am 24 Sep 2017 0:43 ]
|
BID = 1027181
I-need Stammposter
   
Beiträge: 415
|
Ja eben genau sowas las ich im Netz wegen des Linearbetriebs. Allerdings ist mein Vorgschlagener Mosfet für 160A gebaut, nur das Gehäuse begrenzt der Strom auf 50A. Somit denke ich das das schon laufen würde. Pwm regelung...naja sowas in der art verbaute ich in meinem ersten Prototyp. War aber nicht so de knaller.
_________________
|
BID = 1027188
I-need Stammposter
   
Beiträge: 415
|
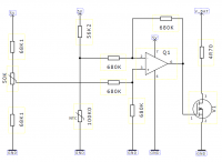
Musste gerade wieder merken wie wenig Ahnung ich doch habe. Habe versucht einen Schaltplan mit OP zu entwerfen. Was ich gemacht habe...aus den Angaben des NTC
@25°C 100K
@50°C 34.31K
Sollbereich von 25-50°C
zwei Spannungsteiler berechnet, und diese anschliessend über einen Differenzverstärker zusammengeführt.Vielleicht ist das ganze System etwas Hochohmig aufgebaut, kann ich aber auch niederohmiger auslegen.
Was ich aber nicht genau weiss ist nun wie ich den Mosfet ansteuern soll. denn wenn die Temperatur genau stimmt also E1 und E2 des OP gleich sind, dann habe ich am Ausgangs des OP 2.5V da ich den OP ja single rail speise. Und bei 2.5 V leitet mein Mosfet. Wie also kann ich das anpassen. Im Gehäuse meines OP habe ich noch eine zweiten OP, also damit liesse sich bestimmt was tun.
_________________
|
BID = 1027189
Offroad GTI Urgestein
     
Beiträge: 12830 Wohnort: Cottbus
|
Zitat :
| | über einen Differenzverstärker zusammengeführt |
Der funktioniert (wie er berechnet wurde) aber nur mit niederohmigen Quellen.
Einen Differenzverstärker brauchst du auch nicht, sondern einen Komparator mit Hysterese.
Zitat :
| | Im Gehäuse meines OP habe ich noch eine zweiten OP, |
Welcher ist es denn?
Zitat :
| | damit liesse sich bestimmt was tun |
Nicht, wenn die Ausgangsstufe des OPV sowieso nicht an die positive Betriebsspannung kommt.
_________________
Theoretisch gibt es zwischen Theorie und Praxis keinen Unterschied. Praktisch gibt es ihn aber.
|
BID = 1027191
I-need Stammposter
   
Beiträge: 415
|
Zitat :
| Einen Differenzverstärker brauchst du auch nicht, sondern einen Komparator mit Hysterese.
|
Tja das ist genau dass, was ich bei Prototyp 1 vor einem Jahr gebastelt habe. das ewige ein und ausschalten stört mich, deswegen sagte ich ja ich möchte die Last Linear steuern.
_________________
|