Kann diese schaltung so funktionieren?

Im Unterforum Projekte im Selbstbau - Beschreibung: Selbstbau von Elektronik und Elektro

Elektronik Forum Nicht eingeloggt       Einloggen       Registrieren




[Registrieren]      --     [FAQ]      --     [ Einen Link auf Ihrer Homepage zum Forum]      --     [ Themen kostenlos per RSS in ihre Homepage einbauen]      --     [Einloggen]

Suchen


Serverzeit: 30 12 2025  06:19:36      TV   VCR Aufnahme   TFT   CRT-Monitor   Netzteile   LED-FAQ   Oszilloskop-Schirmbilder            


Elektronik- und Elektroforum Forum Index   >>   Projekte im Selbstbau        Projekte im Selbstbau : Selbstbau von Elektronik und Elektro

Gehe zu Seite ( Vorherige Seite 1 | 2 | 3 | 4 )      


Autor
Kann diese schaltung so funktionieren?
Suche nach: schaltung (31745)

    







BID = 155451

Thoralf2005

Neu hier



Beiträge: 34
 

  


Nabend erstmal,

also das Problem liegt doch darin, daß das Motorumschaltrelais auf der einen Seite anziehen muß und auf der anderen abfallen soll. Wann genau die Umschaltung stattfindet ist doch wurstegal. Ob gleich mit dem abschalten der Motorspannung umgeschaltet wird oder kurz vor dem wiedereinschalten der Spannung. Was mir bei dem 3 Schaltermodell nicht in den Kopf will. Wie soll der Motor den mittlern Endschalter erreichen wenn der Motor vorher steht?
Selbst wenn die Schaltung aufwendiger und komplexer wird, möchte ich nicht mehr wie zwei Endschalter, bzw Taster. Wenn ich dazu einen Zweiten Timerbaustein haben muss
kommt er da rein, ich will das nicht mit Relais realisieren müssen.
Ich beschreibe die Schaltung nochmal um hoffentlich alle Unklarheiten zu beseitigen:

Der Motor fährt in den linken Endschalter. Der Öffner vom Timerbaustein (wie auch immer der aussieht) unterbricht die Motorspannung, schaltet das Motorumschaltrelais und zählt die eingestellte Zeit runter. Danach schließt der Öffner vom Timerbaustein, das Motorumschaltrelais bleibt angezogen und der Motor fährt in den rechten Endschalter. Der Öffner vom Timerbaustein (wie auch immer der aussieht) unterbricht die Motorspannung und läßt das Motorumschaltrelais abfallen. Nach der eingestellten Zeit schließt der Öffner, das Motorumschaltrelais bleibt abgefallen und das Kästchen macht sich wieder auf die Reise zum linken Endschalter.


Für die Stromversorgung habe ich hochflexible Gummischlauchleitung und zwei passende Zugendlastungen.
Den Trafo wollte ich samt Feinsichering mit auf die Steuerungsplatine löten um nicht noch mehr Zeug an die Decke hängen zu müssen, bei der Leistung die ich brauche ist der Trafo ja auch nicht so groß. Oder gibt es da bestimmte Vorschriften, was geht und was nicht? Wenn sich da jemand genau auskennt, für Links oder eine VDE Nummer bin ich immer dankbar.

Am Anfang habe ich gedacht ich komme mit einem Flip Flop und einem Timerbaustein aus. Das sich das Ganze so auswächst hätte ich nicht gedacht. Entschuldigt, wenn ich euch nicht immer gleich folgen konnte. Kennt jemand einen Schaltungs- simulator für windows, Demoversion oder Trail zum rumprobieren?

Vielen Dank an Jörg und Peter die bis hier durchgehalten haben und vielleicht doch noch die eine oder andere Idee zur Schaltung hier in diesen Threat posten.

Gruß Thoralf

BID = 155543

Otiffany

Urgestein



Beiträge: 13779
Wohnort: 37081 Göttingen

 

  

Hi,
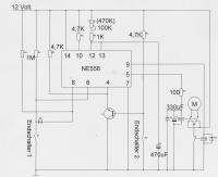
Ich habe (obwohl ich eigentlich nicht mehr wollte) noch mal eine Schaltung entwickelt, die es ermöglicht mit einem IC auszukommen, nämlich dem NE556.
Für die Endschalter kannst Du Reedkontakte verwenden. Zur Betätigung positionierst Du einfach kleine Stabmagnete an den Enden der Fahrstrecke.
Mit den Endschaltern wird das Monoflop und gleichzeitig der Timer getriggert.
Die erste Stufe des NE556 ist als Monoflop geschaltet, die zweite als Timer.
Was die beabsichtigte Stromversorgung anbetrifft kann ich mich nur der Meinung von Perl anschließen!!
Gruß
Peter



BID = 155711

harzjoe

Stammposter



Beiträge: 200
Wohnort: Blankenburg/Harz

Hallo Toralf,
zu meiner Schaltung:
Ich gehe dabei davon aus, daß der Motor sofort nach abschalten noch etwas nachläuft, das Fahrzeug deshalb noch nicht sofort stehen bleibt, und der Schieber um, wenn auch nir 2...3mm weiter bewegt wird.
Ist halt ne knifflige Justagearbeit...!

Was Du vor hast, haben wir schon verstanden!

Die Schaltung von Peter ist wohl, wenn es nicht so wie von mir beschrieben umgesetzt werden soll, die vom Aufwand eleganteste Lösung, aber sie sollte mal in der Praxis erprobt werden.

Wie gesagt, bei meiner Schaltung mit dem 4013 hatte ich Probleme mit der Motorumschaltung, so lange die Motorspannung nicht unterbrochen war.
Da spielten aus unerklärlichen Gründen die Relais voll verrückt!

Jörg

BID = 155779

Otiffany

Urgestein



Beiträge: 13779
Wohnort: 37081 Göttingen

Hi Harzjoe,
falls Du es noch nicht getan hast, setze mal einen 100nF kondensator direkt am IC an die Spannungsversorgung.
Ich vermute, daß beim Anziehen des Relais eine erneute Triggerung durch den Spannungseinbruch erfolgt.
Gruß
Peter

BID = 155879

Thoralf2005

Neu hier



Beiträge: 34

Nabend,

Super Peter! Klasse Schaltung und sehr übersichtlich. Danke! Morgen werde ich die Teile besorgen und am Wochenende ein wenig löten, wenn ich denn auch noch die Relais im richtigen Takt klicken höre, melde ich mich wieder.

Was habt ihr alle gegen das Kabel unter der Decke? Dieser Typ Kabel wird auch im Fahrstühlen verwendet und sollte sich dafür durchaus eignen. Ist es die Spannung? Besser einen Trafo unter die Decke und dann mit einem Kabel? Von Schleifern und Seilsystemen halte ich nicht wirklich viel. Zu aufwendig und vernünftige Schleifer kosten auch.

Einen schönen Freitag wünscht Thoralf

BID = 155966

Otiffany

Urgestein



Beiträge: 13779
Wohnort: 37081 Göttingen

Hallo Thoralf,
ich habe noch zwei Veränderungen in der Schaltung vorgenommen: 1. Ich hatte vergessen den Reset (Pin 10) an Plus zu legen. 2. Dem Umschaltrelais habe ich noch eine Anzugs- und Abfallverzögerung verpasst, damit auch wirklich gewährleistet ist, daß die Umschaltung stromlos erfolgt.
Gruß
Peter



BID = 156011

Thoralf2005

Neu hier



Beiträge: 34

Mahlzeit Peter!

Prima das Du nochmal draufgeschaut hast, ich hätte mir wahrscheinlich einen Wolf gesucht wenn es mal funktioniert hätte und mal nicht. Eine Frage zu den Dioden: Welchen Typ sollte ich da einsetzen ? Alles andere ist so schön beschriftet. Nur an den Dioden habe ich nichts gefunden.

Gruß Thoralf

BID = 156021

Otiffany

Urgestein



Beiträge: 13779
Wohnort: 37081 Göttingen

Hi,
für die Dioden kannst Du die 1N4148 oder 1N4001 (bis 1N4007)
nehmen.
Wenn Du die Relais kaufst, dann nimm beide mit 2xUM.
Vielleicht brauchen wir den zweiten Umschalter noch.
Gruß
Peter

BID = 156772

Otiffany

Urgestein



Beiträge: 13779
Wohnort: 37081 Göttingen

Hi Thoralf,
setz bitte noch eine Diode zwischen PIN 5 und den 100 Ohm Widerstand. Die Anode an PIN 5, das vergrößert die Abfallzeit des Relais wesentlich.
Gruß
Peter


Vorherige Seite      
Gehe zu Seite ( Vorherige Seite 1 | 2 | 3 | 4 )
Zurück zur Seite 0 im Unterforum          Vorheriges Thema Nächstes Thema 


Zum Ersatzteileshop


Bezeichnungen von Produkten, Abbildungen und Logos , die in diesem Forum oder im Shop verwendet werden, sind Eigentum des entsprechenden Herstellers oder Besitzers. Diese dienen lediglich zur Identifikation!
Impressum       Datenschutz       Copyright © Baldur Brock Fernsehtechnik und Versand Ersatzteile in Heilbronn Deutschland       

gerechnet auf die letzten 30 Tage haben wir 17 Beiträge im Durchschnitt pro Tag       heute wurden bisher 0 Beiträge verfasst
© x sparkkelsputz        Besucher : 188005524   Heute : 1200    Gestern : 8349    Online : 183        30.12.2025    6:19
1 Besucher in den letzten 60 Sekunden        alle 60.00 Sekunden ein neuer Besucher ---- logout ----viewtopic ---- logout ----
xcvb ycvb
0.128078937531