IR-Empfänger mit Impulsen Im Unterforum Projekte im Selbstbau - Beschreibung: Selbstbau von Elektronik und Elektro
| Autor |
IR-Empfänger mit Impulsen Suche nach: empfänger (4546) |
|
|
|
|
BID = 629042
Sebra Schriftsteller
    
Beiträge: 665
|
|
Guten Tag,
ich würde gerne etwas mit einer IR-Fernbedienung ansteuern, allerdings brauche ich dafür nur Impulse.
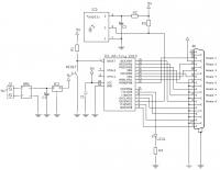
Als Basis für dieses Projekt möchte ich den günstigen 8-Kanal-IR-Fernbedienungs-Bausatz IR8 von Pollin verwenden.
Wenn man bei der mitgelieferten Fernbedienung auf die "1" drückt, wird Ausgang 1 aktiviert, drückt man nochmal auf die "1", wird er wieder deaktiviert. Ich möchte es aber so haben, dass, wenn man die "1" drückt, der entsprechende Ausgang für ca. 1 Sekunde aktiviert bleibt.
Hier ist der Schaltplan für das Original-Teil:
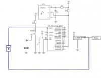
Für den neuen Plan (Bild unten) hab ich unwichtige Dinge erstmal weggetan, nämlich das Netzteil, die LED und ich hab mich auf einen Ausgang beschränkt, bei den anderen 7 läuft das ja dann analog.
Da ich Relais ansteuern möchte, kommt erstmal ein ULN 2803 dahinter. Wenn der Spannung am Eingang bekommt, dann setzt er an den entsprechenden Ausgang ein GND-Signal.
Mit diesem GND-Signal wird dann mein Relais geschaltet (anderer Relais-Anschluss am Pluspol). Es ist praktisch, dass der ULN2803 ein GND-Signal ausgibt, weil man mit GND auf den entsprechenden Pin auch einen Reset des ganzen IR-Empfängers bewirkt.
Und das ist meine Idee: Wenn man jetzt diese GND-Leitung auch auf den Reset-Pin legt, dann wird beim Aktivieren des Ausgangs 1 das Teil auch sofort zurückgesetzt und somit sind wieder alle Ausgänge auf off. Jetzt muss ich es nur noch schaffen, dass das GND-Signal zwar ganz normal zum Relais kommt, aber mit ca. 1 Sekunde Verspätung zum Reset-Pin. Wie mache ich das? Reicht da ein Kondensator?
Vielen Dank
sebra
[ Diese Nachricht wurde geändert von: Sebra am 23 Aug 2009 15:34 ] |
|
BID = 629044
Sebra Schriftsteller
    
Beiträge: 665
|
|
Dann fällt mir noch ein Problem ein:
Ich denke mal, dass die Ausgänge des IR-Empfängers, also die 8 Ausgänge des AT-Tiny, wenn sie nicht aktiviert sind, auf low, also auf GND liegen. Wenn GND bei den Eingängen des ULN 2803 anliegt, wird er seine Ausgänge auf high, also auf 5V schalten, oder?
Dann läge aber, wenn gerade nicht geschaltet wird, immer 5V am Reset-Pin an; ist das irgendwie schlecht? Denn normal liegen die 5V ja über einen ziemlich großen Widerstand an (R1=10kOhm).
Danke
sebra |
|
BID = 629047
bastler16 Schreibmaschine
     Beiträge: 2140 Wohnort: Frankreich
|
Zitat :
| | Dann läge aber, wenn gerade nicht geschaltet wird, immer 5V am Reset-Pin an; ist das irgendwie schlecht? Denn normal liegen die 5V ja über einen ziemlich großen Widerstand an (R1=10kOhm). |
Ob Widerstand oder nicht ist imho erstmal egal. Ohne Widerstand würde es beim Programmieren einen Kurzschluss geben da dort der Resetpin auf LOW gezogen wird, für die normale Funktion ist er nicht nötig (bzw. kann 0 Ohm haben).
Zitat :
|
Dann fällt mir noch ein Problem ein:
Ich denke mal, dass die Ausgänge des IR-Empfängers, also die 8 Ausgänge des AT-Tiny, wenn sie nicht aktiviert sind, auf low, also auf GND liegen. Wenn GND bei den Eingängen des ULN 2803 anliegt, wird er seine Ausgänge auf high, also auf 5V schalten, oder? |
Der 2803 hat Opencollector-Ausgänge.
Imho ist diese Methode Murks. Ich würde entweder
-ein anderes Programm auf den µC packen (wenn das den möglich ist) oder den µC samt Programm tauschen,
-einen weiteren µC welcher 8-fach Monoflop spielt zwischen Schaltung und ULN schalten,
-für jeden Kanal ein einfaches Monoflop zwischenschalten (NE usw).
|
BID = 629066
DonComi Inventar
     
Beiträge: 8604 Wohnort: Amerika
|
Hallo Sebra,
Wenn du ans Programm kommst, kann man diese Funktion einfach nachprogrammieren.
Achja,
Zitat :
|
Dann läge aber, wenn gerade nicht geschaltet wird, immer 5V am Reset-Pin an; ist das irgendwie schlecht? Denn normal liegen die 5V ja über einen ziemlich großen Widerstand an (R1=10kOhm).
|
Wie Bastler schrieb:
Das ist ein Pullupwiderstand.
Der kann so hochohmig sein, da der AVR ja auch hochohmige CMOS-Eingänge hat.
Man lässt Gattereingänge nicht offen rumhängen, weil gerade die hochohmigen dann beginnen, durch kleinste Leckströme oder elektrisch geladene Körper in der Nähe, zu schwingen oder schlicht falsche logische Zustände einzunehmen.
Edit:
Auf nem 2313 habe ich schon einen IR-Dekoder implementiert.
Wenn du den ATtiny auslesen kannst, dann schick mir mal das Hexfile / die Intel-Hex-Datei (oder poste sie hier).
Das wird wohl relativ einfach sein, das Disassembling davon zu ändern...
_________________
[ Diese Nachricht wurde geändert von: DonComi am 23 Aug 2009 17:58 ]
|
BID = 629161
Sebra Schriftsteller
    
Beiträge: 665
|
Leider komm ich nicht an den Code ran. Ich habe weder die nötige Hardware, noch die Software dazu...
Aber wenn man an den Ausgängen einfach eine andere Schaltung ranhängt, die 1 Sek durchschaltet und dann wieder "loslässt", dann ist ja der Ausgang dieses Kontrollers immer noch auf high, man müsste ihn also erst auf low schalten, bevor man erneut einen Impuls bekommt.
Daher die Idee, dass nach 1 Sek. reset aktiviert wird, dann hab ich den Impuls und die Ausgänge haben gleichzeitig wieder den "Standard-Status".
Funktioniert das nicht mit einem einfachen Kondensator, evtl. noch Widerstand zum entladen?
mfg
sebra
|
BID = 629209
bastler16 Schreibmaschine
     Beiträge: 2140 Wohnort: Frankreich
|
Zitat :
|
Leider komm ich nicht an den Code ran. Ich habe weder die nötige Hardware, noch die Software dazu... |
Ponyprog ist kostenlos (sogar Opensource wenn ich mich nicht täusche) und ein Programmer braucht nur ein paar Kleinteile.
Imho ist das ein Versuch wert, zumal DonComi schon angeboten hat, den Code zu ändern.
Guckst du z.B.
http://www.lancos.com/prog.html
http://hoelscher-hi.de/hendrik/light/ressources/AN011.pdf
und viele andere (Google)
Ich bleibe dabei, die Methode den µC ständig in den Reset zu jagen ist Murks.
Wenn du es doch versuchen willst, Suchbegriffe sind Ein/Ausschaltverzögerung, NE555 usw.
edit: Irgendwas ist da faul: Wenn man den Reset mit einer gewissen Verzögerung auf LOW zieht und auf diesem Pegel lässt bleibt der µC im Programmiermodus. Richtig wäre ein Impuls (HIGH-LOW-HIGH).
[ Diese Nachricht wurde geändert von: bastler16 am 24 Aug 2009 8:15 ]
|
BID = 629242
Sebra Schriftsteller
    
Beiträge: 665
|
Zitat :
| | edit: Irgendwas ist da faul: Wenn man den Reset mit einer gewissen Verzögerung auf LOW zieht und auf diesem Pegel lässt bleibt der µC im Programmiermodus. Richtig wäre ein Impuls (HIGH-LOW-HIGH). |
Nein. Sobald der Reset mit GND verbunden wird, werden die Ausgänge des Controllers "deaktiviert", also gibt auch der ULN2803 kein GND mehr an den Ausgängen her, welches ja den Reset bewirkt hat. Er unterbricht sich also selbst und bleibt nicht ununterbrochen mit Reset verbunden.
Danke für die Links, die schau ich mir mal an.
Am liebsten wäre mir aber wirklich die Lösung mit dem Reset. Muss das wirklich ein NE555 sein, oder reicht da auch ein Kondensator mit Widerstand zum Entladen und ein paar solche Kleinigkeiten? Sehr genau muss die Zeit ja nicht sein, darf auch mal 2 Sekunden anziehen, oder nur 0,7 Sekunden oder so...
Vielen Dank
sebra
Edit:
Wenn ich mir das Teil baue, kann man damit dann alle AVRs programmieren und auslesen?
Und vor allem: Komm ich so an den Code ran, damit DonComi (vielen Dank an dieser Stelle für das Angebot) ihn ändern kann?
[ Diese Nachricht wurde geändert von: Sebra am 24 Aug 2009 13:48 ]
|
BID = 629245
bastler16 Schreibmaschine
     Beiträge: 2140 Wohnort: Frankreich
|
Moin,
hab nicht viel Zeit, nur kurz:
Zitat :
Sebra hat am 24 Aug 2009 13:41 geschrieben :
|
Zitat :
| | edit: Irgendwas ist da faul: Wenn man den Reset mit einer gewissen Verzögerung auf LOW zieht und auf diesem Pegel lässt bleibt der µC im Programmiermodus. Richtig wäre ein Impuls (HIGH-LOW-HIGH). |
Nein. Sobald der Reset mit GND verbunden wird, werden die Ausgänge des Controllers "deaktiviert", also gibt auch der ULN2803 kein GND mehr an den Ausgängen her, welches ja den Reset bewirkt hat. Er unterbricht sich also selbst und bleibt nicht ununterbrochen mit Reset verbunden.
|
Ja, Denkfehler meinerseits. Habs gerade nicht so mit Nachdenken, wird schon stimmen...
Zitat :
|
Am liebsten wäre mir aber wirklich die Lösung mit dem Reset. Muss das wirklich ein NE555 sein, oder reicht da auch ein Kondensator mit Widerstand zum Entladen und ein paar solche Kleinigkeiten? Sehr genau muss die Zeit ja nicht sein, darf auch mal 2 Sekunden anziehen, oder nur 0,7 Sekunden oder so...
|
Geht vielleicht auch ohne, weiss nicht ob der AVR einen Schmitttriger am Restpin hat. So teuer/kompliziert ist ein NE555 aber auch wieder nicht. Eine genaue Lösung hab ich nicht parat, aber das solltest du selbst rausfinden können.
Zitat :
|
Wenn ich mir das Teil baue, kann man damit dann alle AVRs programmieren und auslesen?
Und vor allem: Komm ich so an den Code ran, damit DonComi (vielen Dank an dieser Stelle für das Angebot) ihn ändern kann? |
1)
Alle AVRs die ISP (In-System-Programming) unterstützen. Das ist bei den gebräuchlichen (tiny12 und folgende, mega8, 16 usw) der Fall, also kurz: Ja.
2)
Es ist bei den AVRs möglich den Speicher vorm Auslesen zu schützen (Lockbits in den Fuses). Sollten diese gesetzt sein kannst du den Chip nicht auslesen, ansonsten ist das kein Problem. Du erhälst eine Datei mit der Endung .hex, damit kann DonComi dann arbeiten.
Wenn die Lockbits gesetzt sind kann man imho (bin mir nicht sicher) den Chip nur löschen (Programm+Lockbits), da müsste man dann ein neues Programm schreiben.
|
BID = 629249
Her Masters Voice Inventar
     
Avatar auf fremdem Server ! Hochladen oder per Mail an Admin
Beiträge: 5312 Wohnort: irgendwo südlich von Berlin
|
die originale Firmware ist gegen auslesen geschützt aber es gibt schliesslich auch andere Benutzer die den Wunsch nach umprogrammierung hegten. Hier ist Einer: http://www.hanneslux.de/avr/pollin_ir8/index.html
_________________
Tschüüüüüüüs
Her Masters Voice
aka
Frank
***********************************
Der optimale Arbeitspunkt stellt sich bei minimaler Rauchentwicklung ein...
***********************************
|
BID = 629628
Sebra Schriftsteller
    
Beiträge: 665
|
Vielen Dank, muss ich unbedingt mal ausprobieren, wenn ich wieder was (bei Pollin) bestelle.
Um meinen Laptop nicht durch einen defekten Programmer zu ruinieren, dachte ich, ich könnte das Teil dann an meinem alten PC anschließen (LPT), der mit Linux (Ubuntu) läuft.
Bei der von Bastler16 verlinkten Software steht, dass diese unter Intel Linux läuft. Heißt das jetzt, dass das Teil auch unter Ubuntu läuft oder nicht?
Vielen Dank
sebra
|
BID = 629630
DonComi Inventar
     
Beiträge: 8604 Wohnort: Amerika
|
Läuft definitiv!
Sieh nur zu, dass du Rechte für die Gerätedatei /dev/parportN hast.
Kannste dir, wenn es soweit ist, mit sudo chmod a+rw /dev/parport0 z.B. besorgen  .
_________________
|
|
Zum Ersatzteileshop
Bezeichnungen von Produkten, Abbildungen und Logos , die in diesem Forum oder im Shop verwendet werden, sind Eigentum des entsprechenden Herstellers oder Besitzers. Diese dienen lediglich zur Identifikation!
Impressum
Datenschutz
Copyright © Baldur Brock Fernsehtechnik und Versand Ersatzteile in Heilbronn Deutschland
gerechnet auf die letzten 30 Tage haben wir 17 Beiträge im Durchschnitt pro Tag heute wurden bisher 0 Beiträge verfasst © x sparkkelsputz Besucher : 187997419 Heute : 1432 Gestern : 15227 Online : 236 29.12.2025 4:28 1 Besucher in den letzten 60 Sekunden alle 60.00 Sekunden ein neuer Besucher ---- logout ----viewtopic ---- logout ----
|
xcvb
ycvb
0.0967619419098
|