| Autor |
Brauche dringend hilfe für eine kleine Schaltung Suche nach: schaltung (31740) |
|
|
|
|
BID = 515160
pablo007 Gesprächig
  
Beiträge: 113
|
|
Hallo,
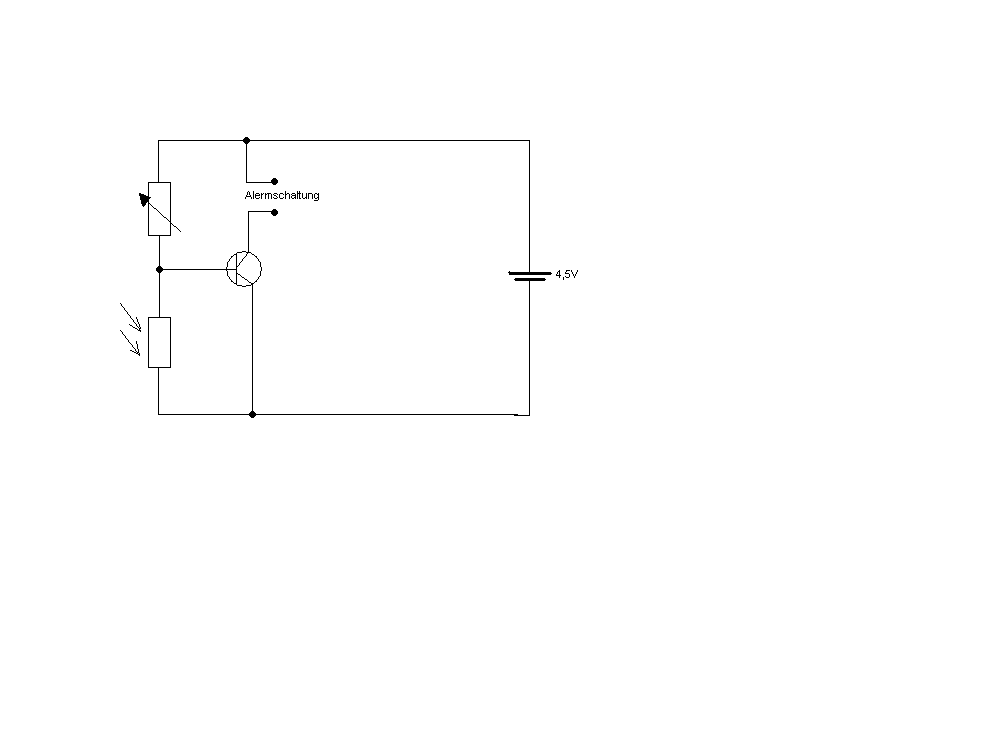
ich muss eine kleine "hellschaltung" bauen, mit einem LDR und Transistor:
Also der LDR wird von einer Laserdiode belichtet. Wird der lichtstrahl unterbrochen, sprich der LDR wird dunkel, muss der Transistor öffnen und ein alarschaltung (funktioniert mit 4,5V direkt an der Batterie) mit strom versorgen.
Alle Schaltungen sollen an einer 4,5V Batterie betrieben werden. Mein Problem ist das beim ersten versuch es nicht geklappt hat und der Transistor warm wurde.
Kann einer mein Schaltbild umändwern so das es richtig funktioniert?
Schaltbild:
[ Diese Nachricht wurde geändert von: pablo007 am 13 Apr 2008 14:28 ] |
|
BID = 515164
Kleinspannung Urgestein
     
Beiträge: 13375 Wohnort: Tal der Ahnungslosen
|
|
Zitat :
|
pablo007 schrieb am 2008-04-13 14:26
ich muss eine kleine "hellschaltung" bauen, mit einem LDR und Transistor:
|
Hausaufgabe für Montag?
Und nun "schnell dringend Hilfe",damit es eine gute Note wird,weil du bisher keine Lust hattest,dich damit zu beschäftigen?
Zitat :
|
muss der Transistor öffnen und ein alarschaltung (funktioniert mit 4,5V direkt an der Batterie) mit strom versorgen.
|
Wie jetzt?
Er öffnet und soll was versorgen?
Zitat :
|
und der Transistor warm wurde.
|
Das wundert mich nun nicht.Da fehlt mindestens noch ein Widerstand.
Außerdem bekommste mit der Schaltung kaum ein schlagartiges ein/ausschaltverhalten hin.
Und dann gewöhn dir mal an,da Werte dranzukrakeln.Also wie groß ist das Poti,was für ein Transistor,und was für eine ominöse "alarschaltung" soll der versorgen usw.
_________________
Manche Männer bemühen sich lebenslang, das Wesen einer Frau zu verstehen. Andere befassen sich mit weniger schwierigen Dingen z.B. der Relativitätstheorie.
(Albert Einstein) |
|
BID = 515166
pablo007 Gesprächig
  
Beiträge: 113
|
hab mich verschrieben. ich meinte Alarmschaltung (ähnlich wie ein summer) und auserdem solls eine dämmerungsschaltung sein.
Probiert habe ich es mit einem 5k Ohm Poti und einem 548 NPN Transistor.
Jop der Basiswiederstand fehlt. Leider weiß ich nicht wie groß der sein soll (1k Ohm vielleicht)??
Ich hab halt keine Ahnung wie ich die Wiederstände dimensionieren soll.
[ Diese Nachricht wurde geändert von: pablo007 am 13 Apr 2008 15:25 ]
[ Diese Nachricht wurde geändert von: pablo007 am 13 Apr 2008 15:28 ]
|
BID = 515422
pablo007 Gesprächig
  
Beiträge: 113
|
keiner ne idee?
|
BID = 515432
Kleinspannung Urgestein
     
Beiträge: 13375 Wohnort: Tal der Ahnungslosen
|
Doch,sogar mehrere
Aber erst willst ne Lichtschranke,dann wieder einen Dämmerungsschalter...(Dämmerungs schalter wird es so sowieso nicht)
Und der maximal zulässige Basisstrom steht im Datenblatt,Spannung haste auch,der Rest ist Rechenaufgabe nach Herrn Ohm...
_________________
Manche Männer bemühen sich lebenslang, das Wesen einer Frau zu verstehen. Andere befassen sich mit weniger schwierigen Dingen z.B. der Relativitätstheorie.
(Albert Einstein)
|
BID = 515433
perl Ehrenmitglied
       
Beiträge: 11110,1 Wohnort: Rheinbach
|
Vertausche Poti und LDR.
Es ist aber möglich, dass der BC548 schon kaputt ist, denn das kann in deiner Schaltung passieren wenn du das Poti auf minimalen Widerstand stellst.
_________________
Haftungsausschluß:
Bei obigem Beitrag handelt es sich um meine private Meinung.
Rechtsansprüche dürfen aus deren Anwendung nicht abgeleitet werden.
Besonders VDE0100; VDE0550/0551; VDE0700; VDE0711; VDE0860 beachten !
|
BID = 515694
pablo007 Gesprächig
  
Beiträge: 113
|
Hallo, hab jetzt mal einen neuen genommen und die schaltung nochmal neu gebaut. Funktioniert nun zum teil. Das Problem ist nun Folgendes:
Der LDR soll mit einem Laserpointer direkt belichtet werden. Wird der Laserstrahl unterbrochen -> sprich der LDR nicht mehr belichtet soll die "Alarmschaltung" strom bekommen. Leider funktionierts trotzdem nicht da die schaltung nicht genau genug ist! Kann mir einer einen tipp dazu geben? Im Prinzib soll es eine lichtschranke werden.
2 Problem: Der Alarm soll auch nach dem unterbrachen nachlaufen. Kann mir da einer helfen wie ich das bauen kann? Dachte da an einen elko mit einem Widerstand in Reihe der noch nachträglich die schaltung mit strom versorgt oder so??
|
BID = 515698
Kleinspannung Urgestein
     
Beiträge: 13375 Wohnort: Tal der Ahnungslosen
|
Zitat :
pablo007 hat am 15 Apr 2008 14:38 geschrieben :
|
Leider funktionierts trotzdem nicht da die schaltung nicht genau genug ist! Kann mir einer einen tipp dazu geben?
|
Logischerweise kann das nicht "genau" sein,dazu ist es zu primitiv.
Bau einen "Schmitt-Trigger",braucht zwei Widerstände und einen Transistor mehr...
_________________
Manche Männer bemühen sich lebenslang, das Wesen einer Frau zu verstehen. Andere befassen sich mit weniger schwierigen Dingen z.B. der Relativitätstheorie.
(Albert Einstein)
|
BID = 515700
perl Ehrenmitglied
       
Beiträge: 11110,1 Wohnort: Rheinbach
|
Zitat :
| | Funktioniert nun zum teil |
Da ist doch schonmal was.
Den Rest, bis zum Serienprodukt, nennt man Entwicklungsarbeit.
Mach mal Schaltungsvorschläge wie du die die weitere Entwicklung vorstellst, und vor allem, da du ja schreibst, dass es nicht genau genug funktioniert:
Wie genau muss es denn funktionieren ?
Vom Südpol bis zur Sahara ?
_________________
Haftungsausschluß:
Bei obigem Beitrag handelt es sich um meine private Meinung.
Rechtsansprüche dürfen aus deren Anwendung nicht abgeleitet werden.
Besonders VDE0100; VDE0550/0551; VDE0700; VDE0711; VDE0860 beachten !
|
BID = 515702
Otiffany Urgestein
     
Beiträge: 13779 Wohnort: 37081 Göttingen
|
Das Zauberwort heißt NE555!
So etwa sollte es funktionieren.
Das Relais wird besser über einen zusätzlichen Schalttransistor angesteuert.
Gruß
Peter
|
BID = 515750
Kleinspannung Urgestein
     
Beiträge: 13375 Wohnort: Tal der Ahnungslosen
|
Zitat :
Otiffany hat am 15 Apr 2008 15:07 geschrieben :
|
Das Zauberwort heißt NE555!
|
Nun überforder ihn mal nicht gleich
Er hat schon mit einem Transistor so seine Probleme,ich glaube nicht das er da einen "IC" besser versteht...
Drei Transistoren und etwas "Hühnerfutter" tun es meiner Meinung nach auch erst mal.
_________________
Manche Männer bemühen sich lebenslang, das Wesen einer Frau zu verstehen. Andere befassen sich mit weniger schwierigen Dingen z.B. der Relativitätstheorie.
(Albert Einstein)
|
BID = 515782
Otiffany Urgestein
     
Beiträge: 13779 Wohnort: 37081 Göttingen
|
Nun, wenn es nicht unbedingt Transistoren sein müssen (Vorgabe, von wem auch immer), dann ist ein Aufbau mit dem NE555 leichter und benötigt weniger Bauteile.
Gruß
Peter
|
BID = 515784
pablo007 Gesprächig
  
Beiträge: 113
|
Hallo, also es muss halt einfach sein. der Schmitt-Trigger hört sich gut an!
Mh, also da gibts nur ein problem!!: ich habe es nich erwähnt, aber ich brauch 4 lichtschranken-> wenn eine unterbrachen wird soll der alarm angehen und auch paar sekunden nachlaufen, auch wenn die lichtschrenke anschließend nicht mehr underbrochen wird. Also 4x LDR kann ich auch eine Schaltung bauen wo ich die 4 LDR'S anschließe und halt wenn einer unterbrochen wird der alarm angeht und nachläuft?
|
BID = 515810
Otiffany Urgestein
     
Beiträge: 13779 Wohnort: 37081 Göttingen
|
Versuch es mal mit der Schaltung.
Ob es mit mehreren LDR funktioniert, hängt von der Leitungslänge und evtl. HF-Störungen ab.
Gruß
Peter
|
BID = 516180
pablo007 Gesprächig
  
Beiträge: 113
|
ich darf keine ic`s verwenden...
|