| Autor |
Berührungsloser sensor in Isolierglas Suche nach: sensor (5530) |
|
|
|
|
BID = 664494
Glaser Gerade angekommen
Beiträge: 6 Wohnort: hille
|
|
Hallo
Ich wollte für ein Meisterstück (Bleiverglasung in Isolierglas)2 berührungslose Sensoren für eine Haustürklingel einbauen.
Nun habe ich auch schon mal unter Google verschiedene suchwörter eingegeben, habe dort aber nichts passendes gefunden..
Der Sensor darf nicht sehr groß auftragen und sollte eigentlich "unsichtbar" sein.
Das heisst der Sensor soll in der Bleiverglasung verbaut werden, mit ca.6-7 mm Abstand zur äußeren Scheibe der Isolierglaseinheit.
Die Klingel sollte so betätigt werden das der Besucher nur den Finger, auf den dafür vorgesehenden bereich, an der Scheibe hält.
Ich habe auch schon mal bei Conrad geschaut aber die Sensoren sind alle zu groß.
Vielleicht hat einer eine gute Idee wie so etwas am besten zu bewerkstellingen ist.
Vielen Dank im voraus, Peter |
|
BID = 664499
Bartholomew Inventar
     
Beiträge: 4676
|
|
Willkommen im Forum, Peter
Das Ding hier könnte funktionieren:
http://www.conrad.de/goto.php?artikel=153794
Ist im Prinzip ein offener Optkoppler. Die eine Kammer sendet ein IR-Signal aus, das von einem genügend nahen Gegenstand reflektiert und dann von der anderen Kammer detektiert wird.
An was soll das angeschlossen werden? 12V Klingeltrafo?
Gruß, Bartho |
|
BID = 664502
Kleinspannung Urgestein
     
Beiträge: 13393 Wohnort: Tal der Ahnungslosen
|
Andere Idee:
Bekommst du in dein Glas zwei kleine "Flächen" (so etwa 10x10mm)aus leitendem Material mit eingebacken?
Z.B. auch aus Blei?
Müssen nur gegeneinander getrennt sein,mit vielleicht 2-5 mm Abstand und elektrisch leitend.(Zwei dünne "Strippen" müssen natürlich auch irgendwie dran)
Schon hättest den besten Berührungssensor,den Rest mach ein klein wenig Elektronik,die man woanders verstecken kann.
_________________
Manche Männer bemühen sich lebenslang, das Wesen einer Frau zu verstehen. Andere befassen sich mit weniger schwierigen Dingen z.B. der Relativitätstheorie.
(Albert Einstein)
|
BID = 664515
Glaser Gerade angekommen
Beiträge: 6 Wohnort: hille
|
Hallo Bartholomew
Zitat :
| Das Ding hier könnte funktionieren:
http://www.conrad.de/goto.php?artikel=153794
Ist im Prinzip ein offener Optkoppler. Die eine Kammer sendet ein IR-Signal aus, das von einem genügend nahen Gegenstand reflektiert und dann von der anderen Kammer detektiert wird.
An was soll das angeschlossen werden? 12V Klingeltrafo? |
Das Ding ist ja wirklich klein....
Der Klingeltrafo hat meiner ansicht nach 12 Volt, das ist einer mit Wechselsprecheinrichtung, vielleicht kann ich dort auch noch andere Spannungen abgreifen.
Kann aber im Moment nicht schauen.
Hallo Kleinspannung
Zitat :
| Andere Idee:
Bekommst du in dein Glas zwei kleine "Flächen" (so etwa 10x10mm)aus leitendem Material mit eingebacken?
Z.B. auch aus Blei?
Müssen nur gegeneinander getrennt sein,mit vielleicht 2-5 mm Abstand und elektrisch leitend.(Zwei dünne "Strippen" müssen natürlich auch irgendwie dran)
Schon hättest den besten Berührungssensor,den Rest mach ein klein wenig Elektronik,die man woanders verstecken kann.
|
Also ich kann in der innenliegenden Bleiverglasung sicherlich so etwas "einbacken", allerdings sollte an der äußeren Scheibe keine Berührung von der Bleiverglasung stattfinden.
Ciao Peter
|
BID = 664522
Bartholomew Inventar
     
Beiträge: 4676
|
Berührung ist bei Kleinspannungs Vorschlag nicht notwendig, das läuft alles über das elektrische Feld.
Eine passende Spannungsversorgung für die Elektronik macht man sich am besten gleich vor Ort aus der vorhandenen Wechselspannung, sind bloß ein paar Bauteile.
Wird die Klingel außen oder innen eingebaut? Wie lange muss es halten? Danach richtet sich, wie aufwändig man die Platine nachbehandeln muss.
Gruß, Bartho
|
BID = 664573
Otiffany Urgestein
     
Beiträge: 13792 Wohnort: 37081 Göttingen
|
Auch ein NE555 eignet sich dafür. Ich weiß nur nicht, was bei Gewitter passiert.
Gruß
Peter
|
BID = 664741
matrixghost3 Gerade angekommen
Beiträge: 6 Wohnort: Detmold
|
Wer bei mir klingelt, braucht ein Handy, ansonsten ist jeder unerwünscht.
|
BID = 664746
matrixghost3 Gerade angekommen
Beiträge: 6 Wohnort: Detmold
|
P.S.
Das ist nicht böse gemeint, bei berührungslosen geschichten, kann es manchmal dann auch einfach mal so klingeln.
Wenn z.B. eine Motte davor fliegt etc.
|
BID = 665028
Feldschrat Neu hier

Beiträge: 31 Wohnort: Dortmund
|
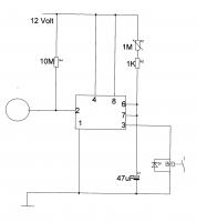
Moinsen.
Diese Schaltung kann ich guten Gewissens empfehlen, ich habe den Sensor wie er dort vorgeschlagen ist aufgebaut und im Dauereinsatz erprobt. Kein Fehlklingeln, nichtmal bei Gewitter oder großen Temperaturschwankungen.
http://www.atx-netzteil.de/kapazitiver_sensor.htm
Sie reicht sogar für zwei Näherungsklingeln. Es ist kein Aufwand großer Aufwand, mit den Ausgängen über einen Transistor ein Relais anzusteuern.
Meine Erfahrung damit: 10k Trimmer gegen 1k austauschen, dann ist der Abgleich einfacher. Außerdem läßt sich eine evtl. Nervosität des nachgeschalteten Relais mit einem Kondensator an der Basis des Treibertransistors verringern.
Als Aufnehmer eignet sich ein Stückchen Alufolie, von innen auf die Scheibe geklebt.
Grüße
Karl
|
BID = 665197
Onra Schreibmaschine
    
Beiträge: 2520
|
Meinst du mit Isolierglas das übliche Wärmeschutzglas?
Gibt es dann keine Probleme mit der meines Wissens leitfähigen Beschichtung?
Onra
|
BID = 665425
Nukeman Schriftsteller
    
Beiträge: 754 Wohnort: bei Kleve
|
Kann Karl Feldschrat nur bestätigen. Diese Schaltung habe ich auch schon ein paarmal
aufgebaut und sie funktioniert gut.
Gruß
Stefan
|
BID = 665439
sepp@kaernten Schriftsteller
    
Beiträge: 709 Wohnort: Austria
|
|
BID = 665627
Glaser Gerade angekommen
Beiträge: 6 Wohnort: hille
|
Hallo
Ja da freu ich mich aber, das es doch funktioniert.
Die Scheiben sind nicht beschichtet..
Das ganze sollte auf Anhieb klappen, das heißt:
Wenn die Iso gefertigt ist kommt keiner mehr dran.
Das mit den LEDs ist ja auch nicht schlecht, dann sieht der Besuch wenigstens das etwas passiert..
Der Sensor kann nur auf die Bleiverglasung, weil ich dort das Kabel in den Stegen einbauen kann.Aber er kann sehr nahe an die Außenscheibe gesetzt werden.
Das Kabel das in die Verglasung eingebaut wird, muss sehr dünn sein, die Länge von ca. 1 Meter überbrücken und zusätzlich im Falz über einen Stecker oder Klemme anschließbar sein.
Die Tür wird dann über Kontakte in der Türaußenfalz geschaltet.
Das heißt: Wenn Tür "zu"- Kontakt geschlossen, Tür "auf"- kein Kontakt.
Oder sollte der Kreis nicht unterbrochen werden?
Die elektonik werde ich dann innen, in Nähe der Türfalle befestigen.
An die Elektrik komme ich im zweifelsfall immer wieder dran.
In den Aufbau der Scheibe möchte ich so wenig wie möglich einbauen, zu mindestens kein Material was verschleißen kann.
Habe hier eine kleine Schnitt-Zeichnung eingefügt, so das man sich darunter etwas mehr vorstellen kann.
Ciao Peter
|
BID = 665641
Otiffany Urgestein
     
Beiträge: 13792 Wohnort: 37081 Göttingen
|
Sind die Stege aus Alu, in denen Du die Zuleitung vom Sensor verlegen willst?
Gruß
Peter
|
BID = 665658
perl Ehrenmitglied
       
Beiträge: 11110,1 Wohnort: Rheinbach
|
Zitat :
| | wollte für ein Meisterstück (Bleiverglasung in Isolierglas)2 berührungslose Sensoren .....sollte so betätigt werden das der Besucher nur den Finger, auf den dafür vorgesehenden bereich, an der Scheibe hält. |
Was denn nun ?
Berührungslos oder doch mit dem Finger berühren?
|