| Autor |
Batterie - Netz umschalten Suche nach: batterie (7900) |
|
|
|
|
BID = 501180
twdennis Gesprächig
  
Beiträge: 166 Wohnort: göttingen
|
|
Hallo
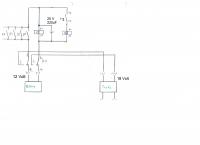
Folgendes soll geschehen wenn ich einen der Schalter schließe (S1- S4)
K2 und K3 sollen anziehen, von K2 die Kontakte sollen die Batterie von meinen Verbrauchern nehmen und den Trafo zuschalten!
[Edit] Tilel verbessert
[ Diese Nachricht wurde geändert von: Jornbyte am 18 Feb 2008 20:36 ] |
|
BID = 501184
hajos118 Schreibmaschine
    
Beiträge: 2453 Wohnort: Untermaiselstein
|
|
Wechsler-Kontakte gehören zu K3
sonst stimmt's.
und sobald Du den Taster wieder losläßt, schaltet es zurück auf Batt.
Wenn dies nicht gewollt ist, dann muss es etwas anders aussehen...
[ Diese Nachricht wurde geändert von: hajos118 am 18 Feb 2008 16:11 ] |
|
BID = 501186
twdennis Gesprächig
  
Beiträge: 166 Wohnort: göttingen
|
Wieso K3????
Kann das K2 nicht auch????
dafür dachte ich ja den Kondensator!!
Letztens ist mir der hoch gegangen obwohl ich die Polung beachtet hatte, der hat immer lauter gesummt und dann hat es geknallt, grins!!
|
BID = 501187
hajos118 Schreibmaschine
    
Beiträge: 2453 Wohnort: Untermaiselstein
|
Dafür sollte man eine Freilaufdiode an die Spulen schalten. Beim Abschalten des Stromes möchte nämlich die Energie der Spule wieder aus selbiger heraus - dreht kurzerhand die Spannung an den jetzt offenen Enden um und erhöht die Spannung ziemlich heftig. (Das war jetzt die unterhalsame Erklärung für neugierige Leser).
|
BID = 501189
twdennis Gesprächig
  
Beiträge: 166 Wohnort: göttingen
|
also muss ich nur auf der Plus Seite des Kondensators eine Sperdiode setzen Ja?????
|
BID = 501190
hajos118 Schreibmaschine
    
Beiträge: 2453 Wohnort: Untermaiselstein
|
Zitat :
twdennis hat am 18 Feb 2008 16:12 geschrieben :
|
Wieso K3????
|
hat ja sonst nix zu tun
|
BID = 501193
hajos118 Schreibmaschine
    
Beiträge: 2453 Wohnort: Untermaiselstein
|
|
BID = 501194
twdennis Gesprächig
  
Beiträge: 166 Wohnort: göttingen
|
Grins stimmt, das überlege ich mir mit k3, lol
aber wie muss ich nun die sperdiode setzen???
|
BID = 501197
hajos118 Schreibmaschine
    
Beiträge: 2453 Wohnort: Untermaiselstein
|
Die Schutzfunktion soll eher den geregelten Stromfluss aus der Spule bewirken - und die Spannung auf die Durchlassspannung der Diode begrenzen...
Eine Diode in Sperrichtung müsste eine sehr hohe Spannungsfestigkeit haben - jede Spule wirkt ja wie eine Zündspule im KFZ - Spannungsspitzen von kV sind da normal.
Die Schaltung selbst: siehe Wikipedia - Link!
[ Diese Nachricht wurde geändert von: hajos118 am 18 Feb 2008 16:31 ]
|
BID = 501205
Otiffany Urgestein
     
Beiträge: 13779 Wohnort: 37081 Göttingen
|
Willst Du die Relais mit 12/18 Volt betreiben?
Gruß
Peter
|
BID = 501211
twdennis Gesprächig
  
Beiträge: 166 Wohnort: göttingen
|
12 Volt sollen sie nur kurz von Batterie bekommen und dann mit 18 Volt vom Trafo versorgt werden!!!!
Wenn ich Wiki... richtig verstanden habe muss die sperdiode parallel zur spule Ja????
|
BID = 501239
twdennis Gesprächig
  
Beiträge: 166 Wohnort: göttingen
|
|
BID = 501244
Kon87 Gesprächig
  
Beiträge: 149 Wohnort: Deggendorf
|
Zitat :
| | Ist das so richtig????? |
Ich denke nein.
Die Kathode der Diode muss an A1 und die Anode an A2.
Du sagtest doch selbst parallel zur Spule. (jetzt ist sie in Reihe)
Edit meint noch: Der Elko ist doch überflüssig oder?
[ Diese Nachricht wurde geändert von: Kon87 am 18 Feb 2008 19:24 ]
|
BID = 501248
Otiffany Urgestein
     
Beiträge: 13779 Wohnort: 37081 Göttingen
|
Vergiß das mit der Diode, die ist in diesem Fall nicht nötig; abgesehen von der Tatsache, daß sie, wenn schon, antiparallel zur Relaisspule geschaltet wird (hast Du doch in Wicki gesehen?!).
Hier gibt es keine elektronischen Bauteile zu schützen. Der Kondensator schützt sich schon selbst.
Was soll denn eigentlich K3 schalten? Ich verstehe den Sinn der Schaltung nicht.
Gruß
Peter
P.S.
Sch**ß Rechtschreibprüfung!!!!!!!
[ Diese Nachricht wurde geändert von: Otiffany am 18 Feb 2008 19:32 ]
|
BID = 501256
twdennis Gesprächig
  
Beiträge: 166 Wohnort: göttingen
|
Also
Habe in meinem Zimmer einige Lichtspiele über LED laufen, wie Sternenhimmel und solche dinge!!
damit ich nun nicht ständig den Trafo am netz habe, schalte ich über die Schalter S1-S4 das Schütz K2/K3. K3 ist mein Netzschgütz, der den Trafo an die Wechselspannung anlegt!! Und K2 trennt dann blos Batterie und Trafo!
Den Kondensator brauche ich doch dazwischen wenn ich von Batterie auf Netz wechsele, weil sonst würde ja das schütz sofort wieder abfallen!!!!!!!
Kann mir mal jemand bitte einzeichnen wie ich die Bauteile einbringen muss???
MFG DENNIS
|