Addier Verstärker

Im Unterforum Projekte im Selbstbau - Beschreibung: Selbstbau von Elektronik und Elektro

Elektronik Forum Nicht eingeloggt       Einloggen       Registrieren




[Registrieren]      --     [FAQ]      --     [ Einen Link auf Ihrer Homepage zum Forum]      --     [ Themen kostenlos per RSS in ihre Homepage einbauen]      --     [Einloggen]

Suchen


Serverzeit: 24 12 2025  18:11:58      TV   VCR Aufnahme   TFT   CRT-Monitor   Netzteile   LED-FAQ   Oszilloskop-Schirmbilder            


Elektronik- und Elektroforum Forum Index   >>   Projekte im Selbstbau        Projekte im Selbstbau : Selbstbau von Elektronik und Elektro


Autor
Addier Verstärker
Suche nach: verstärker (9044)

    







BID = 62730

Pulityp

Gelegenheitsposter



Beiträge: 50
 

  


Hallo

Ich möchte 2 Spannungen Addieren.
5V und 0-1V
(daraus wird dann 5-6V)
Das ganze muss seh genau sein.

Das ganze hat nur einen Haken die 0-1V
dürfen kaum belastet werden !

Habe nur 12V Versorgungsspannung
Hätte ich auch ne Negative Spannung wäre es ja kein Problem
die 0-1V mit nem OPV zu "verstärken" (impedanzverstärker)

Habe ber nur die 12V Versorgungsspannung.
Gibt es denn vielleicht OPVs die Ausgang und Eingang
Rail to Rail können ?
Oder gibt es fertige Addier Verstärker ?

Danke!

MFG

BID = 62737

2SJ200

Schreibmaschine

Beiträge: 1942
Wohnort: Österreich

 

  

erstmal wärs intressant zu wissen wie stark diese 0-1V belastet werden dürfen, dann was sehr genau sein muss (die 5V auch oder nur die veränderliche genau 1x verstärkt) ?

BID = 62740

2SJ200

Schreibmaschine

Beiträge: 1942
Wohnort: Österreich

hätte mir da jetz noch was überlegt:

besteht eigentlich aus einem einzigen OPV und einer positiven hilfspannung und wird aus unsymmetrischen 12V versorgt...

is eine 0815 mischstufe mit 2x verstärkendem OPV dahinter

ob des genau genug is und realsierbar is bei dir musst du selbst rausfinden, schaltung hab ich jednefalls angehängt und es spielzeug ewb zumindest meint des funktioniert recht gut würd ich sagen (die 1V quelle und des pot ganz links ersetzt die 0-1V die du am eingang hast)



BID = 62744

Pulityp

Gelegenheitsposter



Beiträge: 50

Hallo

Das ist ja ein ganz normaler Addier verstärker.
Jedoch sollte man eher einen tlc271 nehmen da der
höhhe Eingangswederstän hat (Tera Ohm)
Das Problem ist das bei der Schaltung die 0-1V Quelle
belastet wird. selbst wenn man die Wiederständer von 100k auf 1000k erhöht ist die Belastung der 0-1V Quelle noch zu hoch.
die 0-1V Quelle darf maximal mit 0,002 mA belastet werden

MFG

BID = 62745

2SJ200

Schreibmaschine

Beiträge: 1942
Wohnort: Österreich

dann würd ich mir eine negative hilfspannung erzeugen und wie du selbst gesagt hast am eingang an impedanzwandler machen

sag mal, deine 0-1V kommen von wo? was kann maximal 2µA liefern? mit 2µA reichen ja nicht mal sicher für CMOS logik

BID = 62748

SIGINT

Stammposter



Beiträge: 381
Wohnort: Mönchengladbach

Für mich als Laien klingt das so,als möchte Pulityp ein Video Signal über eine große Entfernung übertragen. Reicht das aus ein Videosignal um 5V anzuheben, oder ist der Rauschabstand nur von der Pegeldifferenz abhängig? Ihr Fernsehprofis müsstet das doch wissen :)

Gruß,
SIGINT

BID = 62751

2SJ200

Schreibmaschine

Beiträge: 1942
Wohnort: Österreich

wie kommst du jetz auf des? was sollt es bringen wenn man da ein offset rauf bringt und vor allem is ein videosignal normalerweiß bei 75Ohm abgeschlossen, wieso soll dann ein widerstand von 200kOhm oder gar 2MOhm wie er schreibt ein problem darstellen ?

BID = 62769

Pulityp

Gelegenheitsposter



Beiträge: 50

Hallo

Danke für die vielen Antworten.

Also die 0-1V ist ein Messsingnal das ich zum
weiterverarbeiten auf +5V anheben muss.
Das Problem ist das das Messignal
Eigentlich 0-20V ist aber mit nem Spannungsteiler auf
1V runtergeteilt wird. (1,9k / 100Ohm)
Der Messwert muss aber sehr genau bleiben.
Bei 190/10 Ohm wäre die genauigkeit zwar ok aber das
ist wieder zu viel Belastung für die 0-20V

Als Versorgungsspannung stehen nur 12V zu verfügung !

MFG

BID = 62777

2SJ200

Schreibmaschine

Beiträge: 1942
Wohnort: Österreich

ähm...
bei 2x 100kOhm is die abweichung ¼% oder ? is des so kritisch ?

also eigentlich willst du ein relativ kräftiges messignal des man ruhig etwas belasten darf von 0-20V auf 5-6V umsetzen, stimmt des so ?

BID = 62781

Itaker

Schriftsteller

Beiträge: 568
Wohnort: Itaka


Zitat :
Als Versorgungsspannung stehen nur 12V zu verfügung !

Und was spricht eigentlich gegen einer negativen Hilfsspannung?
Z.B. erzeugt mit dem ICL7662(nur ein kleiner DIP8) und 2×10µF

BID = 62785

Pulityp

Gelegenheitsposter



Beiträge: 50

Hallo

Also Die abweichung muss auch unter 1% sein
Wenn nur 10% des Messignals anliegen !
Die 5V ändern sich auch ! (sonst könnte man den Fehler fast kompensieren.
Negative Hilfsspannung kann ich nicht realisieren !

MFG

BID = 62789

perl

Ehrenmitglied



Beiträge: 11110,1
Wohnort: Rheinbach


Zitat :
die 0-1V Quelle darf maximal mit 0,002 mA belastet werden

2µA ist doch ein riesiger Strom, den selbst der urälteste 709 nicht erreicht hat.

Wenn es um Genauigkeit geht, solltest du vielleicht eher nach der Input-Offset-Spannung und deren Drift schauen .
Bipolare Eingangsstufen sind in dieser Hinsicht durchweg besser, auch wenn sie nicht die extrem niedrigen Ströme der FET-Verstärker erreichen.

Ich vermisse immer noch Angaben zum benötigten Ausgangsspannungshub, zur Bandbreite sowie zum Temperaturbereich.
Kannst du evtl. Trimmer zum Abgleich einsetzen ?


_________________
Haftungsausschluß:



Bei obigem Beitrag handelt es sich um meine private Meinung.



Rechtsansprüche dürfen aus deren Anwendung nicht abgeleitet werden.



Besonders VDE0100; VDE0550/0551; VDE0700; VDE0711; VDE0860 beachten !

BID = 64294

Pulityp

Gelegenheitsposter



Beiträge: 50

Hallo

So habe jetzt mal zum Versuch eine Schaltung
aufgebaut.
Aber irgendwie ist das Ergebnis nicht zufriedenstellend.
Als Widerstände habe ich alles 0,1% Typen.
und der OP07 hat im aller schlechtesten Fall 0,25mV
trotzdem hat der Ausgang Abweichungen von ca 2,5mV
wo dran kann das liegen ???
Der eingangsstrom vom OP07 ist im schlechtesten Fall 8nA
das würde eine Abweichung von weit weniger als 0,1% zufolge
haben.
Der OP07 ist von Reichelt.
Vielleicht ist es ja ein lm358 mit anderem Aufdruck ...
Eine andere Erklärung habe ich im Moment nicht.
Danke für eure Antworten.

MFG

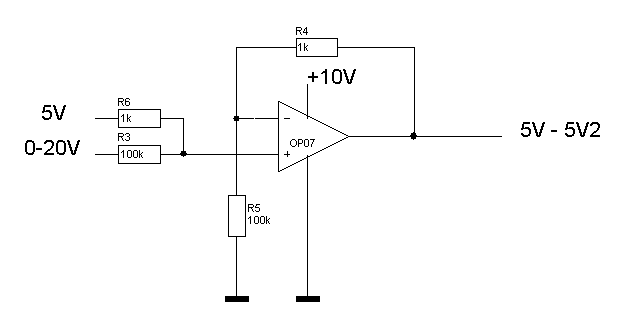
BID = 64325

Pulityp

Gelegenheitsposter



Beiträge: 50

Hallo

So hier noch die Schaltung die ich aufgebaut habe.
Danke

MFG



BID = 64612

perl

Ehrenmitglied



Beiträge: 11110,1
Wohnort: Rheinbach


Zitat :
trotzdem hat der Ausgang Abweichungen von ca 2,5mV

Wie hast du das denn gemessen ?
Am besten auch mal die Originalmesswerte posten.

_________________
Haftungsausschluß:



Bei obigem Beitrag handelt es sich um meine private Meinung.



Rechtsansprüche dürfen aus deren Anwendung nicht abgeleitet werden.



Besonders VDE0100; VDE0550/0551; VDE0700; VDE0711; VDE0860 beachten !


Zurück zur Seite 0 im Unterforum          Vorheriges Thema Nächstes Thema 


Zum Ersatzteileshop


Bezeichnungen von Produkten, Abbildungen und Logos , die in diesem Forum oder im Shop verwendet werden, sind Eigentum des entsprechenden Herstellers oder Besitzers. Diese dienen lediglich zur Identifikation!
Impressum       Datenschutz       Copyright © Baldur Brock Fernsehtechnik und Versand Ersatzteile in Heilbronn Deutschland       

gerechnet auf die letzten 30 Tage haben wir 18 Beiträge im Durchschnitt pro Tag       heute wurden bisher 3 Beiträge verfasst
© x sparkkelsputz        Besucher : 187916693   Heute : 10993    Gestern : 19923    Online : 462        24.12.2025    18:11
13 Besucher in den letzten 60 Sekunden        alle 4.62 Sekunden ein neuer Besucher ---- logout ----viewtopic ---- logout ----
xcvb ycvb
0.0345039367676