Wie Winker in die Schaltung integrieren? Im Unterforum Oldtimer wie Adler-Trumpf-junior - Beschreibung: Alles über Oldtimer
| Autor |
Wie Winker in die Schaltung integrieren? Suche nach: schaltung (31736) |
|
|
|
|
BID = 1060403
Corradodriver Schreibmaschine
    
Beiträge: 1131
|
|
Und schon gibt es die nächste Frage zu meinem 1930er Ford.
Der Wagen war mit einem Trecker-Blinkerschalter ausgerüstet, der die vorhandenen Blinker UND Winker angesteuert hat. Blinker mit Impulsstrom, Winker mit Dauerstrom.
Nun ist der Schalter aber extrem unansehnlich und schwer zu erreichen, weil er mehr auf der Beifahrerseite montiert ist. An anderen Stellen auf der Fahrerseite wäre er aber noch schlechter erreichbar, oder würde die Instrumente verdecken.
Aus diesem Grund habe ich mir einen der ersten Blinkerschalter für Lenkstockmontage restauriert und eingebaut. Das Teil ist ab 1930 von "Arrow Safety Device Co" so gebaut worden. Dieser wertet Das Fahrzeug optisch extrem auf und ist auch ein Sicherheitsgewinn, da der Blinkerhebel jetzt wie gewohnt am Lenkrad sitzt.
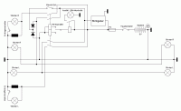
Mein Problem ist jetzt, das DIESER Blinkerschalter einpolig ist. Damit lassen sich Impuls- und Dauerstrom nicht so einfach gleichzeitig schalten. Ich hab mal nen Stromlaufplan der aktuell verbauten Blinkerschaltung angehangen.
Meine Frage ist jetzt, wie ich die Winker anschließen kann (Fragezeichen im Schaltplan), damit sie bei aktivierten der Blinker DAUERHAFT offen bleiben und leuchten? Ich will KEINE Pendelwinker oder blinkende Winker!
ERGO: Wo bekomme ich ein durch den Blinkimpuls aktivierten Dauerstrom her?
PS: Fahrzeug hat 6V mit Pos. Masse!!
MFG Andy
_________________
MFG Andy |
|
BID = 1060406
Hotliner gesperrt
|
|
Hallo!
Von OMRON gibt es Bistabile 6V Relais mit 2 Pot.Freien Umschaltekontakte, das wär doch vielleicht was das weiterhilft? |
|
BID = 1060409
Goetz Schreibmaschine
     Beiträge: 1963 Wohnort: Dresden
|
Mit dem Blinkerschalter würde ich den "-" für die Winker und jeweils ein Relais schalten, das Relais schaltet dann den Blinkgeber an die Glühlampen.
Wenn du Relais mit zwei Kontakten nimmst, kannst Du die Winker über den zweiten Relaiskontakt schalten und damit den wertvollen Blinkerschalter entlasten.
|
BID = 1060427
Corradodriver Schreibmaschine
    
Beiträge: 1131
|
Ach Verda**t... Wenn man die hälfte vergisst einzuzeichnen und zu erwähnen, dann fällt einen das erst wieder beim 3ten Anlauf ein.
Zwei Sachen...
Ich meine mal irgendwo in nem Elektronikforum gelesen zu haben, das bei "alten" Schaltern eine Art Mindestlast hängen muss, weil sonst die Kontakte nicht ordentlich schalten?!?!
Zum anderen habe ich vergessen zu erwähnen, das in dem Schalter eine Leuchtmittel-Ausfallüberwachung integriert ist. Diese besteht aus einer Art Relais, in Reihe geschaltet mit dem Schalter, dessen Ankervorspannung einstellbar und an die nachgeschaltete Lampenlast anpassbar ist. Hier mal ein Bild als Link davon. Finde grad kein eigenes...
https://thumbs.worthpoint.com/zoom/.....c.jpg
Diese Ausfallerkennung würde ich gern weiter nutzen. Dazu braucht das Relais in dem Schalter eine ordentliche Last. Mit zwei kleinen Relaisspulen würde das nicht mehr funktionieren.
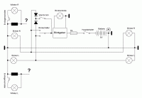
Ich hab deinen Vorschlag trotzdem mal Bildlich dargestellt, wenn ich das so jetzt richtig verstanden habe.
Dann habe ich mal weiter gegrübelt, und überlegt, dieses Problem zu umgehen. Da ist mir dann nur eingefallen, mit dem Blinkerschalter weiterhin "Dauerstrom" zu schalten, und die BEIDEN Blinkgeber nach den Schalter einzubauen.
Gefällt mir auch nicht so recht, weil die Kontrollleuchte dann im Betrieb dauerhaft leuchtet, weil ja Dauerstrom geschaltet wird. Weiterhin wird der Schalter ZUSÄTZLICH der normalen Lampenlast noch mit dem Strom der Winker belastet, und es ist nicht Sicher, wie der Blinkgeber reagiert, wenn man die Klemme 49 schaltet, das Klemme 49A.
Hab mal kurz durchgerechnet... die Winker ziehen pro Seite 4,5A. würde man diese mit dem Blinkern zusammen über den Blinkerschalter laufen lassen, würden sich folgende Belastungen für diesen ergeben...
2x 21W + Winker = 11,5A
2x 15W + Winker = 9,5A
2x 10W + Winker = 8,0A
Ohne über den Schalter laufenden Winker wären das... 7A, 5A und 3,3A.
Bei LED-Leuchtmittel hab ich dann wieder das Problem, das die Mindestlast nicht für die Kontrolle reicht. Weiterhin ist fraglich, ob diese einen Brückengleichrichter im Leuchtmittel haben, damit sie bei pos. Masse überhaupt leuchten.
Man man man, das das solche Ausmaße annimmt, dachte ich nicht.
_________________
MFG Andy
|
BID = 1060434
Hotliner gesperrt
|
Hallo!
1. Funktionieren die 2 Winker insgesamt noch Zufriedenstellend?
2. Lt. STVO sind Winker alleine, sowieso schon längst verboten.
3. Und wennst nie abbiegst fällt es gar nicht auf, dass welche vorhanden sind.
Ein Freund von mir hat einen alten Käfer, mit dem identen Problem, aber beim Winker je 1 kleiner Aufkleber: Derzeit ausser Betrieb!
p.s.: Die Deutschen bauen u.a. die besten Autos, aber die wenigsten Driver sind tw. fähig, den Blinker wirklich rechtzeitig als Richtungsanzeige zu benutzen.
Bin unlängst hinter einem nagelneuen A6 mit REI-XY? nachgefahren, das Rück- u. Bremslicht über die ganze Wagenbreite, x-mal abgebogen, aber nicht ein einziges mal einen Lauf-Blinker sehen können, ausser dieser war "elektronisch" bereits defekt?
|
BID = 1060437
silencer300 Moderator
      
Beiträge: 10085 Wohnort: 94315 Straubing / BY
|
Was ich dazu ständig beobachte, sind die Deutschen tatsächlich "Blinkermuffel".
Entweder wird er gar nicht gesetzt (könnte ja für Verwirrung sorgen), oder grundlegend falsch (immer wieder amüsant, Kreisverkehr: Einfahren=Blinker rechts, im Kreisel=Blinker links, Ausfahren=ohne Blinker).
VG
_________________
Ich bin nicht faul, ich arbeite im eco-Modus.
[ Diese Nachricht wurde geändert von: silencer300 am 5 Jan 2020 17:01 ]
|
BID = 1060438
Corradodriver Schreibmaschine
    
Beiträge: 1131
|
Hi Hotliner, hab ganz vergessen, zu deinem Beitrag was zu schreiben.
Mit der Lösung des Bist.Relais hab ich mich auch einige Stunden beschäftigt, bin aber nicht so recht zu einer Lösung gekommen, bzw. erklärt sich mir nicht, wie du das meinst.
Bist.Relais gibt es mit einer oder zwei Spulen. Bei der Zweispulenvariante komm ich nicht auf die Idee, wie die Rückstellung erfolgen soll. Bei der Einspulenvariante hätte ich dann das Problem, das die nachgeschalteten winker dann nicht im Blinkertakt pendeln würden, sondern mit halber Frequenz. Das bringt mich aber auch nicht so recht weiter. Falls du noch ne andere Anschlussart im Kopf hattest, wäre es super, wenn du die näher beschreiben könntest.
Die Winker an sich sind in hervorragendem Zustand und funktionieren einwandfrei. Das einzige Problem, das sie haben, ist das sie sich derzeit nicht zerlegen lassen, ohne Macken im Lack zu hinterlassen. Wäre das mögl., könnte man die Lampe getrennt von der Magnetspule betreiben und die Winkerlampe mitblinken lassen. Somit könnte ich nur Pendelwinken, und dafür sind sie zu träge. die würden nie ihre Endlage erreichen und leuchten. Das ist auch der Grund, warum ich sie mit Dauerstrom betreiben will.
Verboten sind sie in D nicht. Bei Fahrzeugen unter 4m Länge und 1,6m Breite sind sie als alleiniger Fahrtrichtungsanzeiger zulässig, wenn sie Blinken können oder pendeln.
Da mein Modell A zwar unter 4m lang, aber über 1,6m Breit ist, MUSS ich zusätzlich eine Warn-/Blinkanlage nachrüsten. In Zusammenhang MIT dieser dürfen die Winker auch wie damals dauerleuchten.
Hier nochmal zur Nachlese...
https://mobilityblog.tuv.com/nachruestungspflicht-bei-oldtimern/
Viell. ist das auch für deinen Käferfreund interessant!
Ich hab dazu noch das Glück, das der Ford vor BJ: 1957 ist. Somit entfällt bei mir jegliche Art von Bauartgenehmigung. Einzige Auflage, die ICH habe, ist, das die Teile max. 10 Jahre jünger als das Fahrzeug sein dürfen, um den Oldtimerstatus nicht zu gefährden. Auch ein Grund, warum bald diese extrem interessanten Pfeilblinker am Ford landen werden.
http://www.2040-parts.com/_content/items/images/26/576726/001.jpg
Was die Grundsätzliche Nutzung der Fahrtrichtungsanzeiger angeht, geb ich dir da ebenfalls Recht. Auch hier in meinem Umkreis werden diese max. zur Vollzugsbestätigung genutzt. Wenn man aber solche außergewöhnlichen Blinker / Winker hat, machts ja Spaß, aufzufallen. Schon deshalb werden die wohl besonders oft benutzt werden.
MFG Andy
_________________
MFG Andy
[ Diese Nachricht wurde geändert von: Corradodriver am 5 Jan 2020 17:14 ]
|
BID = 1060441
silencer300 Moderator
      
Beiträge: 10085 Wohnort: 94315 Straubing / BY
|
Wenn Du die Pfeil-Blinker dran haben solltest, ist aber ein Originalfoto fällig.
Die Teile gefallen mir gut und passen auch super zu dem Auto.
VG
_________________
Ich bin nicht faul, ich arbeite im eco-Modus.
|
BID = 1060443
IceWeasel Moderator
       Beiträge: 2489
|
Man könnte damit experimentieren, die Blinkerspannung abzugreifen und zu glätten und damit eine Schaltung zu speisen, die ein Relais unterbrechungsfrei bis "Blinker aus" ansteuert.
_________________
Wenn's kracht und zischt, war das nüscht!
Ich bin kein Berufsgutmensch - ich bin nur zivilisiert und weiß, mich zu benehmen.
|
BID = 1060445
Corradodriver Schreibmaschine
    
Beiträge: 1131
|
Das Foto kann ich nachreichen, wenns soweit ist. Derzeit sind die ebenfalls ~90 Jahre alten Lampen in der Restaurierung. Bis zu 4cm große Rostlöcher mussten verschlossen werden. Hier mal ein Bild nach dem Sandstrahlen.
Das ist jetzt passiert. Die komplett verfaulten Alu-Reflektoren wurden aus Weißblech nachgebildet. Ein Testlauf gab es auch schon...
https://www.youtube.com/watch?v=SIMniZKSCvk&feature=youtu.be
Die Farbscheiben müssen nochmal geklebt und geschliffen/poliert werden, und Lack muss noch drauf. Dann können sie ans Auto.
Zitat :
| | Man könnte damit experimentieren, die Blinkerspannung abzugreifen und zu glätten und damit eine Schaltung zu speisen, die ein Relais unterbrechungsfrei bis "Blinker aus" ansteuert. |
Damit hab ich in der Modellbahn schon arg Probleme gehabt, bzw. hab sie noch. Weder mit Goldcaps noch mit Elkos hab ich es geschafft 100mA für 20 parallel geschalteten LEDs bereit zu stellen, um diese bei "Stromausfall" aus der "Konserve" flackerfrei zu betreiben. Sofort nach wegbleiben der Versorgungsspannung brauch unter der Last die Spannung am Energiespeicher deutlich ein. Jetzt, wo ich nur ~6V Versorgungsspannung zur Verfügung stehen habe, wird das nicht einfach. Ein weiteres Problem vermute ich zu haben, das im Auto irgendwoher Spannungsspitzen induziert werden, die mir schon einen elektronischen Blinkgeber gegrillt haben. Es wären also aufwendige Filter nötig...
_________________
MFG Andy
|
BID = 1060451
der mit den kurzen Armen Urgestein
     
Beiträge: 17437
|
Wenn du mit deinem Schalter nur die Winker mit Dauerstrom versorgst und parallel zu jedem Winker ein Relais setzt hast du schon mal die erste Hürde gemeistert und auch die Überwachung für die Winker. Die Relais steuern dann deine(n) Blinkgeber an und der (Die) überwacht auch die Blinkleuchten!
_________________
Tippfehler sind vom Umtausch ausgeschlossen.
Arbeiten an Verteilern gehören in fachkundige Hände!
Sei Dir immer bewusst, dass von Deiner Arbeit das Leben und die Gesundheit anderer abhängen!
|
BID = 1060452
der mit den kurzen Armen Urgestein
     
Beiträge: 17437
|
Im Übrigen es soll auch Abfallverzögerte Relais geben. Und damit können Deine Lampen Blinken und der Winker bekommt über das Relais seine Dauerspannung ! So und da die alten mechanischen Blinkgeber Hitzdrahtgeber waren Ändert sich bei Ausfall einer Blinkleuchte auch die Blinkfrequenz!
https://www.youtube.com/watch?v=UzW46V3RZqc
_________________
Tippfehler sind vom Umtausch ausgeschlossen.
Arbeiten an Verteilern gehören in fachkundige Hände!
Sei Dir immer bewusst, dass von Deiner Arbeit das Leben und die Gesundheit anderer abhängen!
[ Diese Nachricht wurde geändert von: der mit den kurzen Armen am 5 Jan 2020 19:31 ]
|
BID = 1060453
Corradodriver Schreibmaschine
    
Beiträge: 1131
|
Zitat :
| | Wenn du mit deinem Schalter nur die Winker mit Dauerstrom versorgst und parallel zu jedem Winker ein Relais setzt hast du schon mal die erste Hürde gemeistert und auch die Überwachung für die Winker. Die Relais steuern dann deine(n) Blinkgeber an und der (Die) überwacht auch die Blinkleuchten! |
Das ist mal ne Idee, das werd ich mal weiter verfolgen/durchdenken.
Zitat :
| | Im Übrigen es soll auch Abfallverzögerte Relais geben. |
Für 6V?
Zitat :
| | So und da die alten mechanischen Blinkgeber Hitzdrahtgeber waren, ändert sich bei Ausfall einer Blinkleuchte auch die Blinkfrequenz! |
Und genau da liegt das Problem. Man findet durchaus noch mech. Blinkgeber für 6V. Aber ich hab bisher nix gefunden für pos. Masse. Da konnte ich nur elektronische finden.
_________________
MFG Andy
|
BID = 1060455
Corradodriver Schreibmaschine
    
Beiträge: 1131
|
Ich muss zugeben, diese Variante ist derzeit mein Favorit!
Ich hab zwar ne zweite Blinkkontrollleuchte, aber das ist der Kompromis, den man eingehen muss.
Vorteil ist, ich hab ne Überwachung der Winker. (Auch wenn sich diese direkt im Blickfeld befinden.)
Der Blinklampenstrom läuft nicht über den Blinkerschalter und belastet diesen nicht extrem.
Sieht gut aus!!!
_________________
MFG Andy
|
BID = 1060456
Hotliner gesperrt
|
Hallo TE!
Versuche zuerst mal das Fahrzeug "Fahrtüchtig" zu restaurieren, wenn das gelungen ist, erst dann soll man sich die div. "Spielereien" vornehmen.
Abfallverzögerung ist nicht unbedingt zu empfehlen, man weiss ja nie wie lange der Blinker dann wirklich benötigt wird.
Normal benötigt man einen Lenkrad-Taster für beide Richtungen, 1. mal tippen je nach Richtung zum Aktivieren 2. mal tippen wieder aus, bzw. das Ein- bzw. -Ausschalten erledigen die richtigen Bi-Stabilen 6V-Relais.
Einfach geschrieben, für Jemanden der das mal so im RL gelernt hat!
|
|
Zum Ersatzteileshop
Bezeichnungen von Produkten, Abbildungen und Logos , die in diesem Forum oder im Shop verwendet werden, sind Eigentum des entsprechenden Herstellers oder Besitzers. Diese dienen lediglich zur Identifikation!
Impressum
Datenschutz
Copyright © Baldur Brock Fernsehtechnik und Versand Ersatzteile in Heilbronn Deutschland
gerechnet auf die letzten 30 Tage haben wir 16 Beiträge im Durchschnitt pro Tag heute wurden bisher 4 Beiträge verfasst © x sparkkelsputz Besucher : 186819992 Heute : 17591 Gestern : 47700 Online : 584 26.11.2025 11:53 76 Besucher in den letzten 60 Sekunden alle 0.79 Sekunden ein neuer Besucher ---- logout ----viewtopic ---- logout ----
|
xcvb
ycvb
0.183917045593
|