| Autor |
Störungen durch RC-Empfänger Suche nach: empfänger (4546) |
|
|
|
|
BID = 962942
MechMac666 Gesprächig
  
Beiträge: 197 Wohnort: Salzkotten
|
|
Hallo,
ich glaube ich habe ein Déjà-vu. Vor längerer Zeit hatte ich mit einem Rc-Empfänger (Futaba R617FS [7 Kanal]) Probleme an einer Eigenbau-µc-Schaltung durch Störungen. Das Projekt ist gestorben, da ich dachte ich hätte da nen Fehler drin. Habe nie etwas gefunden.
Nun habe ich einen Arduino Mega 2560 wo ich den R617FS angeschlossen habe.
Wieder Störungen, welche den Controller abstürzen lassen. Ich habe noch ein I2c Display 16x2 dran, da werden dann halbdunkle Balken angezeigt.
Ich habe GND und Signal direkt am Arduino angeschlossen.
Ohne den Empfänger alles ok. Wenn ich übrigens einen Futaba R6203SB (3 Kanal Empfänger) anschließe besteht das Problem nicht. Es wird also wohl an dem R617FS liegen.
Dennoch: Analoge und auch digitale Servos funktionieren einwandffrei an dem R617FS.
Ich werde nochmal ein Scope dran anschließen, aber ich glaube das habe ich damals schon ohne Erfolg gemacht.
Hat jemand sowas schon mal gehabt? Gibt es irgendwelche Bauteile, die sowas (was auch immer es ist) filtern können?
Gruß, Andreas |
|
BID = 962951
der mit den kurzen Armen Urgestein
     
Beiträge: 17437
|
|
Betreibe doch mal den R617FS aus einer völlig getrennten Spannungsquelle.(Bakterie) Damit wirfst du schon mal Störungen auf der Versorgungsspannung raus. Ausgangssignale über Optokoppler einkoppeln. Wen der µC dann immer noch spinnt liegt es an dem R617FS und du solltest dich mal an den Hersteller wenden!
_________________
Tippfehler sind vom Umtausch ausgeschlossen.
Arbeiten an Verteilern gehören in fachkundige Hände!
Sei Dir immer bewusst, dass von Deiner Arbeit das Leben und die Gesundheit anderer abhängen! |
|
BID = 962954
MechMac666 Gesprächig
  
Beiträge: 197 Wohnort: Salzkotten
|
Ich verwende für den Empfänger als Spannungsquelle 4xAA. Das Arduino-Board wird vom USB des PC gespeist.
Das mit den Optokopplern muss ich mal probieren.
Vielleicht noch meine letzten Beobachtungen.
Ich hatte beide Empfänger am Scope dran. Ich sehe keine Unterschiede.
Beide Signale zwischen -80mV und 3,04V.
Vielleicht suche ich aber auch falsch?
Möglicherweise ist es eine Spannungsspitze, die mein Scope nicht erkennt, oder die so kurz ist, das sie auf dem Display nicht sichtbar ist.
Aber dann wiederum, müsste bei Vmax doch ein hoher Wert drin stehen und nicht nur die 3,04V?
Aber folgendes ist noch interessant:
1) Wenn ich den Empfänger an habe und ich den Arduino starte, stürzt dieser ab.
2) Wenn ich den Empfänger aus habe und ich den Arduino starte, stürzt dieser nicht ab. Danach kann ich den Empfänger ein schalten und der Arduino läuft.
Wenn ich jetzt resette, stürzt der Arduino danach wieder ab.
3) Während der Empfänger an ist, ist keine Programmübertragung vom Pc an den Arduino möglich.
Da kann ich mir keinen Reim draus machen. Alles höchst seltsam. Vor allem Punkt 2.
Ps.: Das einzige was mir einfällt: Vielleicht mag ein µc kein PWM Signal während er "bootet".
Allerdings: Dann wäre er wählerisch, denn bei dem anderen Empfänger macht er diese Zicken ja nicht.
[ Diese Nachricht wurde geändert von: MechMac666 am 8 Jun 2015 21:59 ]
|
BID = 962972
perl Ehrenmitglied
       
Beiträge: 11110,1 Wohnort: Rheinbach
|
Zitat :
| | Vielleicht suche ich aber auch falsch? |
Bestimmt.
Zeig mal den Schaltplan (IST-Zustand!) und ein Bild des Drahtverhaus.
"Stürzt ab", deutet aber auch auf eine schlechte Programmierpraxis.
Normalerweise benutzt man den Watchdog-Reset um ein Programm einzufangen, das nicht mehr das tut, was es soll.
|
BID = 963142
MechMac666 Gesprächig
  
Beiträge: 197 Wohnort: Salzkotten
|
Also so ganz will es mit dem Optokoppler nicht klappen.
Ist das überhaupt richtig, was ich da gemacht habe?
Der Controller bekommt nun kein Signal mehr.
|
BID = 963146
der mit den kurzen Armen Urgestein
     
Beiträge: 17437
|
Bei 4k7 wundert mich das nicht  Du solltest mal überlegen wie hoch der Strom durch die LED im OK da bei 3 V Eingangsspannung und einer Uf von rund 1V über der LED ist. Versuchs mal mit 100 bis 470 R
_________________
Tippfehler sind vom Umtausch ausgeschlossen.
Arbeiten an Verteilern gehören in fachkundige Hände!
Sei Dir immer bewusst, dass von Deiner Arbeit das Leben und die Gesundheit anderer abhängen!
|
BID = 963147
MechMac666 Gesprächig
  
Beiträge: 197 Wohnort: Salzkotten
|
Ich hatte es gestern mal ausgerechnet und lag irgendwo bei 1k. Habe nur 470 Ohm und 4,7k. Da wollte ich auf Nummer sicher gehen.
Ok 470 Ohm ist drin, tut sich aber nix.
Allerdings habe ich noch ein anderes Anschlußschema gefunden.
Seite Transistor:
VCC -> 10k -> µc und Optokoppler
Aber auch da tut sich nix.
Ich muss morgen nochmal mein Scope auspacken und mal prüfen ob und was da rauskommt.
|
BID = 963149
simi7 Gesprächig
  
Beiträge: 125 Wohnort: 03149 Forst
|
Zitat :
| Allerdings habe ich noch ein anderes Anschlußschema gefunden.
Seite Transistor:
VCC -> 10k -> µc und Optokoppler |
Und wie soll der Strom da fließen?
Vcc -> Widerstand -> Kollektor + µC
Emitter -> GND
Dann kommt das Signal invertiert zum Prozessor.
Wenn das nicht sein soll, dann so:
Vcc -> Kollektor
Emitter + µC -> Widerstand -> GND
|
BID = 963205
MechMac666 Gesprächig
  
Beiträge: 197 Wohnort: Salzkotten
|
Laut Scope ist es immer noch eine Rechteckspannung, nur irgendwie taugt die nichts mehr. Der Controller kann die nicht mehr erfassen.
Selbst das Scope scheint Schwierigkeiten zu haben das darzustellen. Irgendwie wandert das Bild auch. Es ist sehr schwer festzustellen wie die Pulsbreite ist.
Naja, ich schaue mal ob ich besser geeignete Optokoppler finde, oder noch besser ein fertiges Modul. Ansonsten muss ich mir eben eine neue Fernsteueranlage kaufen.
|
BID = 963219
attersee Stammposter
   
Beiträge: 451 Wohnort: Wien
|
Die Skizze zeigt halt nur ein Fragment. Ohne vollständigem Schaltbild bleibt Dein Problem ein Ratespiel.
Grüße, attersee
|
BID = 963254
MechMac666 Gesprächig
  
Beiträge: 197 Wohnort: Salzkotten
|
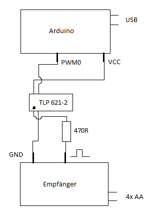
Na ganz viel ist es ja auch nicht.
Die ursprüngliche Schaltung, welche Störungen verursacht hat ist
"Schaltung.png"
Dann hatte ich zwei Versuche mit einem Optokoppler gemacht, welche beide nicht funktionieren.
"Schaltung_opto.png" und "Schaltung_optoII.png"
Letztendlich habe ich gelesen das davon abgeraten wird, zwischen solche Signale einen Optokoppler zu setzen, da dieser das Signal verzerrt.
Außerdem scheinen nicht wirklich viele Leute probleme damit zu haben, diesen Anschluß direkt an einen Controller anzuschließen.
Da bei zwei Leitungen nicht ganz viel falsch gemacht werden kann bzw. ich nichts verändern kann, habe ich nun fürs erste einen Empfänger von einem anderen Hersteller bestellt. Vielleicht funktioniert ein Fremdprodukt ja besser als das Original^^
|
BID = 963319
simi7 Gesprächig
  
Beiträge: 125 Wohnort: 03149 Forst
|
Zitat :
| Dann hatte ich zwei Versuche mit einem Optokoppler gemacht, welche beide nicht funktionieren.
"Schaltung_opto.png" und "Schaltung_optoII.png" |
Die erste Schaltung funktioniert nicht weil das Signal invertiert wird und der zweiten fehlt ein Widerstand.
Wenn der Transistor des Optokopplers offen ist, dann hängt der Signaleingang des Prozessors auf undefiniertem Pegel. Da muß ein Widerstand nach Masse hin, damit du einen ordentlichen Pegelwechsel hast.
|
BID = 963355
MechMac666 Gesprächig
  
Beiträge: 197 Wohnort: Salzkotten
|
Ich bin in zweierlei Hinsicht überrascht.
zum einen das es nun funktioniert und zum anderen dass das invertierte Signal so ganz anders ist.
@simi7: Du hattest es ja bereits zuvor erwähnt, aber ich hatte nicht auf dem Schirm das es damit gar nicht geht. Ich hätte jetzt falsche Werte oder so erwartet.
Auf dem Scope ist das Signal nun wieder fixierbar und man sieht das die fallende Flanke einen leichten Bogen beschreibt. Das scheint aber nicht so schlimm zu sein, der µc erkennt es.
Ich werde diese Optokoppler nun auch für die restlichen Kanäle setzen und dann sollte es wohl endlich laufen.
Danke für die Hilfe.
|