| Autor |
|
|
|
BID = 892499
elektrotyp Neu hier

Beiträge: 22
|
|
Es handelt sich um eine "meilhaus me 4600" karte..
Ich möchte eine spannungen einer Asynchronmaschiene über eine geeeignete Messumwandlung auf die analogen Eingänge der Karte geben
[ Diese Nachricht wurde geändert von: elektrotyp am 3 Jul 2013 0:44 ] |
|
BID = 892537
elektrotyp Neu hier

Beiträge: 22
|
Ist es nun also möglich, dass ich einfach ganz normale Printtransformatoren besorge?
Wenn ich nun den Motor in Stern schalte... sollten sich zwischen den einzelnen Phasen gegen Erde  messen lassen! (Bild 1)
Wenn ich hier z.B. solch einen Transformator verwende:
http://www.conrad.de/ce/de/product/.....Block
Der Trafo bekommt auf der Primärseite 230*sqrt(2)*sin(2*PI*50Hz)
Auf der Sekundärseite würden dann (an der Meilhauskarte) 6*sqrt(2)*sin(2*PI*50Hz) anliegen. also nicht über 10V...
______________________________
Wenn ich den Motor jetzt in Dreieck schalte... sollten sich an den Motorklemmen 400V messen lassen.
400V*sqrt(2)*sin...
was nehme ich da?[/img]
|
BID = 892542
der mit den kurzen Armen Urgestein
     
Beiträge: 17437
|
Oh Herr warum versuchen sich Leute am Netz, ohne mindesten die Grundlagen zu beherrschen.
Deinem Motor ist es scheiß egal ob er im Stern oder im Dreieck am Netz hängt die Spannung zwischen 2 beliebigen Außenleitern beträgt 400V! Und in Sternschaltung hast du keinen N am Motor ! Gegen Erde wird da überhaupt nicht gemessen. Der Bezugspunkt für die 3*230V ist der Neutralleiter.
Nimm 3 dieser Trafos und verschalte die im Stern am Netz ohne das der Neutralleiter am Sternpunkt angeschlossen wird,(Die Primärwicklungen stellen dann die Strangwicklung des Motors dar) dann erhältst du sekundärseitig 3 potentialfreie Spannungen, die die Spannung zwischen den Außenleitern wieder spiegeln!
Der Neutralleiter erzwingt im Drehstromnetz den Sternpunkt.
Edit: die Trafos sollten mit Nennlast betrieben werden!
_________________
Tippfehler sind vom Umtausch ausgeschlossen.
Arbeiten an Verteilern gehören in fachkundige Hände!
Sei Dir immer bewusst, dass von Deiner Arbeit das Leben und die Gesundheit anderer abhängen!
[ Diese Nachricht wurde geändert von: der mit den kurzen Armen am 3 Jul 2013 16:44 ]
|
BID = 892597
elektrotyp Neu hier

Beiträge: 22
|
Hi! Ich habe jetzt mal mein Klemmbrett am Motor gezeichnet!
Ich hoffe ich habe vestanden wie du das meintest! Wenn nicht, darf ich dich um eine kleine Skizze bitten ?
Also messe ich, wenn ich das so verschalte die 230V effektivwert.. bzw die 325V peak?!
Danke ersteinmal für die Antworten bisher!
sry für meine Dummheit... aber: "wer nicht fragt bleibt dumm"
[ Diese Nachricht wurde geändert von: elektrotyp am 3 Jul 2013 22:28 ]
|
BID = 892608
Offroad GTI Urgestein
     
Beiträge: 12836 Wohnort: Cottbus
|
Bis auf das PE-Symbol an den Trafos sieht es stimmig aus. Bernd hatte doch geschrieben, dass sie im Stern verschaltet werden sollen.
Und auch am Motor hast du wieder den Neutralleiter rangezaubert.
Weshalb musst du eigentlich die genaue Netzspannung kennen?
_________________
Theoretisch gibt es zwischen Theorie und Praxis keinen Unterschied. Praktisch gibt es ihn aber.
[ Diese Nachricht wurde geändert von: Offroad GTI am 3 Jul 2013 23:00 ]
|
BID = 892611
elektrotyp Neu hier

Beiträge: 22
|
hi! ich möchte den motor evtl. auch im generatorgetrieb laufen lassen...
desswegen würde ich gerne die daten zu testzwecken am rechner haben..
bernd = der mit den kurzen armen?
das pe symbol is weg
passt es so ?
also meint ihr ich kann das so machen?
"Edit: die Trafos sollten mit Nennlast betrieben werden!"
da ich hochohmig messe (an der karte) brauche ich kaum leistung...
http://www.conrad.de/ce/de/product/.....Block
passt dann sieser 0,5VA trafo?
oder gar der hier?
http://www.conrad.de/ce/de/product/.....nagel
[ Diese Nachricht wurde geändert von: elektrotyp am 3 Jul 2013 23:51 ]
|
BID = 892621
Offroad GTI Urgestein
     
Beiträge: 12836 Wohnort: Cottbus
|
Zitat :
| | den motor evtl. auch im generatorgetrieb laufen lassen |
Das klappt bei einer Asynchronmaschine und Inselbetrieb aber nur mit einer Kondensatorbank. Bleibt er am Netz, entnimmt er aus selbigem die erforderliche Blindleistung.
Zitat :
| | da ich hochohmig messe (an der karte) brauche ich kaum leistung... |
Kaum ist da wohl weit übertrieben, da wird praktisch keine Leistung aufgenomen.
Leistungsanpassung erreichst du mit einem Widerstand gemäß
Wenn du diesen Widerstand auf zwei Widerstände aufteilst, hast du auch gleich einen Spannungsteiler.
Zitat :
| | oder gar der hier? |
Die Leerlaufspannung dürfte bei etwa 10V liegen, also landest du bei 14V Spitzenspannung, bei 230V Nennspannung. Das ist also schon zu viel.
_________________
Theoretisch gibt es zwischen Theorie und Praxis keinen Unterschied. Praktisch gibt es ihn aber.
[ Diese Nachricht wurde geändert von: Offroad GTI am 4 Jul 2013 0:29 ]
|
BID = 892622
elektrotyp Neu hier

Beiträge: 22
|
Zitat :
Offroad GTI hat am 4 Jul 2013 00:23 geschrieben :
|
Zitat :
| | da ich hochohmig messe (an der karte) brauche ich kaum leistung... | Kaum ist da wohl weit übertrieben, da wird praktisch keine Leistung aufgenomen.
Leistungsanpassung erreichst du mit einem Widerstand gemäß
Wenn du diesen Widerstand auf zwei Widerstände aufteilst, hast du auch gleich einen Spannungsteiler.
Zitat :
| | oder gar der hier? | Die Leerlaufspannung dürfte bei etwa 10V liegen, also landest du bei 14V Spitzenspannung, bei 230V Nennspannung. Das ist also schon zu viel.
|
was genau ist jetzt zu viel ?
einen kleineren trafo finde ich nicht
[ Diese Nachricht wurde geändert von: elektrotyp am 4 Jul 2013 0:29 ]
|
BID = 892623
Offroad GTI Urgestein
     
Beiträge: 12836 Wohnort: Cottbus
|
Die Spitzenspannung für die Messkarte.
_________________
Theoretisch gibt es zwischen Theorie und Praxis keinen Unterschied. Praktisch gibt es ihn aber.
|
BID = 892624
elektrotyp Neu hier

Beiträge: 22
|
Wie kommst du darauf, dass die Spitzenspannung bei 14V liegt?
Meinst du ich soll dann parallel zur Messung an der Karte einen Widerstand einlöten, über dem die Nennleistung des Trafos abfällt?
[ Diese Nachricht wurde geändert von: elektrotyp am 4 Jul 2013 0:40 ]
|
BID = 892629
perl Ehrenmitglied
       
Beiträge: 11110,1 Wohnort: Rheinbach
|
Zitat :
Offroad GTI hat am 4 Jul 2013 00:23 geschrieben :
|
...
Leistungsanpassung erreichst du mit einem Widerstand gemäß
Wenn du diesen Widerstand auf zwei Widerstände aufteilst, hast du auch gleich einen Spannungsteiler.
.... |
Das ist falsch.
Bei Leistungsanpassung wird die maximal mögliche Leistung entnommen und das ist weit mehr als die Nennleistung des Trafos.
I.d.R liegt Leistungsanpassung vor, wenn der Innenwiderstand der Quelle gleich dem Lastwiderstand ist.
Das hat zur Folge, daß die Klemmenspannung auf die halbe Leerlaufspannung zusammenbricht und ebenso, daß der halbe Kurzschlußstrom fließt.
Viele Transformatoren halten diesen Betriebszustand nicht lange aus und verabschieden sich mit einer Qualmwolke.
|
BID = 892637
elektrotyp Neu hier

Beiträge: 22
|
wie mach ichs dann?
einfach jetzt so lassen wie es is?
also auf dem letzen bild?
[ Diese Nachricht wurde geändert von: elektrotyp am 4 Jul 2013 10:57 ]
|
BID = 892643
Offroad GTI Urgestein
     
Beiträge: 12836 Wohnort: Cottbus
|
Perl hat mal wieder Recht, Leistungsanpassung ist der falsche Begriff.
Zitat :
| | Wie kommst du darauf, dass die Spitzenspannung bei 14V liegt? |
10V Leerlaufspannung mal Wurzel(2)
Zitat :
| | einfach jetzt so lassen wie es is? |
Versuch macht kluch...
_________________
Theoretisch gibt es zwischen Theorie und Praxis keinen Unterschied. Praktisch gibt es ihn aber.
|
BID = 892656
elektrotyp Neu hier

Beiträge: 22
|
http://www.conrad.de/ce/de/product/.....nagel
Habe jetzt diese hier bestellt und werde sie einfach so verschalten! wenns geht freu ich mich  wenn nich weiss ich auch nciht weiter  ausser halt teure Trennverstärker über dem Spannnungsteiler
ich werde berichten
|
BID = 892690
der mit den kurzen Armen Urgestein
     
Beiträge: 17437
|
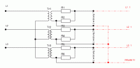
Wenn du Deine 3 Trafos so beschaltest, erhältst du 3 potentialfreie Spannungen am Ausgang. Diese Spannungen spiegeln das Verhalten der Netzspannung wieder.
Der Spannungsteiler am Ausgang belastet den Trafo mit Nennstrom , damit wird Leerlauf des Trafos verhindert! Rot gestrichelt sind diese Spannungen im Stern verkettet! Wie diese bei Dreieckschaltung verschaltet werden knobelst du selber raus.
_________________
Tippfehler sind vom Umtausch ausgeschlossen.
Arbeiten an Verteilern gehören in fachkundige Hände!
Sei Dir immer bewusst, dass von Deiner Arbeit das Leben und die Gesundheit anderer abhängen!
[ Diese Nachricht wurde geändert von: der mit den kurzen Armen am 4 Jul 2013 17:26 ]
|