Spannungs-Messgerät - Zenerdiode? Im Unterforum Messgeräte - auch im Selbstbau - Beschreibung: Vorstellung und Diskussion über Meßgeräte, die auch für Hobby noch erschwinglich sind.
Autor |
|
|
|
BID = 171718
Flomix Gelegenheitsposter
 
Beiträge: 68 Wohnort: NRW
|
|
Hallo, ich habe folgendes Problem:
Ich habe eine 9V-Batterie und einen ziemlich grossen
Kondensator mit 1F, der von der Batterie geladen wird.
Nun bräuchte ich eine kleine Anzeige (= Low-Current-LED) die aufleuchtet wenn der Kondensator mehr oder weniger voll ist.
Ich habe da an eine Schaltung gedacht, mit der die LED Strom bekommt, sobald am Kondensator mehr als 8 Volt anliegen... das müsste doch mit wenigen Bauteilen machbar sein?
Ich habe jetzt leider kaum Ahnung wie Zener-Dioden funktionieren, ich habe damit lediglich Schaltungen gefunden zur Spannungsstabilisierung... kann ich vielleicht mit einer Zenerdiode etwas anfangen?
Ach ja, was wichtiges noch: Die Schaltung muss so wenig wie möglich Bauteile enthalten und sollte möglichst wenig Strom brauchen, sonst saugt die meinen Kondensator ja gleich wieder leer Und das alles soll in ein kleines Handgehäuse, das kaum größer ist als die Batterie, also muss ich mich mit der Größe etwas zurückhalten...
_________________
Platinen-Verbindungstest:
an Starkstrom-buchse anschliessen - jedes Bauteil das wegbrutzelt war richtig verbunden *gg* |
|
BID = 171723
Flomix Gelegenheitsposter
 
Beiträge: 68 Wohnort: NRW
|
|
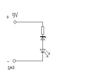
....ich hab mal was aufgemalt und warte jetzt sehnsüchtig auf sowas wie "Na das ist ja totaler Schwachsinn, das kann ja nicht funktionieren" *g*
hmm... oder würde das so klappen?
_________________
Platinen-Verbindungstest:
an Starkstrom-buchse anschliessen - jedes Bauteil das wegbrutzelt war richtig verbunden *gg* |
|
BID = 171728
perl Ehrenmitglied
       
Beiträge: 11110,1 Wohnort: Rheinbach
|
Deine Schaltung vergessen wir mal schnell wieder....
Verträgt dein 1F Elko denn überhaupt 9V ?
Nehen wir ma an es wär so,
dann nimm einen robusten Transistor und lade den Elko über die Basis Emitterstrecke auf.
Evtl. mußt du den Strom mit einem Widerstand auf ein für den Transistor ungefährliches Maß begrenzen.
Solange der Elko noch nicht voll aufgeladen ist, fließt somit ein Basisstrom, der durch den Transistor verstärkt, dazu dienen kann die LED im Kollektorkreis leuchten zu lassen.
Es ist zweckmäßig zwischen Basis und Emitter des Transistors noch einen 10kOhm Widerstand zu schalten.
Der bewirkt, daß über längere Zeit der Kondensator auf die volle Batteriespannung aufgeladen wird, und daß die LED ausgeht, wenn der Kondensator fast voll ist.
Diese Schaltung hat den Vorteil, daß sie nur Strom verbraucht solange der Kondensator geladen wird.
_________________
Haftungsausschluß:
Bei obigem Beitrag handelt es sich um meine private Meinung.
Rechtsansprüche dürfen aus deren Anwendung nicht abgeleitet werden.
Besonders VDE0100; VDE0550/0551; VDE0700; VDE0711; VDE0860 beachten !
[ Diese Nachricht wurde geändert von: perl am 9 Mär 2005 21:32 ]
|
|
Zum Ersatzteileshop
Bezeichnungen von Produkten, Abbildungen und Logos , die in diesem Forum oder im Shop verwendet werden, sind Eigentum des entsprechenden Herstellers oder Besitzers. Diese dienen lediglich zur Identifikation!
Impressum
Datenschutz
Copyright © Baldur Brock Fernsehtechnik und Versand Ersatzteile in Heilbronn Deutschland
gerechnet auf die letzten 30 Tage haben wir 13 Beiträge im Durchschnitt pro Tag heute wurden bisher 9 Beiträge verfasst © x sparkkelsputz Besucher : 185877686 Heute : 19269 Gestern : 26182 Online : 437 19.10.2025 18:41 37 Besucher in den letzten 60 Sekunden alle 1.62 Sekunden ein neuer Besucher ---- logout ----viewtopic ---- logout ----
|
xcvb
ycvb
0.0300991535187
|