Welche Widerstände in der Konstantstromquelle Im Unterforum LED Alles über Leuchtdioden - Beschreibung: Probleme mit Leuchtdioden, LED
| Autor |
|
|
|
BID = 385396
Cyverboy2 Neu hier

Beiträge: 25 Wohnort: München
|
|
Hallo,
ich möchte für meine LED eine Konstantstromquelle bauen und bin auch schon auf viele Schaltpläne im Internet gefunden. Nur hab ich leider keine Angaben dazu gefunden, wie ich die Widerstände austauschen muss, wenn ich andere Stromstärken brauche.
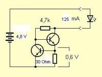
In der angehängten Schaltung brauche ich 125 mA, sind die Widerstände richtig berechnet? Und was muss der 4,7kOhm Widerstand für eine Leistung aushalten? Der 30Ohm Widerstand muss 0,45W aushalten oder?
Und wenn ich für eine LED nur noch 20mA brauche, bleibt dann der 4,7kOhm Widerstand gleich und es muss nur der 30Ohm gegen einen 175Ohm Widerstand ausgetauscht werden oder müssen beide Widerstände angepasst werden?
Daten LEDs:
LED1: 3,5V, 125mA
LED2: 3,5V, 20mA
Vielen Dank für eure Hilfe!
|
|
BID = 385412
Cyverboy2 Neu hier

Beiträge: 25 Wohnort: München
|
|
Hi,
sorry, ich hab mich verrechnet, für die 125mA muss natürlich ein 4,8Ohm Widerstand her, für die 20mA ein 30 Ohm Widerstand. Bleibt die Frage nach der Last, die der 4,7kOhm Widerstand aushalten muss! |
|
BID = 385413
PhyMaLehrer Schriftsteller
    
Beiträge: 911 Wohnort: Leipzig
|
Na, selbst wenn der 4,7-kOhm-Widerstand direkt an den 4,8 V liegen würde, dann würde auch nur etwas mehr als ein Milliampere drüber fließen; die Leistung beträgt also nur 5 mW!
|
BID = 385512
Cyverboy2 Neu hier

Beiträge: 25 Wohnort: München
|
OK, danke, stimmt, da hätt ich auch selber drauf kommen können....
Aber bleibt der 4,7kOhm Widerstand immer gleich, egal welche Stromstärke ich brauche? Oder muss ich den immer anpassen?
|
BID = 385526
perl Ehrenmitglied
       
Beiträge: 11110,1 Wohnort: Rheinbach
|
Zitat :
| | Aber bleibt der 4,7kOhm Widerstand immer gleich, egal welche Stromstärke ich brauche? |
Nein, der durch diesen Widerstand fliessende Strom muß mindestens so hoch sein, wie der durh die Stromverstärkung des oberen Transistors dividierte LED-Strom.
Damit hängt sein maximaler Wert vom Spannungsabfall über der Schaltung und dem Transistortyp ab.
Für geringe Spannungen ist ein geringer Wert dieses Widerstandes erforderlich, aber man muß dabei etwas aufpassen, da der durch diesen Widerstand fliessende Strom ja nicht geregelt wird. Bei zu hoher Betriebsspannung kann es dann zum Versagen der Stabilisierung und zu erhöhtem Stromfluss durch die LED kommen.
Eine grobe Anpassung des Widerstandes an die aktuellen Verhältnisse ist also empfehlenswert.
_________________
Haftungsausschluß:
Bei obigem Beitrag handelt es sich um meine private Meinung.
Rechtsansprüche dürfen aus deren Anwendung nicht abgeleitet werden.
Besonders VDE0100; VDE0550/0551; VDE0700; VDE0711; VDE0860 beachten !
|
BID = 385574
Cyverboy2 Neu hier

Beiträge: 25 Wohnort: München
|
Danke für die Antwort!
Auf der Seite, wo ich die Schaltung her habe, wird als Transistor Typ "z.B. BC548" angegeben, diesen finde ich bei Conrad aber leider nicht! Aber es gibt ja jede Menge andere NPN-Transistoren, welchen brauche Typ brauche ich da und auf was muss ich da achten?
um konkreter zu werden:
Ich will 3 verschiedene LED-Typen an drei Konstantstromquellen mit jeweils 4,8V betreiben. Die LEDs brauchen 20mA, 60mA und 125mA. Was für ein Transistor ist da empfehlenswert und muss ich da auch aufpassen, was der Transistor "aushält"?
Nochmal vielen Dank für eure Hilfe!
|
BID = 385602
Onra Schreibmaschine
    
Beiträge: 2515
|
Hallo,
der BC548 hat einen max Dauerstrom von 100mA, ist für die 125 mA-LED also ungeeignet. BC337 ist hier angebracht.
Außerdem bezweifle ich dass du mit dieser Konstantstromquelle aus 4,8 Volt eine 3,5 Volt LED mit 125 mA versorgen kannst. Wenn es Akkus sind, wirds noch schlechter.
O.
|
BID = 385609
perl Ehrenmitglied
       
Beiträge: 11110,1 Wohnort: Rheinbach
|
Zitat :
| | muss ich da auch aufpassen, was der Transistor "aushält"? |
Die Belastbarkeit des Transistors sollte man immer im Auge behalten, und bei derartigen Schaltungen, die irgendetwas "konstant" halten sollen, auch die Temperaturabhängigkeit diverser Kennwerte.
Du kannst annnehmen, daß diese Schaltung bei korrekter Dimensionierung gut 1V "für sich" verbraucht, und dann kann es, wie Onra richtig schrieb, bei niedriger Versorgungsspannung und hoher LED-Betriebsspannung etwas eng werden.
Zitat :
| | Die LEDs brauchen 20mA, 60mA und 125mA. |
Wie konstant soll das denn sein ?
Sind diese Ströme nur die vom LED-Hersteller angegeben Betriebssströme, oder soll das eine Meßschaltung werden ?
Wenn du, wie die Angabe 4,8V vermuten lässt, aus Akkus versorgst, ist es im ersten Fall einfacher passende Widerstände ausuzusuchen (evtl. zwei verschiedenene parallel schalten), im zweiten Fall ist diese simple Schaltung möglicherweise ohnehin nicht gut genug.
n.b.: BC546, BC547, BC548 verwenden den gleichen Chip, sind nur nach zulässiger Betriebsspannung ausgesucht.
Diese Transistoren haben, besonders die -C Versionen, eine deutlich höhere Verstärkung als der BC337, sind aber nur bei geringen Strömen bis vielleicht 50mA dem BC337 überlegen.
_________________
Haftungsausschluß:
Bei obigem Beitrag handelt es sich um meine private Meinung.
Rechtsansprüche dürfen aus deren Anwendung nicht abgeleitet werden.
Besonders VDE0100; VDE0550/0551; VDE0700; VDE0711; VDE0860 beachten !
[ Diese Nachricht wurde geändert von: perl am 14 Nov 2006 12:21 ]
|
BID = 385817
Cyverboy2 Neu hier

Beiträge: 25 Wohnort: München
|
Hi,
Danke für die Tipps!
Also, ich will eine kleine Lampe basteln, die möglichst lange und hell leuchtet, deshalb muss der Strom nicht hundertprozentig konstant sein!
Ich habe nach einer Alternative zum Vorwiderstand gesucht, da ich bei einem Vorwiderstand ja die überschüssige Spannung gleich zu Anfang "zerstören" muss. Bei einer Akkuspannung von 4,8V und einer LED mit 3,5V und 125mA bräuchte ich ja einen 10 Ohm Widerstand. Aber dadurch, dass die Spannung bei Akkus nicht konstant ist, sondern kontinuierlich abfällt, nimmt auch die Helligkeit der LED mit dem Spannungsabfall kontinuierlich ab, oder?
Bei dieser (zugegeben doch recht einfachen) Konstantstromquelle bleibt die Helligkeit im Bereich von 4,8V bis ca. 4,1V konstant und verändert sich erst, wenn die Spannung unter die 4,1V fällt, oder?
Wenns so ist, sehe ich darin den entscheidenen Vorteil der Konstantstromquelle! Außerdem weiß ich dann bei einem Helligkeitsverlust, dass die Akkus bald leer sind (Vermeidung der Tiefentladung)
Folgende LEDs will ich verwenden:
LED 1: 20mA, 3,1V
LED 2: 60mA, 3,4V
LED 3: 125mA, 3,5V
Für die LED 1 nehm ich dann am besten 2x BC 548C und einen 30 Ohm/0,25W Widerstand, für die LED 2 2x BC 337 und einen 10 Ohm/0,5W Widerstand und für die LED3 auch 2x BC 337 und einen 4,8 Ohm/1W Widerstand her, passt das so?
Folgende Probleme noch: bei den BC337 gibt es drei verschiedene Varianten, BC337-16, BC337-25 und BC337-40. Welchen nehme ich da am besten? Außerdem bin ich mir immer noch nicht sicher, welche Widerstände ich anstelle des 4,7kOhm Widerstand nehmen soll, könnt ihr mir da behilflich sein?
Die Transistoren habe ich übrigens alle bei Reichelt gefunden, Conrad hat diese Typen nicht...
Schon mal vielen Dank!
[ Diese Nachricht wurde geändert von: Cyverboy2 am 14 Nov 2006 22:50 ]
|
BID = 385843
perl Ehrenmitglied
       
Beiträge: 11110,1 Wohnort: Rheinbach
|
Zitat :
| | Aber dadurch, dass die Spannung bei Akkus nicht konstant ist, sondern kontinuierlich abfällt, nimmt auch die Helligkeit der LED mit dem Spannungsabfall kontinuierlich ab, |
Nein, die Spannung der Akkus ist während des längsten Zeit der Entladung sehr konstant, und fällt erst gegen Ende der Entladung merklich ab.
Darauf beruht einerseit die Schwierigkeit eine brauchbare Kapazitätsanzeige zu bauen, andererseits kannst du wirklich so tun, als ob die Spannung konstant sei.
Wenn die Lampen dann kurz vor Schluss dunkler werden, ist das ja kein Fehler.
Ich empfehle dir wirklich nur einfache Vorwiderstände zu verwenden. Wenn du diese Spannungen, die du hier aufgeschrieben hast, gemessen hast, kannst du deren Größe unmittelbar ausrechnen.
Wenn die Spannungsangaben nur Katalogwerte sind, dann wähle die Widerstände etwa 20..30% größer als berechnet, miß im Betrieb den Spannungsabfall daran nach, und errechne daraus den fliessenden Strom.
Damit ist es möglich einen weiteren Widerstand parallel zuschalten, den man so ausrechnet, daß er die restlichen paar mA bringt.
Um das Thema Tiefentladung brauchst du dich dabei auch nicht zu kümmern, da beim Unterschreiten der Diodenflussspannung von ca 3V der Strom automatisch auf 0 absinkt.
_________________
Haftungsausschluß:
Bei obigem Beitrag handelt es sich um meine private Meinung.
Rechtsansprüche dürfen aus deren Anwendung nicht abgeleitet werden.
Besonders VDE0100; VDE0550/0551; VDE0700; VDE0711; VDE0860 beachten !
|
|
Zum Ersatzteileshop
Bezeichnungen von Produkten, Abbildungen und Logos , die in diesem Forum oder im Shop verwendet werden, sind Eigentum des entsprechenden Herstellers oder Besitzers. Diese dienen lediglich zur Identifikation!
Impressum
Datenschutz
Copyright © Baldur Brock Fernsehtechnik und Versand Ersatzteile in Heilbronn Deutschland
gerechnet auf die letzten 30 Tage haben wir 17 Beiträge im Durchschnitt pro Tag heute wurden bisher 8 Beiträge verfasst © x sparkkelsputz Besucher : 187968157 Heute : 26620 Gestern : 18748 Online : 420 26.12.2025 19:59 11 Besucher in den letzten 60 Sekunden alle 5.45 Sekunden ein neuer Besucher ---- logout ----viewtopic ---- logout ----
|
xcvb
ycvb
0.0556809902191
|