| Autor |
E14 Led cluster: alle Kaputt? Suche nach: led (32830) |
|
|
|
|
BID = 394542
djtechno Inventar
     
Beiträge: 4955 Wohnort: beutelsbach
|
|
habe hier: 2 mal e14 230 volt led cluster grün von blauen c
art nr für rot (grün gibts inzwischen nimmer) 150695 - 62
dann einen osram e14 spot rot
und einen osram e14 spot rgb (farbwexel)
alle gehen nicht
:shock:
hatte die e14 spots einige monate rumliegen,da keine leuchte mit e14 fassung im haus war.
dann hatte ich mal eine e14 fassung gekauft, kabel dran, spot rein: nix.
andres cluster: nix
:(
neue fassung gekauft, verkabelt, alle 4 spots getestet: nix
fassung e14 aus messing gekauft: dito
okey, erstmal naufgegeben
dann hatten meine eltern für ihren kleiderschrank leuchten vom typ "INLOPP" in einem bekannten schwedischen möbelhaus gekauft.
auch hier: keiner der spots tut
:shock:
habe die leuchte auch inbeiden polungen,die der euro stecke rzuläßt, eingesteckt.
Sowohl die inlopp leuchten als auch die andren drei e14 fassungen gehen mit den 25 watt glühbirnen der inlopp leuchten, aber die led cluster gehen alle 4 nicht, obwohl für 230 volt :shock:
dagegen gehen meine beiden 230 volt e27 led spots problemlos :shock:
auch alle 12 volt led cluster tun an voltcraft pa800 steckernetzteilen
Hat dafür irgendwer eine vernünftige erklärung? :shock:
Marcus.
_________________
Ehemaliger forennutzer (ausgetreten) |
|
BID = 394950
Kaira B Schreibmaschine
    
Beiträge: 1570 Wohnort: Dresden
|
|
Na denne...
Mach die Teile doch mal auf...
Ein wenig heiße Luft könnte dabei helfen.
VOM BASTELNACHBAU WIRD AUSDRÜCKLICH ABGERATEN
[ Diese Nachricht wurde geändert von: Kaira B am 26 Dez 2006 19:01 ] |
|
BID = 394957
yonossic Achtung Dieser user postet unter verschiedenen Namen
|
Abgesehen davon, dass es eine Unsitte ist, jeden Satz durch Emoticons zu verzieren (welche darüberhinaus nicht einmal unterstützt werden), würde ich mal darüber sinnieren, wie wahrscheinlich ist es, dass vier Spots von zwei verschiedenen Herstellern GLEICHZEITIG defekt sind? Und das, wo ich aus dem Wirrwarr von Worten und Rechtschreibfehlern herauszulesen glaube, dass die Spots neuwertige Ware waren. (was dann auch den Eingriff in die Leuchtmittel verbieten würde)
Wie wäre es mal auszutesten, ob die Leuchtmittel überhaupt an den nötigen Stellen Kontakt in den Fassungen machen?
Hierzu soll es helfen, die Kontakte der STROMLOSEN Fassung mit einem Filzstift zu bemalen und nach Ein/Ausdrehen des Leuchtmittels auf Kratzspuren zu untersuchen.
Vielleicht liegt ein systematischer Fehler bei der Montage der Leuchtmittel, wie ungenügend tiefes Eindrehen vor?
|
BID = 395325
sam2 Urgestein
     
Beiträge: 35321 Wohnort: Franken (bairisch besetzte Zone)
|
Das ist bei unserem DJ leider nicht auszuschließen. Der hat ja schon bei der Montage dieser Fassungen deren Mantelsperre mit roher Gewalt "überwunden"...
Ansonsten kann ich mich nur meinen Vorrednern anschließen:
Wenn Leuchtmittel jünger als 24 Monate, reklamieren!!!h
_________________
"Das Gerät habe ich vor soundsoviel Jahren bei Ihnen gekauft! Immer ist es gegangen, immer. Aber seit gestern früh geht es plötzlich nicht mehr. Sagen Sie mal, DA STIMMT DOCH WAS NICHT???"
|
BID = 395514
Peda Schriftsteller
    
Beiträge: 891
|
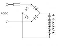
So wie oben der Schaltplan sehen die Dinger innen aber bestimmt nicht aus. Man berechne nur mal die Verlustleistung der Schaltung oben ...
Gruss Peter
_________________
Do you have Math Problems ?? Then call 0049-0800 sin(lg((10^45*tan(56))/(f(0)'->(45x^3/3x^2*3x^7)))
|
BID = 395516
Ltof Inventar
     
Beiträge: 9386 Wohnort: Hommingberg
|
Zitat :
yonossic hat am 26 Dez 2006 19:36 geschrieben :
|
Vielleicht liegt ein systematischer Fehler bei der Montage der Leuchtmittel, wie ungenügend tiefes Eindrehen vor?
|
Das ist anzunehmen. Sowas kenne ich von Energiesparlampen, die nicht kompatibel zu allen Fassungen sind. Die liegen am Rand der Fassung auf, bevor sie innen kontaktieren.
Gruß,
Ltof
_________________
„Schreibe nichts der Böswilligkeit zu, was durch Dummheit hinreichend erklärbar ist.“
(Hanlon’s Razor)
|
BID = 400065
Fentanyl Fentanyl mit Overkill Volle Kanne !
  
Beiträge: 1912
|
@kaira: Das Gleichrichtersymbol ist verkehrt gezeichnet!
MfG; Fenta
|
BID = 400176
Kaira B Schreibmaschine
    
Beiträge: 1570 Wohnort: Dresden
|
Zitat :
Fentanyl hat am 18 Jan 2007 17:44 geschrieben :
|
@kaira: Das Gleichrichtersymbol ist verkehrt gezeichnet!
MfG; Fenta
|
Dickes Bienchen für Dich.
Der Schwachsinn ist von mir aus einem Datenblatt für diese
Teile übernommen worden.
Habe es also NICHT selber,sondern "nur" unterezeichnet.
Befreitmichnatürlichnichtvonderhaftung
Etwas traurig stimmt mich die nicht vorhandene Reaktion
unseres dj Mirco
Da seine Finger aber bekanntermaßen langsamer sind als die
Steuerung der selben schwebt sein Geist sicher in uns unbekannteren anderen Regionen und er hat dieses Problem
flugs mülltonnenartig wegwerfgesellschftskonform erledigt
OHNE uns dies mitzuteilen.
Nun sage noch irgendwer ER hätte ein übersteigertes
Mitteilungsbedürfnis.
MIRCO !!! Sorry !!!
Um der amerikanischen Trendisierung zu folgen sage ich:
"I love you"
Mielkeversion: "Ich liebe euch doch alle"
mamam
mfg Achim
[ Diese Nachricht wurde geändert von: Kaira B am 19 Jan 2007 2:53 ]
|